电脑桌面
添加小米粒文库到电脑桌面
安装后可以在桌面快捷访问

文明工地报审资料VIP免费

文明工地报审资料_第1页
1/21
文明工地报审资料_第2页
2/21
文明工地报审资料_第3页
3/21
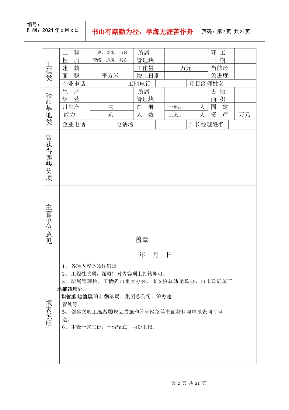
第1页共21页编号:时间:2021年x月x日书山有路勤为径,学海无涯苦作舟页码:第1页共21页编号:__________2007年度青浦区文明工地申报表企业名称:中天建设集团有限公司申报工程:中海翡翠湖岸三期南区属区:青浦区工程地址:青浦区赵巷镇特色居住区102/1丘地块申报日期:2007年月日上海市青浦区建设工程文明施工管理领导小组办公室印制第2页共21页第1页共21页编号:时间:2021年x月x日书山有路勤为径,学海无涯苦作舟页码:第2页共21页工程类工程性质土建、装饰、市政管线、拆房、其它所属管理块开工日期建筑面积平方米工作量万元当前形象进度竣工日期企业电话工地电话项目经理姓名场站基地类生产经营所属管理块占地面积月生产能力吨在册人数干部:人固定资产万元元工人:人企业电话场站电话厂长经理姓名曾获得哪些奖项主管单位意见盖章年月日填表说明1、各项内容必须详细填写。2、工程性质项,在填写时针对内容项上打钩即可。3、所属管理块,工程类为:市重大办公、市安检总站、市道监办、市市政局施工处;场站基地类;市建管处。4、主管单位指:工地、场站、基地直属的上级单位,如:局、集团总公司、沪办建管处等。5、创建文明工地、场站(基地)的规划措施和管理网络等书面材料与申报表同时呈送。6、本表一式三份,一份留底,两份上报。第3页共21页第2页共21页编号:时间:2021年x月x日书山有路勤为径,学海无涯苦作舟页码:第3页共21页中天集团中海翡翠湖岸三期南区工程文明工地创建措施中天建设集团第三建设有限公司第4页共21页第3页共21页编号:时间:2021年x月x日书山有路勤为径,学海无涯苦作舟页码:第4页共21页创建“文明工地”措施和环境保护措施1.1工程概况工程地理位置及周围环境1、地理位置:上海市青浦区赵巷镇,特色居住区102/1丘地块。2、工程特点中海翡翠湖岸三期南区别墅工程总占地面积为40000平方米,建筑面积为10750平方米,建筑高度为8.80米,建筑为二层。主要(独栋别墅)。1.2文明安全施工目标1、确保无重大设备和人员伤亡安全事故。2、确保“上海市青浦区文明工地”3、确保“上海市青浦区标化工地”4、争创“上海市标化工地”1.3创建文明工地的目的和意义文明施工是指科学组织施工,提倡工程质量优良和施工安全,建造舒适的生产、生活和办公环境,保持施工场地整洁、卫生,创造工地良好的文明气氛,组织严格、合理管理的一项施工活动。第5页共21页第4页共21页编号:时间:2021年x月x日书山有路勤为径,学海无涯苦作舟页码:第5页共21页创建文明工地活动是建筑行业落实国家政策、把社会主义精神文明和物质文明一起抓的结合点,响应上海市建筑业施工现场标准化管理、同时也是开展城市环境整治、创建文明城市的重要部分。创建文明工地对于施工企业树立良好的企业形象,提高企业效益,保证施工安全,保证工程质量,培养一支高素质的队伍等具有不可估量的作用。创建文明工地对建筑行业的“脏、乱、差”、违章施工、野蛮作业的状况是强有力的一击,是对简单粗放管理、乱堆放、丢失损坏、浪费严重、危险作业、打架斗殴、嫖赌等不文明行为和愚昧落后管理敲响警钟。创建文明工地是企业展示实力的一个窗口,是自我提高和进步的进行曲,对增强企业在社会上的知名度、竞争力,提高企业的规范化管理,发扬我企业“立志中天,争创一流”的精神等具有不可估量的作用。抓住公司已通过的质量、环境、职业安全健康综合管理体系认证和开展CIS形象工程的契机,认真执行各项标准和要求,通过文明工地的创建,使公司管理进一步规范化、标准化。1.4创建文明工地的基本内容1、施工管理现场规范化围挡围护;第6页共21页第5页共21页编号:时间:2021年x月x日书山有路勤为径,学海无涯苦作舟页码:第6页共21页场容场貌;标识标牌;作业条件环境保护;防火防爆防毒;施工组织设计与管理2、施工安全达标创优安全管理;脚手架与平台;施工用电;“三宝”与“四口”;模板支撑施工荷载;中小型机械设备。3、工程质量优良质量管理;计量管理;主体结构质量;安装工程;工程技术资料。4、办公、生活设施整洁卫生办公环境;食堂;第7页共21页第6页共21页编号:时间:2021年x月x日书山有路勤...

1、当您付费下载文档后,您只拥有了使用权限,并不意味着购买了版权,文档只能用于自身使用,不得用于其他商业用途(如 [转卖]进行直接盈利或[编辑后售卖]进行间接盈利)。
2、本站所有内容均由合作方或网友上传,本站不对文档的完整性、权威性及其观点立场正确性做任何保证或承诺!文档内容仅供研究参考,付费前请自行鉴别。
3、如文档内容存在违规,或者侵犯商业秘密、侵犯著作权等,请点击“违规举报”。

碎片内容

文明工地报审资料

您可能关注的文档

教育教学文库+ 关注
实名认证
内容提供者

本店有大量的教育教学资料,课件

确认删除?
VIP
微信客服
  • 扫码咨询
会员Q群
  • 会员专属群点击这里加入QQ群
客服邮箱
回到顶部