电脑桌面
添加小米粒文库到电脑桌面
安装后可以在桌面快捷访问

最新修药品使用管理规范工作制度VIP免费

最新修药品使用管理规范工作制度_第1页
1/43
最新修药品使用管理规范工作制度_第2页
2/43
最新修药品使用管理规范工作制度_第3页
3/43
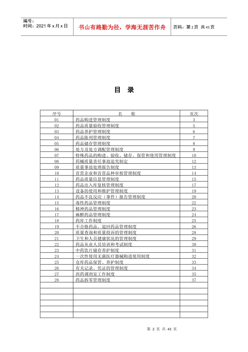
临沭县郑山街道卫生院质量管理制度第2页共43页编号:时间:2021年x月x日书山有路勤为径,学海无涯苦作舟页码:第2页共43页目录序号名称页次01药品购进管理制度302药品质量验收管理制度503药品养护管理制度604药品陈列管理制度705药品储存管理制度806处方及处方调配管理制度907特殊药品的购进、验收、储存、保管和使用管理制度1008药械质量责任事故追究制定1209质量事故处理报告制度1310首营企业和首营品种审核管理制度1411药品质量信息管理制度1512药品出入库复核管理制度1713设备的使用和维护管理制度1914药品不良反应(事件)报告管理制度2015毒性药品管理制度2216精神药品管理制度2317麻醉药品管理制度2418药库工作制度2519不合格药品、退回药品管理制度2620质量查询和质量投诉的管理制度2821卫生和人员健康状况的管理制度2922药品从业人员培训和考试制度3023中药饮片储存养护制度3124一次性使用无菌医疗器械购进使用制度3225仓库药品保管、养护制度3326有关记录、凭证的管理制度3427西药调剂室工作制度3528药品拆零管理制度37第3页共43页第2页共43页编号:时间:2021年x月x日书山有路勤为径,学海无涯苦作舟页码:第3页共43页药品购进管理制度第一条医疗机构购进药品必须严格执行《中华人民共和国药品管理法》、《中华人民共和国产品质量法》、《中华人民共和国合同法》等有关法律法规,选择已通过《药品经营质量管理规范》认证的药品批发企业作为供应商;参加药品集中招标的医疗机构应在中标企业购进药品依法购进。第二条医疗机构购进药品应以质量为前提,从具有合法资质的供货单位进货。第三条医疗机构购进药品时,必须向供货单位索取并审核以下资料:(一)加盖供货单位原印章的《药品生产许可证》或《药品经营许可证》和《营业执照》复印件;(二)注明质量条款的书面合同或质量保证协议书。(三)企业法定代表人签字或盖章的销售人员“授权委托书”,委托书必须有委托事项、委托品种、委托时限、委托人身份证号码、委托地区、委托时间、委托与被委托第4页共43页第3页共43页编号:时间:2021年x月x日书山有路勤为径,学海无涯苦作舟页码:第4页共43页人的责任等内容;(四)加盖供货单位原印章的销售人员身份证复印件。第四条购进进口药品时,除应向供货单位索取第三条所规定的资料外,还应索取加盖供货单位质量管理机构原印章的以下资料:(一)《进口药品注册证》或《医药产品注册证》、《进口药材批件》复印件;(二)《进口药品检验报告书》或注明“已抽样”并加盖公章的《进口药品通关单》复印件;(三)国家食品药品监督管理局规定批签发的生物制品,需要同时索取法定药品检验所核发的批签发证明文件。第五条购进药品应有合法票据(发票,供货清单),并对照实物,依据原始票据建立购进记录,做到票、帐、货相符,购进记录应载明供货单位,购货数量、购进价格购货日期、生产企业、药品通用名称、剂型、规格、批准文号、生产批号、有效期等内容。第六条购进中药饮片,必须标明品名、规格、产地、生产企业、产品批号、生产日期、购进数量、购进价格、购进日期等内容,票据和购进记录保存至超过药品有效期一年,但不得少于三年。第七条医疗机构购进药品,必须建立并执行进货检查第5页共43页第4页共43页编号:时间:2021年x月x日书山有路勤为径,学海无涯苦作舟页码:第5页共43页验收制度,验明药品合格证明和其他包装标示,不符合规定要求的,不得购进和使用。药品质量验收管理制度一、验收人员应具有高中以上文化程度。二、严格按法定质量标准对购进药品进行逐一验收,待验收的药品应放在待验区,并在当日内验收完毕。验收时应同时对药品的包装、标签、说明书以及有关要求的证明或文件进行逐一检查。药品包装的标签和所附说明书上应有生产企业的名称、地址、有效期等;标签或说明书上还应有药品的成分、适应症或功能主治、用法、用量、禁忌、不良反应、注意事项以及贮藏条件等。三、验收整件包装中应有产品合格证。四、验收特殊管理药品、外用药品,其包装的标签或说明书上有规定的标识和警示说明。处方药和非处方药按分类管理要求,标签、说明书上有相应的警告语或忠...

1、当您付费下载文档后,您只拥有了使用权限,并不意味着购买了版权,文档只能用于自身使用,不得用于其他商业用途(如 [转卖]进行直接盈利或[编辑后售卖]进行间接盈利)。
2、本站所有内容均由合作方或网友上传,本站不对文档的完整性、权威性及其观点立场正确性做任何保证或承诺!文档内容仅供研究参考,付费前请自行鉴别。
3、如文档内容存在违规,或者侵犯商业秘密、侵犯著作权等,请点击“违规举报”。

碎片内容

最新修药品使用管理规范工作制度

您可能关注的文档

确认删除?
VIP
微信客服
  • 扫码咨询
会员Q群
  • 会员专属群点击这里加入QQ群
客服邮箱
回到顶部