电脑桌面
添加小米粒文库到电脑桌面
安装后可以在桌面快捷访问

土木工程施工课后习题答案VIP免费

土木工程施工课后习题答案_第1页
1/12
土木工程施工课后习题答案_第2页
2/12
土木工程施工课后习题答案_第3页
3/12
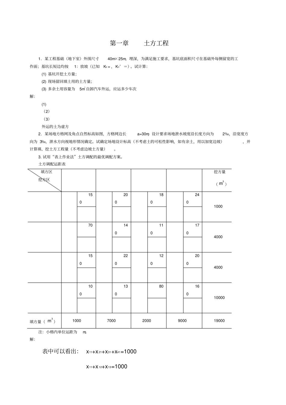
第一章土方工程1.某工程基础(地下室)外围尺寸40m×25m,埋深,为满足施工要求,基坑底面积尺寸在基础外每侧留宽的工作面;基坑长短边均按1:放坡(已知KS=,KS′=)。试计算:(1)基坑开挖土方量;(2)现场留回填土用的土方量;(3)多余土用容量为5m3自卸汽车外运,应运多少车次解:(1)(2)(3)外运的土为虚方2.某场地方格网及角点自然标高如图,方格网边长a=30m,设计要求场地泄水坡度沿长度方向为2‰,沿宽度方向为3‰,泄水方向视地形情况确定。试确定场地设计标高(不考虑土的可松性影响,如有余土,用以加宽边坡),并计算填、挖土方工程量(不考虑边坡土方量)。3.试用“表上作业法”土方调配的最优调配方案。土方调配运距表填方区挖方区挖方量(3m)150200180240100070140110170400015022012020040001001308016010000填方量(3m)100070002000900019000注:小格内单位运距为m。解:表中可以看出:x11+x21+x31+x41=1000x11+x12+x13=1000⋯⋯⋯⋯⋯⋯利用“表上作业法”进行调配的步骤为:(1)用“最小元素法”编制初始调配方案步骤1:即先在运距表(小方格)中找一个最小数值,即2170L,于是先确定21X的值,使其尽可能地大,即取21min(1000,4000)1000X。则1131410XXX,在空格内画上“×”号,将(1000)填入21X格内;步骤2:在没有填上数字和“×”号的方格内再选一个运距最小的方格,即4380L,让X43值尽可能的大,即X43=min(10000,2000)=2000。同时使x13=x23=x33=0。同样将(2000)填入表1-5中X43格内,并且在X13、X23、X33格内画上“×”。步骤3:按同样的原理,可依次确定x42=7000,x12=x22=x32=0;x31=300,x32=x33=100,并填入表1-5,其余方格画上“×”,该表即为初始调配方案。表1-5土方初始调配方案填方区挖方区挖方量(3m)1502001802401000×××(1000)701401101704000(1000)××(3000)1502201202004000×××(4000)1001308016010000×(7000)(2000)(1000)填方量(3m)100070002000900019000(2)最优方案的判别用“位势法”求检验数。表1-6平均运距和位势数填方区挖方区1v1402v2103v1603v2401u002402u-7007001703u-4002004u-8001300800160先令1u0,则有3v240-0=2402u170-240=-701v70-(-70)=1403u200-240=-404u160-240=-802v130-(-80)=2103v80-(-80)=160检验数计算:11150-0-140=10;12200-0-210=-10;⋯.(在表1-7中只写“”或“-”)表1-7位势、运距和检验数表填方区挖方区1v1402v2103v1603v2401u0+150-200+1800240×××(1000)2u-700700140+1100170(1000)××(3000)3u-40+150+22001200200×××(4000)4u-80+10001300800160(7000)(2000)(1000)从表1-7中已知,表内有为负检验数存在,说明该方案仍不是最优调配方案,尚需作进一步调整,直至方格内全部检验数λij≥0为止。(3)方案的调整①在所有负检验数中选一个(一般可选最小的一个,本题中为12L),把它所对应的变量12X作为调整的对象。②找出12X的闭回路:从12X出发,沿水平或者竖直方向前进,遇到适当的有数字的方格作900转弯,然后依次继续前进再回到出发点,形成一条闭回路(表1-8)。表1-812X的闭回路表填方区挖方区1000100030004000700020001000③从空格12X出发,沿着闭回路(方向任意)一直前进,在各奇数次转角点的数字中,挑出一个最小的(本表即为1000,7000中选1000,此处选14X),将它由14X调到12X方格中(即空格中)。将1000填入12X方格中,被调出的14X为0(变为空格);同时将闭回路上其他奇数次转角上的数字都减去1000,偶数次转角上数字都增加1000,使得填、挖方区的土方量仍然保持平衡,这样调整后,便可得表1-9的新方案。⑤对新调配方案,仍然用“位势法”进行检验,看其是否为最优方案,检验数无负数,该方案为最佳方案表1-9调整后的调配方案填方区挖方区挖方量(3m)1v1302v2003v1503v2301u0+1500200+180+2401000×(1000)××2u-600700140+11001704000(1000)×(2000)3u-30+150+220012002004000×××(4000)4u-70+1000130080016010000(6000)(2000)(2000)填方量(3m)100070002000900019000表1-9中所有检验数均为正号,故该方案即为最优方...

1、当您付费下载文档后,您只拥有了使用权限,并不意味着购买了版权,文档只能用于自身使用,不得用于其他商业用途(如 [转卖]进行直接盈利或[编辑后售卖]进行间接盈利)。
2、本站所有内容均由合作方或网友上传,本站不对文档的完整性、权威性及其观点立场正确性做任何保证或承诺!文档内容仅供研究参考,付费前请自行鉴别。
3、如文档内容存在违规,或者侵犯商业秘密、侵犯著作权等,请点击“违规举报”。

碎片内容

土木工程施工课后习题答案

您可能关注的文档

确认删除?
VIP
微信客服
  • 扫码咨询
会员Q群
  • 会员专属群点击这里加入QQ群
客服邮箱
回到顶部