电脑桌面
添加小米粒文库到电脑桌面
安装后可以在桌面快捷访问

水泥厂流程梳理VIP专享VIP免费

水泥厂流程梳理_第1页
1/11
水泥厂流程梳理_第2页
2/11
水泥厂流程梳理_第3页
3/11
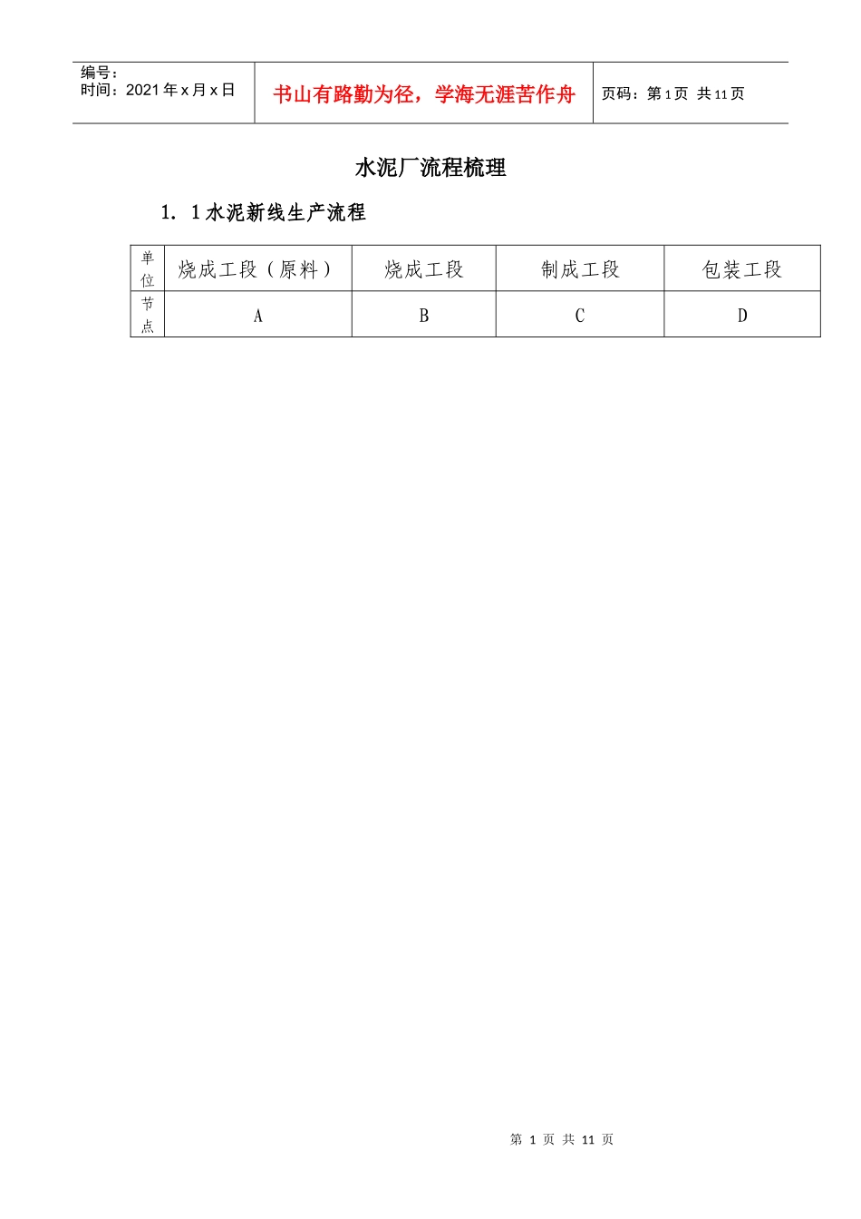
第1页共11页编号:时间:2021年x月x日书山有路勤为径,学海无涯苦作舟页码:第1页共11页水泥厂流程梳理1.1水泥新线生产流程单位烧成工段(原料)烧成工段制成工段包装工段节点ABCD第2页共11页第1页共11页原、燃料进厂编号:时间:2021年x月x日书山有路勤为径,学海无涯苦作舟页码:第2页共11页1.2水泥厂新线生产流程工作标准节点任务程序责任人时限支持文件原料制备生料粉磨煤粉制备熟料煅烧水泥磨制混合材制备水泥库(空气均化)分析、检验合格搭配均化分析、检验不合格2#熟料库合格合格1#熟料库,搭配使用分析、检验不合格分析、检验水泥散装水泥包装出厂混合材进厂不合格第3页共11页第2页共11页编号:时间:2021年x月x日书山有路勤为径,学海无涯苦作舟页码:第3页共11页程序A、B1、接到入库通知后,将原料按照工艺要求进入到规定的库中;2、按照化验室规定的配比将原料进入生料磨进行粉磨;3、对原煤进行堆放、均化、粉磨制备后供大窑煅烧使用;4、将经过合理配比、烘干粉磨、均化后的生料,煅烧至合格熟料;5、熟料进入篦冷机冷却后进入孰料库。烧成工段即时1、《原料准备岗位操作法》;2、《生料磨岗位操作法》;3、《煤份制备岗位操作法》;4、《生料均化岗位操作法》;5、《熟料烧成岗位操作法》;6、《空压机岗位操作法》;7、《窑头岗位操作法》;8、《原煤预均化岗位操作法》;9、《窑尾预热器岗位操作法》;10、《窑尾废气岗位操作法》;11、《水泥新线工艺技术规程》。C1、将矿渣、粉煤灰烘干后进入规定库内;2、将石膏、煤矸石破碎后进入规定库内;3、根据化验室下达的质量指标及物料配比要求,合理控制喂料、保质、保量、高效、低耗、安全地磨制合格水泥。制成工段即时1、《水泥粉磨岗位操作法》;2、《水泥新线工艺技术规程》。第4页共11页第3页共11页编号:时间:2021年x月x日书山有路勤为径,学海无涯苦作舟页码:第4页共11页D1、对包装袋的使用进行管理;2、包装水泥并发放包装水泥;3、发放散装水泥。包装工段即时1、《水泥包装岗位操作法》;2、《水泥新线工艺技术规程》。2.1水泥老线生产流程单位料浆工段烧成工段制成工段包装工段节点ABCD第5页共11页第4页共11页编号:时间:2021年x月x日书山有路勤为径,学海无涯苦作舟页码:第5页共11页2.2水泥厂老线生产流程工作标准节点任务程序责任人时限支持文件浓缩电石渣进厂原、燃料进厂原料粉磨联合储库煤粉磨制熟料煅烧分析、检合格不合格搭配均化分析检验水泥磨制分析检验水泥库合格不合格水泥包装水泥散装分析、检合格出厂不合格原料库生料配料压滤第6页共11页第5页共11页编号:时间:2021年x月x日书山有路勤为径,学海无涯苦作舟页码:第6页共11页程序A1、负责料浆系统的料浆的浓缩、储存、配备、输送工序的操作运行及设备的维护保养;料浆工段即时1、《料浆配备操作法》;2、《水泥老线工艺技术规程》。B1、负责将原煤破碎和粉磨至水份、细度合格的煤粉,为回转窑煅烧提供燃料保障;2、负责料浆压滤系统和喂料系统的操作运行和设备的维护保养;3、根据窑头看火岗位的要求,及时准确地调整喂料量。4、负责将进入储库的各种物料按规定抓运堆放、搭配;5、严格执行化验室的质量控制要求,保证“三磨一窑“用料的正常及时提供;6、负责将合适成份的生料浆,用合格的煤粉煅烧成优质、高产、低耗的水泥熟料;烧成工段即时1、《煤粉制备操作法》;2、《行车岗位操作法》;3、《回转窑操作法》;4、《压滤机操作法》5、《水泥老线工艺技术规程》。C1、负责水泥粉磨系统的操作运行及设备的维护保养;2、根据化验室下达的质量指标及物料配比要求,合理喂料,保质、保量、高效、低耗、安全地磨制合格水泥。制成工段即时1、《水泥粉磨操作法》;2、《水泥老线工艺技术规程》。D1、负责成品水泥的包装,完成最终产品的质量控制;2、严格按化验室要求进库,多库按比例搭配均衡下料,定编号包装,精心操作,维护保养好本岗位设备。包装工段即时1、《水泥包装操作法》;2、《水泥老线工艺技术规程》。第7页共11页第6页共11页编号:时间:2021年x月x日书山有路勤为径,学海无涯苦作舟页码:第7页共11页3.1水泥厂采购流程...

1、当您付费下载文档后,您只拥有了使用权限,并不意味着购买了版权,文档只能用于自身使用,不得用于其他商业用途(如 [转卖]进行直接盈利或[编辑后售卖]进行间接盈利)。
2、本站所有内容均由合作方或网友上传,本站不对文档的完整性、权威性及其观点立场正确性做任何保证或承诺!文档内容仅供研究参考,付费前请自行鉴别。
3、如文档内容存在违规,或者侵犯商业秘密、侵犯著作权等,请点击“违规举报”。

碎片内容

水泥厂流程梳理

确认删除?
VIP
微信客服
  • 扫码咨询
会员Q群
  • 会员专属群点击这里加入QQ群
客服邮箱
回到顶部