电脑桌面
添加小米粒文库到电脑桌面
安装后可以在桌面快捷访问

水电管理办法(分部适用)VIP免费

水电管理办法(分部适用)_第1页
1/4
水电管理办法(分部适用)_第2页
2/4
水电管理办法(分部适用)_第3页
3/4
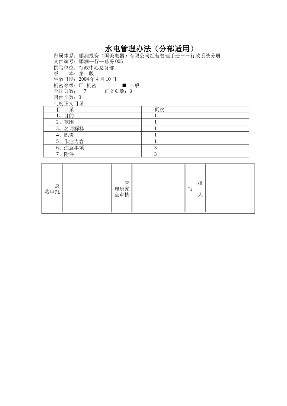
水电管理办法(分部适用)归属体系:鹏润投资(国美电器)有限公司经营管理手册――行政系统分册文件编号:鹏润—行—总务005撰写单位:行政中心总务部版本:第一版生效日期:2004年4月10日机密等级:□机密■一般合计页数:7正文页数:3附件个数:3制度正文目录:目录页次1、目的12、范围13、名词解释14、职责15、作业内容16、注意事项37、附件3总裁审批管理研究室审核撰写人第2页共4页编号:时间:2021年x月x日书山有路勤为径,学海无涯苦作舟页码:第2页共4页目的:为加强对各分部的水电管理,达到既满足业务发展需要,又节约水、电费用的目标,特制定以下水电管理办法。范围:2.1适用范围:国美电器、国美音像有限公司下属各分部、配送中心及下辖各门店2.2发布范围:国美电器、国美音像有限公司下属各分部、配送中心及下辖各门店名词解释:3.1水:指公司经营过程中所涉及的保洁用水及工作用水。3.2电:指公司经营过程中必须产生的办公用电及经营用电。职责:4.1分部的水电管理工作由各分部总务部负责管理。4.2总部行政中心总务部负责对各分部水电用量的情况督查监管。作业内容:5.1用电管理5.1.1用电量的核定:5.1.1.1由于不同地区之间电力供应价格的差异及与物业方谈判电价的不同,对各分部用电管理的标准统一以“KWH”即千瓦时为度量单位,以月使用量为管理标准,电价以合同约定的方式结算;5.1.1.2各分部用电量标准的形成过程;5.1.1.2.1以分部机关、配送中心、各门店为单位分别统计所有用电设备的功率;5.1.1.2.2测算各种用电设备的平均工作时间;5.1.1.2.3根据设备功率及用电时间计算出各单位的用电量;5.1.1.2.4分部下辖各单位的用电量总和即为该分部的月度用电量;5.1.1.2.5分部各单位用电量标准根据其实际用电量确定,并报总部总务部审批后执行。5.1.1.3各分部用电量标准的形成过程;5.1.1.3.1夏季用电量构成:分部各单位的照明设施、办公设备、门店商品样机展示、电梯使用等用电量及夏季开启冷气空调设施的用电量;5.1.1.3.2冬季用电量构成:分部各单位的照明设施、办公设备、门店商品样机展示、电梯使用等用电量及冬季开启空调暖气设施的用电量;5.1.1.3.3说明:夏季用电量考核时间原则上定为每年的5月1日至10月7日;冬季用电量考核时间原则上定为每年的1月1日至4月30日及10月8月至12月31日。5.1.2用电标准的执行阶段:5.1.2.1各分部的用电标准执行区间为半年,每年的12月10日、6月10日为下一个执行阶段标准的制定及调整的最后时限;5.1.2.2各分部要于每年的12月1日、6月1日前向总部总务部上报有关用电设备的变动情况及下一个考核阶段的用电标准修改方案,逾期不报者,按原标准执行;5.1.2.3在用电标准执行阶段内,标准原则上不予调高,若出现特殊变动的由各分部通过内部挖潜解决;5.1.2.4新开分部、老分部开新门店、老门店扩增面积、开发二级市场新门店的情况上报总部总务部审批同意后做特例处理;5.2用水管理5.2.1对各分部的用水管理,主要依据各分部的实际用量、卖场面积大小及卫生间的多少实施定额控制。5.2.2各单位的用水计量单位为吨,水价根据租赁合同的相关条款及当地供水部门的相关收费标准执行。第3页共4页第2页共4页编号:时间:2021年x月x日书山有路勤为径,学海无涯苦作舟页码:第3页共4页5.2.3各分部的用水量标准执行阶段为一年,每月12月10日为下一年度用水量标准调整的最后期限,各分部若需要调整标准,须于12月1日前上报总部总务部核准。5.3考核奖惩规定5.3.1各分部按总部总务部要求定期上报水电用量的月报表。5.3.2总部将对各分部水电设施管理及使用情况进行不定期抽查,一经发现有虚报、漏报、错报的现象,将对分部总务部经理、物业主管及使用单位的负责人给予行政处罚。5.3.3对考核期内采取合理措施节约水电费用开支的分部,总部将予以奖励。6.注意事项:用水量、用电量指月度用水、用电量。7附件:7.1《国美电器有限公司用电设施功率及用电量统计表》7.2《国美电器有限公司年全国各分部用水量标准》7.3《国美电器有限公司年全国各分部用电量标准》附件7.1国美电器分部______(单位)用电设施功率及用电量统计表编号设施名称数量(个)功率(W)总...

1、当您付费下载文档后,您只拥有了使用权限,并不意味着购买了版权,文档只能用于自身使用,不得用于其他商业用途(如 [转卖]进行直接盈利或[编辑后售卖]进行间接盈利)。
2、本站所有内容均由合作方或网友上传,本站不对文档的完整性、权威性及其观点立场正确性做任何保证或承诺!文档内容仅供研究参考,付费前请自行鉴别。
3、如文档内容存在违规,或者侵犯商业秘密、侵犯著作权等,请点击“违规举报”。

碎片内容

水电管理办法(分部适用)

确认删除?
VIP
微信客服
  • 扫码咨询
会员Q群
  • 会员专属群点击这里加入QQ群
客服邮箱
回到顶部