电脑桌面
添加小米粒文库到电脑桌面
安装后可以在桌面快捷访问

医院洁净手术部建筑技术规范-GB50333细菌VIP免费

医院洁净手术部建筑技术规范-GB50333细菌_第1页
1/9
医院洁净手术部建筑技术规范-GB50333细菌_第2页
2/9
医院洁净手术部建筑技术规范-GB50333细菌_第3页
3/9
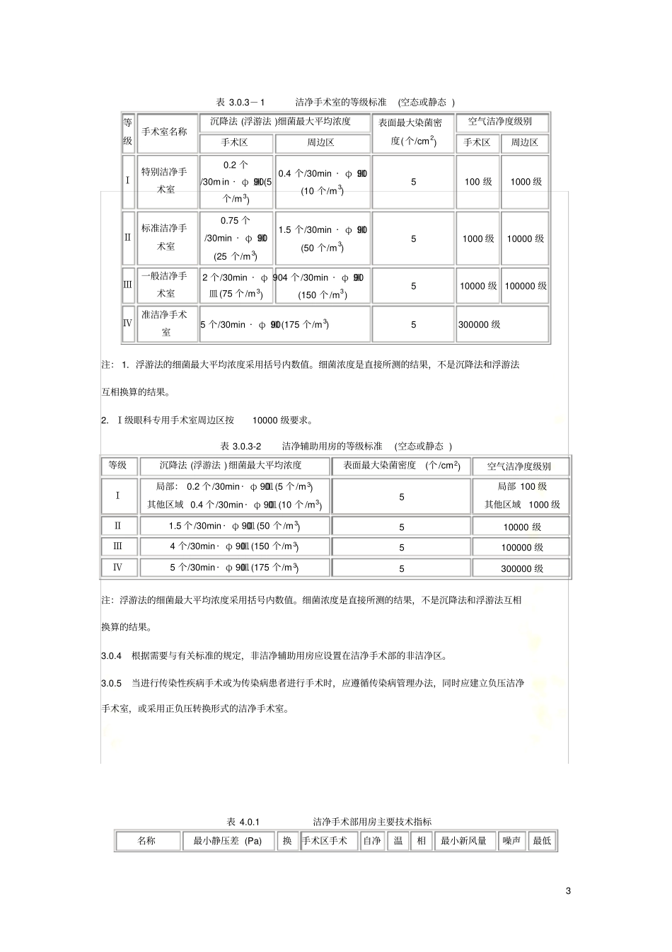
医院洁净手术部建筑技术规范-GB50333细菌2医院洁净手术部建筑技术规范GB50333-2002中华人民共和国建设部二○○二年十一月二十六日2.0.20手术区operatingzone需要特别保护的手术台及其周围区域。Ⅰ级手术室的手术区是指手术台两侧边至少各外推0.9m、两端至少各外推0.4m后(包括手术台)的区域;Ⅱ级手术室的手术区是指手术台两侧边至少各外推0.6m、两端至少各外推0.4m后(包括手术台)的区域;Ⅲ级手术室的手术区是指手术台四边至少各外推0.4m后(包括手术台)的区域。Ⅳ级手术室不分手术区和周边区。Ⅰ级眼科专用手术室手术区每边不小于1.2m。2.0.21周边区surroundingzone洁净手术室内除去手术区以外的其他区域。3洁净手术部用房分级3.0.1洁净手术部用房分为四级,并以空气洁净度级别作为必要保障条件。在空态或静态条件下,细菌浓度(沉降菌法浓度或浮游菌法浓度)和空气洁净度级别都必须符合划级标准。3.0.2洁净手术室的分级应符合表3.0.2-1的要求,洁净辅助用房的分级应符合表3.0.2-2的要求。表3.0.2-1洁净手术室分级等级手术室名称手术切口类别适用手术提示Ⅰ特别洁净手术室Ⅰ关节置换手术、器官移植手术及脑外科、心脏外科和眼科等手术中的无菌手术Ⅱ标准洁净手术室Ⅰ胸外科、整形外科、泌尿外科、肝胆胰外科、骨外科和普通外科中的一类切口无菌手术Ⅲ一般洁净手术室Ⅱ普通外科(除去一类切口手术)、妇产科等手术Ⅳ准洁净手术室Ⅲ肛肠外科及污染类等手术表3.0.2-2主要洁净辅助用房分级等级用房名称Ⅰ需要无菌操作的特殊实验室Ⅱ体外循环灌注准备室Ⅲ刷手间;消毒准备室;预麻室;一次性物品、无菌敷料及器械与精密仪器的存放室;护士站;洁净走廊;重症护理单元(ICU)Ⅳ恢复(麻醉苏醒)室与更衣室(二更);清洁走廊3.0.3洁净手术室的等级标准的指标应符合表3.0.3-1的要求,主要洁净辅助用房的等级标准的指标应符合表3.0.3-2的要求。3表3.0.3-1洁净手术室的等级标准(空态或静态)等级手术室名称沉降法(浮游法)细菌最大平均浓度表面最大染菌密度(个/cm2)空气洁净度级别手术区周边区手术区周边区Ⅰ特别洁净手术室0.2个/30min·φ90皿(5个/m3)0.4个/30min·φ90皿(10个/m3)5100级1000级Ⅱ标准洁净手术室0.75个/30min·φ90皿(25个/m3)1.5个/30min·φ90皿(50个/m3)51000级10000级Ⅲ一般洁净手术室2个/30min·φ90皿(75个/m3)4个/30min·φ90皿(150个/m3)510000级100000级Ⅳ准洁净手术室5个/30min·φ90皿(175个/m3)5300000级注:1.浮游法的细菌最大平均浓度采用括号内数值。细菌浓度是直接所测的结果,不是沉降法和浮游法互相换算的结果。2.Ⅰ级眼科专用手术室周边区按10000级要求。表3.0.3-2洁净辅助用房的等级标准(空态或静态)等级沉降法(浮游法)细菌最大平均浓度表面最大染菌密度(个/cm2)空气洁净度级别Ⅰ局部:0.2个/30min·φ90皿(5个/m3)其他区域0.4个/30min·φ90皿(10个/m3)5局部100级其他区域1000级Ⅱ1.5个/30min·φ90皿(50个/m3)510000级Ⅲ4个/30min·φ90皿(150个/m3)5100000级Ⅳ5个/30min·φ90皿(175个/m3)5300000级注:浮游法的细菌最大平均浓度采用括号内数值。细菌浓度是直接所测的结果,不是沉降法和浮游法互相换算的结果。3.0.4根据需要与有关标准的规定,非洁净辅助用房应设置在洁净手术部的非洁净区。3.0.5当进行传染性疾病手术或为传染病患者进行手术时,应遵循传染病管理办法,同时应建立负压洁净手术室,或采用正负压转换形式的洁净手术室。表4.0.1洁净手术部用房主要技术指标名称最小静压差(Pa)换手术区手术自净温相最小新风量噪声最低4程度对相邻低级别洁净室气次数(次/h)台(或局部100级工作区)工作面高度截面平均风速(m/s)时间(min)度(℃)对湿度(%)(m3/h·人)(次/h)dB(A)照度(lx)特别洁净手术室、特殊实验室+++8-0.25~0.30≤1522~2540~60606≤52≥350标准洁净手术室+++830~36-≤2522~2540~60606≤50≥350一般洁净手术室++518~22-≤3022~2535~60604≤50≥350准洁净手术室++512~15-≤4022~2535~60604≤50≥350体外循环灌注专用准备室++517~20--21~27≤60-3≤60≥150无菌敷料、器械、一次性物品室和精密仪器存放室++510~13--21~27≤60...

1、当您付费下载文档后,您只拥有了使用权限,并不意味着购买了版权,文档只能用于自身使用,不得用于其他商业用途(如 [转卖]进行直接盈利或[编辑后售卖]进行间接盈利)。
2、本站所有内容均由合作方或网友上传,本站不对文档的完整性、权威性及其观点立场正确性做任何保证或承诺!文档内容仅供研究参考,付费前请自行鉴别。
3、如文档内容存在违规,或者侵犯商业秘密、侵犯著作权等,请点击“违规举报”。

碎片内容

医院洁净手术部建筑技术规范-GB50333细菌

爱的疯狂+ 关注
实名认证
内容提供者

该用户很懒,什么也没介绍

确认删除?
VIP
微信客服
  • 扫码咨询
会员Q群
  • 会员专属群点击这里加入QQ群
客服邮箱
回到顶部