电脑桌面
添加小米粒文库到电脑桌面
安装后可以在桌面快捷访问

河北省机动车维修经营许可申请材料表VIP免费

河北省机动车维修经营许可申请材料表_第1页
1/56
河北省机动车维修经营许可申请材料表_第2页
2/56
河北省机动车维修经营许可申请材料表_第3页
3/56
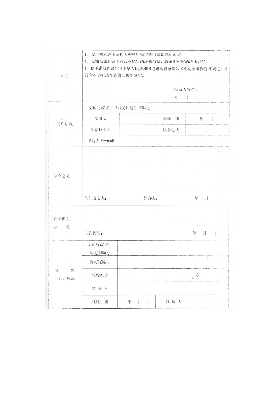
河北省机动车维修经营许可申请材料表(二类)申请人名称:威县汇众汽车修理厂负责人:刘建波经营地址:威县中华大街北头路东联系电话:0319-6199999河北道路运输管理局制业户名称威县汇众汽车修理厂负责人刘建波经营地址中华大街北段路东邮政编码054700经济性质个体经营业务汽车二级维护从业人数18电话6199999经营项目资金总额60万元固定资产35万流动资金25万占地面积(㎡)合计主生产厂房(㎡)停车场(㎡)辅助工间(㎡)接待室(㎡)其它(㎡)3000560200018060200技术管理人员和维修技工情况技术管理人员(人)高级工程师工程师助理工程师技术员高级技师技师其它合计2132技术工人(人)级别工种发动机底盘钣金电工油漆工其它合计初级工中级工632112高级工小计技术管理人员姓名岗位职称或等级职业资格从业年限王风华技术负责人中12马巧华总检验员中15潘汝波质检员中8主工工位负责人王沛云发动机维修中5马拥成底盘维修中3刘占龙维修电工中5赵景仁油漆工中9刘英威钣金工中8高炳乐试车员中4财会人员魏书敏会计8出纳设备台数(台件)合计通用专用试验诊断检测计量器具754118106企业管理负责人基本情况姓名刘建波文化程度高中职称或职务厂长主修工位身份证号码132235196802191216主要工作简历日期工作单位人事工作职务1988-1991邢台地区运输公司第一大修厂汽车修理1991-1993邢台县公安局金盾汽修厂汽车修理技工1993-1996邢台上海大众汽车特约维修站汽修管理技术顾问1996年至今威县大众汽车专项修理部汽修管理厂长附:身份证影印件技术负责人基本情况姓名马巧华文化程度中专职称或职务技术经理主修工位身份证号码13223519770918004X主要工作简历日期工作单位人事工作职务1991-1994在威县二中读初中学习1994-1997在柏乡职教中心读中专学习1997至今威县大众汽车专项修理部汽修管理质量技术总检验员附:技术等级证影印件及企业正式聘书主要工位负责人基本情况姓名刘英威文化程度初中职称或职务主修工位身份证号码130533198911203253主要工作简历日期工作单位人事工作职务2004.8-2007.9保定雄威汽修厂钣金工2007.9-2008.6保定中集集团一汽大众4S店钣金工2008.6-2009.7邢台广州本田4S店钣金工2009.7至今威县大众汽车专项修理部钣金工组长附:技术等级证影印件及企业正式聘书主要工位负责人基本情况姓名王风华文化程度初中职称或职务经理主修工位发动机维修身份证号码13053319830118481X主要工作简历日期工作单位人事工作职务2000-2002石家庄陆军指挥学院工作后勤班长2002-2008石家庄宝通汽修厂工作发动机维修2008至今威县大众汽车专项修理部发动机维修主管经理附:技术等级证影印件及企业正式聘书主要工位负责人基本情况姓名赵景仁文化程度中专职称或职务部门经理主修工位烤漆身份证号码13053319820102101X主要工作简历日期工作单位人事工作职务2000-2003邢台技师学院学习2003-至今威县大众汽车专项修理部烤漆部门经理附:技术等级证影印件及企业正式聘书主要工位负责人基本情况姓名高炳乐文化程度初中职称或职务组长主修工位发动机维修身份证号码130533199012200531主要工作简历日期工作单位人事工作职务2008-2010石家庄南环汽车保养厂发动机维修2010-至今威县大众汽车专项修理部发动机维修组长附:技术等级证影印件及企业正式聘书主要工位负责人基本情况姓名王沛云文化程度初中职称或职务主修工位发动机维修身份证号码130533198606150819主要工作简历日期工作单位人事工作职务2007-2011邯郸华由汽修厂发动机维修2011-至今威县大众汽车专项修理部发动机维修附:技术等级证影印件及企业正式聘书主要工位负责人基本情况姓名潘汝波文化程度高中职称或职务质检员主修工位发动机维修身份证号码130533198811272916主要工作简历日期工作单位人事工作职务2008-2010沧州市交警支队汽车档案2010-2011沧州安达汽修厂发动机维修2011-至今威县大众汽车专项修理部发动机维修附:技术等级证影印件及企业正式聘书主要工位负责人基本情况姓名马拥成文化程度初中职称或职务组长主修工位发动机维修身份证号码130533198910192516主要工作简历日期工作单位人事工作职务2009-2011邢台市广通汽车服务公司发动机维...

1、当您付费下载文档后,您只拥有了使用权限,并不意味着购买了版权,文档只能用于自身使用,不得用于其他商业用途(如 [转卖]进行直接盈利或[编辑后售卖]进行间接盈利)。
2、本站所有内容均由合作方或网友上传,本站不对文档的完整性、权威性及其观点立场正确性做任何保证或承诺!文档内容仅供研究参考,付费前请自行鉴别。
3、如文档内容存在违规,或者侵犯商业秘密、侵犯著作权等,请点击“违规举报”。

碎片内容

河北省机动车维修经营许可申请材料表

确认删除?
VIP
微信客服
  • 扫码咨询
会员Q群
  • 会员专属群点击这里加入QQ群
客服邮箱
回到顶部