电脑桌面
添加小米粒文库到电脑桌面
安装后可以在桌面快捷访问

汽车故障诊断VIP免费

汽车故障诊断_第1页
1/11
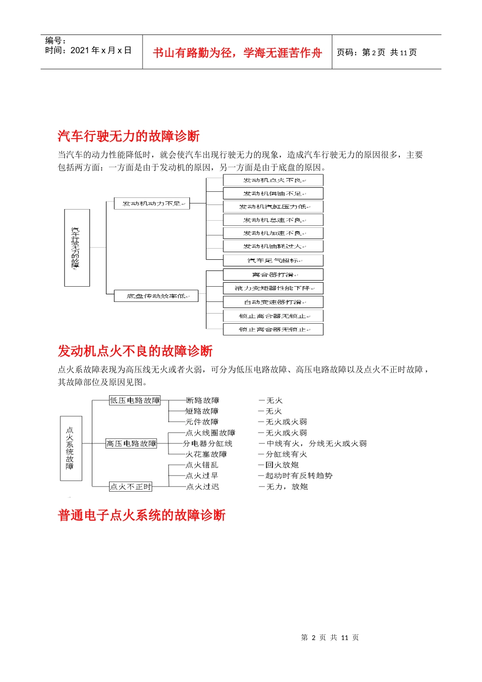
汽车故障诊断_第2页
2/11
汽车故障诊断_第3页
3/11
第1页共11页编号:时间:2021年x月x日书山有路勤为径,学海无涯苦作舟页码:第1页共11页汽车综合故障诊断第2页共11页第1页共11页编号:时间:2021年x月x日书山有路勤为径,学海无涯苦作舟页码:第2页共11页汽车行驶无力的故障诊断当汽车的动力性能降低时,就会使汽车出现行驶无力的现象,造成汽车行驶无力的原因很多,主要包括两方面:一方面是由于发动机的原因,另一方面是由于底盘的原因。发动机点火不良的故障诊断点火系故障表现为高压线无火或者火弱,可分为低压电路故障、高压电路故障以及点火不正时故障,其故障部位及原因见图。普通电子点火系统的故障诊断第3页共11页第2页共11页编号:时间:2021年x月x日书山有路勤为径,学海无涯苦作舟页码:第3页共11页进行点火系故障诊断时,可通过分缸线和中央高压线试火,确定故障所在区域。若分缸线试火正常,则为火花塞故障或点火不正时;若分缸线火花不正常,则进行中央高压线试火。若中央高压线试火正常,则为高压电路故障;异常则为低压电路故障。一、低压电路故障1.故障原因低压电路故障主要是线路断路、短路或搭铁及元件损坏。(1)点火开关损坏(断路或搭铁)(2)低压线路断路、搭铁或连接器接触不良。(3)点火线圈损坏(初级线圈断路、短路)。(4)分电器固定底板搭铁不良,搭铁线松动或断开,触发轮搭铁不良等(5)点火控制器损坏、搭铁不良或连接器接触不良。(6)点火信号发生器(传感器)失效。2.故障诊断(1)用试灯或万用表等检测低压线路有无断路、短路或搭铁不良现象。(2)检查点火开关是否良好。(3)检查点火线圈。可采用试火法、测电阻法、换件比较法等。初级线圈电阻值一般为1.3-1.7Ω,次级线圈电阻值一般为10.7-14.5KΩ。同时应检查点火线圈的绝缘性能。(4)检查点火控制器(点火器)(5)检查点火信号发生器第4页共11页第3页共11页编号:时间:2021年x月x日书山有路勤为径,学海无涯苦作舟页码:第4页共11页二、高压电路故障1.故障现象低压电路正常,中央高压线无火或火弱。中央高压线火花正常,而分缸线无火。分缸线火花均正常,却难以发动或发动机动力下降。2.故障原因(1)点火线圈次级线路断路、插孔脏污、潮湿有水、漏电及性能下降等。(2)高压线及插头不良,阻尼式高压线端头烧损或防干扰插头损坏。(3)分电器盖漏电、窜电、电极烧蚀,中心炭棒卡滞、脱落、裂纹等。分火头漏电、烧蚀、有裂纹。(4)火花塞工作不良,如烧蚀、积炭、油污裂损、漏电及间隙不当、型号不符等。3.故障诊断利用中央高压线和分缸线试火,若低压电路正常,中央高压线无火或火弱,故障主要在点火线圈和高压线;若中央高压线火花正常,而分缸线无火,故障主要在分电器盖、分火头和分缸线;若分缸线火花均正常,则故障在火花塞。(1)检测点火线圈(次极)的阻值和性能。可采用试火法和测阻值法进行检测。(2)检查高压导线。检查高压导线外表绝缘层是否破损漏电,测量每根高压线的电阻,最大不得超过25KΩ。(3)检查分火头。检查分火头是否有裂纹、漏电等,测量分火头电阻,应符合规定。桑塔纳分电器分火头阻值为1±0.4KΩ(4)检查分电器盖是否漏电、窜电、有无裂纹等。(5)拆检火花塞,注意其电极间隙、型号是否不符,有无烧损现象。三、高压电路故障1.故障现象:点火错乱点火过早点火过迟发动机在启动时有发动征兆,并时有回火、放炮现象出现:(1)分电器盖窜电,分缸线错乱或分电器盖错位180°(2)点火正时调整不当,配气正时变动或分火头自行错位。(3)分电器固定螺栓松动,分电器轴与离心调节配合松动。3.故障诊断如果点火过早,熄火时发动机有反转趋势。如果点火过迟,发动机转动无力并时有回火放炮现象。当点火次序与作功次序不一致时也就是点火错乱时,也会出现无规则回火放炮现象。因此点火正时故障造成发动机不能发动时,必须检查和调整点火提前角。检查和调整点火提前角(1)摇转曲轴,使断电器触点完全打开,检查并调整断电器触点间隙,触点间隙应为0.35~0.45㎜。(2)找到一缸压缩上止点。注意正时应对正上止点标记。使汽油泵驱动轴与分电器轴相接的偏端部与发动机曲轴方向平行,并将分火头指向分电...

1、当您付费下载文档后,您只拥有了使用权限,并不意味着购买了版权,文档只能用于自身使用,不得用于其他商业用途(如 [转卖]进行直接盈利或[编辑后售卖]进行间接盈利)。
2、本站所有内容均由合作方或网友上传,本站不对文档的完整性、权威性及其观点立场正确性做任何保证或承诺!文档内容仅供研究参考,付费前请自行鉴别。
3、如文档内容存在违规,或者侵犯商业秘密、侵犯著作权等,请点击“违规举报”。

碎片内容

汽车故障诊断

您可能关注的文档

确认删除?
VIP
微信客服
  • 扫码咨询
会员Q群
  • 会员专属群点击这里加入QQ群
客服邮箱
回到顶部