电脑桌面
添加小米粒文库到电脑桌面
安装后可以在桌面快捷访问

第一部分组织机构及投标表格-套打VIP免费

第一部分组织机构及投标表格-套打_第1页
1/38
第一部分组织机构及投标表格-套打_第2页
2/38
第一部分组织机构及投标表格-套打_第3页
3/38
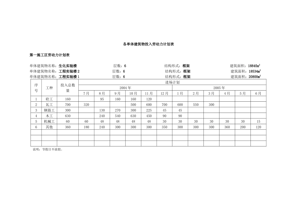
投入劳动力总体计划表序号工种投入总数量进场计划2004年2005年7月8月9月10月11月12月1月2月3月4月5月6月1砼工8104857708105902瓦工290012401640225025202250185011003钢筋工139080695111013909751701704木工269016010002120269018303403405机械工245245200200200200140140140110110110506其他137066090011201260117013701220122012201320680490总计2385328053207990701549204120321034951430790540说明:节假日不放假。各单体建筑物投入劳动力计划表第一施工区劳动力计划表单体建筑物名称:生化实验楼层数:6结构形式:框架建筑面积:18845m2单体建筑物名称:工程实验楼2层数:6结构形式:框架建筑面积:18534m2单体建筑物名称:工程实验楼1层数:6结构形式:框架建筑面积:20800m2序号工种投入总数量进场计划2004年2005年7月8月9月10月11月12月1月2月3月4月5月6月1砼工160951601601202瓦工7003205006007006005503003钢筋工30013027030022545454木工63024054063045090905机械工606048484848303030303030156其他360180240300300300350300300300360200120说明:节假日不放假。第二施工区劳动力计划表单体建筑物名称:计算机实验楼层数:7结构形式:框架建筑面积:22914m2单体建筑物名称:理工科教学楼北楼层数:7结构形式:框架建筑面积:22683m2单体建筑物名称:理工科教学楼南楼层数:7结构形式:框架建筑面积:24377m2序号工种投入总数量进场计划2004年2005年7月8月9月10月11月12月1月2月3月4月5月6月1砼工1901301901901302瓦工7003603606007006005003503钢筋工32019528032023045454木工67024056067045090905机械工606048484848303030303030156其他400180240300300300400300300300360180120说明:节假日不放假。第三施工区劳动力计划表单体建筑物名称:电子信息实验楼层数:6结构形式:框架建筑面积:26359m2单体建筑物名称:理学实验楼层数:7结构形式:框架建筑面积:24014m2序号工种投入总数量进场计划2004年2005年7月8月9月10月11月12月1月2月3月4月5月6月1砼工1401001401401002瓦工5002402404005004003002003钢筋工25015020025017030304木工48016036048033060605机械工404032323232202020202020106其他300120160200300300300300300300250120100说明:节假日不放假。第四施工区劳动力计划表单体建筑物名称:行政办公楼A层数:6结构形式:框架建筑面积:22260m2单体建筑物名称:行政办公楼B层数:6结构形式:框架建筑面积:21930m2序号工种投入总数量进场计划2004年2005年7月8月9月10月11月12月1月2月3月4月5月6月1砼工12080120120802瓦工5001202403505004003002003钢筋工2208012018022015030304木工43016016036043030060605机械工404032323232202020202020106其他250120160200240200200200200250250120100说明:节假日不放假。第五施工区劳动力计划表单体建筑物名称:图书信息中心层数:5结构形式:框架建筑面积:47154.6m2序号工种投入总数量进场计划2004年2005年7月8月9月10月11月12月1月2月3月4月5月6月1砼工200801602001602瓦工5002003003005002502001003钢筋工30010018030020020204木工48020030048030040405机械工4545404040404040402510106其他120601001201201201201201201201006050说明:节假日不放假。投入设备总体计划表序号设备名称规格型号投入总数量来源(自有/租赁)进场计划证明材料所在页码2004年2005年7月8月9月10月11月12月1月2月3月4月5月6月1打桩机D6227租赁自有2721327~3282挖掘机sy2007自有431111111111329~330Ex-3006自有6331~3323塔吊Fo/23B12自有112121212121212333~3344井架JZ-5012租赁12121212121212335~33710自有101010101010105砼输送泵HBT-80C5自有18888338~339HBT-1103自有3406起重机Qy16c4租赁自有55345~346Qy25c1自有343~3447运输车辆CX281Q10自有1055555555347~3488空压机WY-12/95自有15555353~3529压路机YZ18C2自有2222222235510发电机400SP1自有356~35711砂浆搅拌机UJZ200A11自有2111111111111111112电渣压力焊机HS-50022自有22222222213钢筋弯曲机GJ74022自有22222222214钢筋切断机GJ4022自有22222222215套丝机5自有1555516木...

1、当您付费下载文档后,您只拥有了使用权限,并不意味着购买了版权,文档只能用于自身使用,不得用于其他商业用途(如 [转卖]进行直接盈利或[编辑后售卖]进行间接盈利)。
2、本站所有内容均由合作方或网友上传,本站不对文档的完整性、权威性及其观点立场正确性做任何保证或承诺!文档内容仅供研究参考,付费前请自行鉴别。
3、如文档内容存在违规,或者侵犯商业秘密、侵犯著作权等,请点击“违规举报”。

碎片内容

第一部分组织机构及投标表格-套打

您可能关注的文档

确认删除?
VIP
微信客服
  • 扫码咨询
会员Q群
  • 会员专属群点击这里加入QQ群
客服邮箱
回到顶部