电脑桌面
添加小米粒文库到电脑桌面
安装后可以在桌面快捷访问

萧甬铁路绍兴县城区段改造工程桥梁风险评估与对策VIP免费

萧甬铁路绍兴县城区段改造工程桥梁风险评估与对策_第1页
1/7
萧甬铁路绍兴县城区段改造工程桥梁风险评估与对策_第2页
2/7
萧甬铁路绍兴县城区段改造工程桥梁风险评估与对策_第3页
3/7
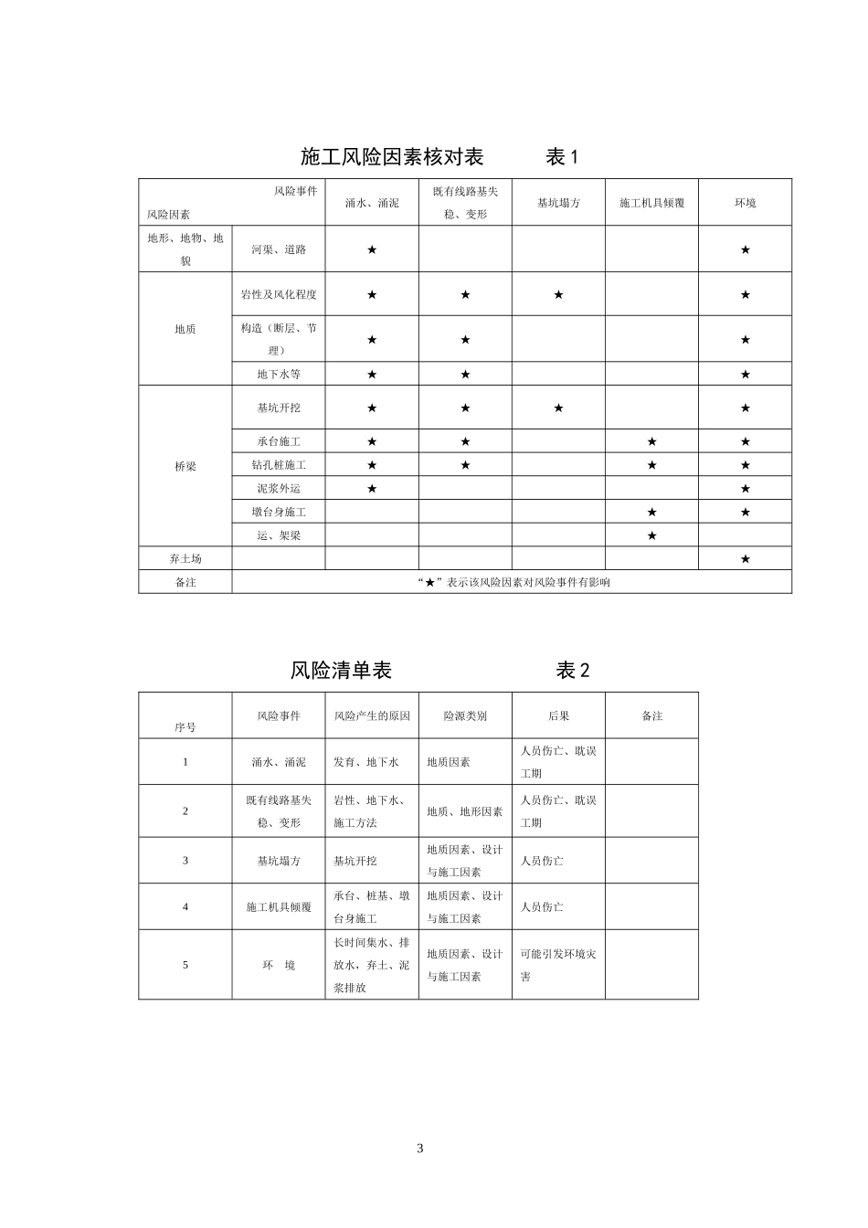
萧甬铁路绍兴县城区段改造工程桥梁风险评估与对策(1)设计依据铁道部铁鉴函[2010]98号《关于萧甬铁路绍兴县城区改造工程初步设计的批复》。《铁路建设工程安全风险管理暂行办法》(铁建设[2010]162号文)。(2)相关的国家和行业标准、规范及规定①《铁路桥涵设计基本规范》(TB10002.1-2005)②《铁路桥涵地基和基础设计规范》(TB10002.5-2005)③《铁路桥涵钢筋混凝土和预应力混凝土结构设计规范》(TB10002.3-2005)④《铁路工程抗震设计规范》(GB50111-2006)(2009年版)⑤《公路工程技术标准》(JTGB01-2003)⑥《城市道路设计规范》CJJ37-90⑦《公路钢筋混凝土及预应力混凝土桥涵设计规范》(JTGD62-2004)⑧《内河通航标准》(GB50139-2004)⑨《铁路混凝土结构耐久性设计暂行规定》(铁建设[2005]157号)及"局部修订条文"(铁建设[2007]140号)⑩《职工工伤与职业病致残程度鉴定标准》(GB/T16180-2006)(3)桥梁基础资料①萧甬铁路绍兴县城区段改造工程平、纵断面资料②钱清站平面布置图③萧甬铁路绍兴县城区段改造工程地质勘查说明1(4)风险评估流程和评估方法风险评估流程如下图所示:(5)风险源识别通过对本工程地质勘察报告及现有资料的分析,结合本工程设计过程中所确定的设计方案、采用的围护措施、施工方法等因素,本工程施工设计阶段各风险因素见表1。(6)风险源清单根据本工程地质情况、设计情况及风险因素表,可分析本工程风险清单见表2。(7)初始风险等级本工程存在的初始风险等级见表3。(8)初始风险评估及对策措施本工程初始风险对策措施见表4。2施工风险因素核对表表1风险事件涌水、涌泥既有线路基失稳、变形基坑塌方施工机具倾覆环境风险因素地形、地物、地貌河渠、道路★★地质岩性及风化程度★★★★构造(断层、节理)★★★地下水等★★★桥梁基坑开挖★★★★承台施工★★★★钻孔桩施工★★★★泥浆外运★★墩台身施工★★运、架梁★弃土场★备注“★”表示该风险因素对风险事件有影响风险清单表表2序号风险事件风险产生的原因险源类别后果备注1涌水、涌泥发育、地下水地质因素人员伤亡、耽误工期2既有线路基失稳、变形岩性、地下水、施工方法地质、地形因素人员伤亡、耽误工期3基坑塌方基坑开挖地质因素、设计与施工因素人员伤亡4施工机具倾覆承台、桩基、墩台身施工地质因素、设计与施工因素人员伤亡5环境长时间集水、排放水,弃土、泥浆排放地质因素、设计与施工因素可能引发环境灾害3初始风险等级表表3起始里程终止里程长度风险事件涌水、涌泥既有线路基失稳变形基坑塌方施工机具倾覆环境影响备注(m)概率等级后果等级风险等级概率等级后果等级风险等级概率等级后果等级风险等级概率等级后果等级风险等级概率等级后果等级风险等级1DK019+228.18DK019+255.8827.7涌水、环境影响42高度42高度钱清站内新建过水框架桥2DK019+386.15DK019+413.8527.7涌水、既有线路基失稳变形、施工机具倾覆、基坑塌方42高度44极高53高度43高度42高度钱清站内顶进施工框架桥3DK024+104.37DK024+143.2738.9涌水、既有线路基失稳变形、施工机具倾覆、基坑塌方42高度44极高42高度43高度42高度区间新建框架桥4DK024+472.90DK030+133.725660.82涌水、既有线路基失稳变形、施工机具倾覆、基坑塌方、环境影响42高度44极高42高度42高度42高度柯桥特大桥5DK030+172.81DK030+200.5127.7涌水、既有线路基失稳变形、施工机具倾覆、基坑塌方42高度42高度42高度42高度42高度区间新建框架桥初始风险对策措施表表44序号起始终止长度风险事件涌水、涌泥既有线路基失稳、变形基坑塌方施工机具倾覆环境影响备注里程里程(m)风险等级对策措施风险等级对策措施风险等级对策措施风险等级对策措施风险等级对策措施1DK019+228.18DK019+255.8827.7涌水、环境影响高度采用钢板桩围护止水高度及时抽排水,泥浆及时外运,防止污染水源钱清站内新建过水框架桥2DK019+386.15DK019+413.8527.7涌水、既有线路基失稳变形、施工机具倾覆、基坑塌方高度基坑内采用井点降水,箱身及引道钻孔桩外侧采用高压旋喷桩止水极高箱身靠近既有线侧和引道采用钻孔桩维护高度箱身靠近既有线侧和引道采用钻孔桩维护...

1、当您付费下载文档后,您只拥有了使用权限,并不意味着购买了版权,文档只能用于自身使用,不得用于其他商业用途(如 [转卖]进行直接盈利或[编辑后售卖]进行间接盈利)。
2、本站所有内容均由合作方或网友上传,本站不对文档的完整性、权威性及其观点立场正确性做任何保证或承诺!文档内容仅供研究参考,付费前请自行鉴别。
3、如文档内容存在违规,或者侵犯商业秘密、侵犯著作权等,请点击“违规举报”。

碎片内容

萧甬铁路绍兴县城区段改造工程桥梁风险评估与对策

确认删除?
VIP
微信客服
  • 扫码咨询
会员Q群
  • 会员专属群点击这里加入QQ群
客服邮箱
回到顶部