电脑桌面
添加小米粒文库到电脑桌面
安装后可以在桌面快捷访问

进售价变更与各种促销流程说明VIP免费

进售价变更与各种促销流程说明_第1页
1/5
进售价变更与各种促销流程说明_第2页
2/5
进售价变更与各种促销流程说明_第3页
3/5
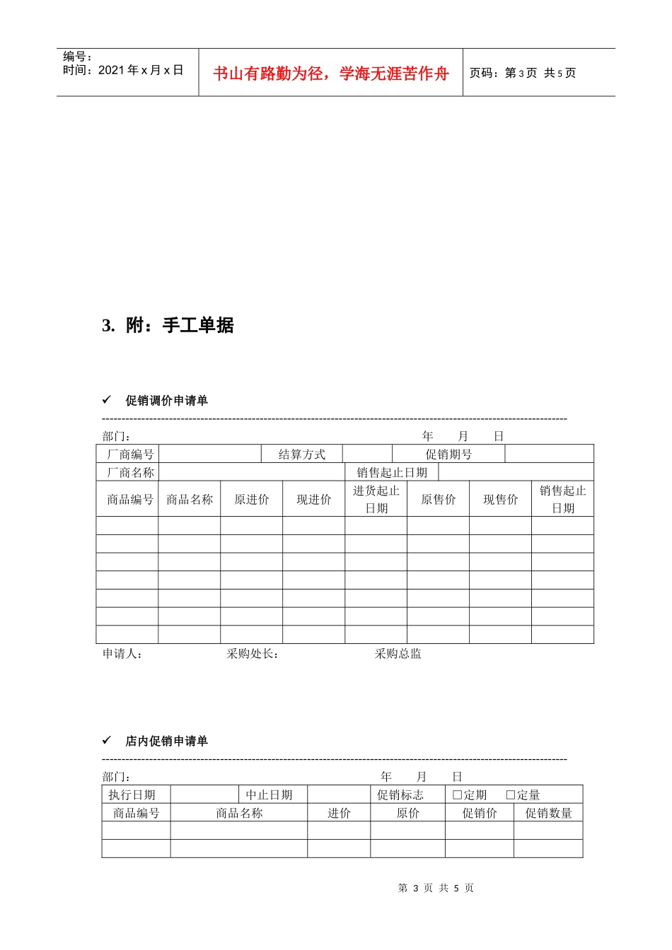
第1页共5页编号:时间:2021年x月x日书山有路勤为径,学海无涯苦作舟页码:第1页共5页进售价变更与各种促销流程的说明1.概念1.1.进价变更进价变更是指商品默认进价的永久性变更,由DM促销等原因而产生的进价变化不包含在此范围内。1.2.售价变更进价变更是指商品默认售价的永久性变更,由促销等原因而产生的售价变化不包含在此范围内。1.3.促销规划、促销安排此流程适合于,有进货起止日期、销售起止日期,并且进价、售价都有阶段性调整的促销活动。例如:促销规划:促销期进货开始日期进货结束日期销售开始日期销售结束日期1开业DM促销2001年12月18日2002年1月11日2001年12月25日2002年1月3日促销安排:促销期:1开业DM促销供应商编号商品编号原进价促销进价原售价促销售价进货开始日期进货结束日期销售开始日期销售结束日期000001000007251530202002-12-182002-1-112001-12-252002-1-30000010000148575100902002-12-202002-1-92001-12-252002-1-10000990077774003504504102002-12-182002-1-112001-12-252002-1-3在一个阶段的促销期间内只需定义一个促销规划。将相应的促销商品通过‘促销安排’列入此‘促销规划’中,具体的进货起止日期和第2页共5页第1页共5页编号:时间:2021年x月x日书山有路勤为径,学海无涯苦作舟页码:第2页共5页销售起止日期可以与此促销规划不完全相同,可以根据实际情况做具体的调整。必须注明供应商,因为有可能一品多商情况存在。取消促销:新建促销安排,对原促销安排进行修改(属于同一促销规划才可修改),可将进货结束日期或销售结束日期改为今天或今天以前,则促销会立即被取消。修改促销进售价、日期:新建促销安排,对原促销安排进行修改(属于同一促销规划才可修改)。进货开始日期或销售开始日期如果定义为当天或者当天以前,则进价或售价调整立即生效。1.4.店内促销此流程适合于,有销售起止日期,进价无需调整而只调整售价的阶段性促销。有定期或定量两种方式。定期:只需填写销售起止日期。定量:需填写限定销售数量和销售起止日期。此种促销为双重限制,如在销售截至日期时销量仍未达到限定数量,也会结束促销。如只限制数量,可将销售截至日期延至较远。做定量促销时需注意价签及时更换的问题。店内促销与促销安排不能重叠进行。1.5.单品促销折让最多可设置三个级别的适用数量和折让率,购买一定数量(须在POS机收银时用数量键)时,系统会自动调出相应的折扣率。其他同店内促销。1.6.单品时点促销折让最多可设置6个时间段的折让率,到所设定的时间时系统会自动将售价进行折扣。对生鲜商品较为适用,但需按设定时间准时进行电子称传输。2.流程第3页共5页第2页共5页编号:时间:2021年x月x日书山有路勤为径,学海无涯苦作舟页码:第3页共5页3.附:手工单据促销调价申请单----------------------------------------------------------------------------------------------------------------------部门:年月日厂商编号结算方式促销期号厂商名称销售起止日期商品编号商品名称原进价现进价进货起止日期原售价现售价销售起止日期申请人:采购处长:采购总监店内促销申请单----------------------------------------------------------------------------------------------------------------------部门:年月日执行日期中止日期促销标志□定期□定量商品编号商品名称进价原价促销价促销数量第4页共5页第3页共5页编号:时间:2021年x月x日书山有路勤为径,学海无涯苦作舟页码:第4页共5页申请人:处长:采购:店长:注:执行日期和终止日期必须填写。如为定量促销,请填写促销数量。单品促销折让申请单----------------------------------------------------------------------------------------------------------------------部门:年月日促销类型□折让□利是定量促销标志□定期□定量开始日期结束日期开始时间结束时间商品编号商品名称促销数量折让率1适用数量1折让率2适用数量2折让率3适用数量3申请人:处长:店长:单品时点促销折让申请单--------------------------------------------------------...

1、当您付费下载文档后,您只拥有了使用权限,并不意味着购买了版权,文档只能用于自身使用,不得用于其他商业用途(如 [转卖]进行直接盈利或[编辑后售卖]进行间接盈利)。
2、本站所有内容均由合作方或网友上传,本站不对文档的完整性、权威性及其观点立场正确性做任何保证或承诺!文档内容仅供研究参考,付费前请自行鉴别。
3、如文档内容存在违规,或者侵犯商业秘密、侵犯著作权等,请点击“违规举报”。

碎片内容

进售价变更与各种促销流程说明

确认删除?
VIP
微信客服
  • 扫码咨询
会员Q群
  • 会员专属群点击这里加入QQ群
客服邮箱
回到顶部