电脑桌面
添加小米粒文库到电脑桌面
安装后可以在桌面快捷访问

车辆生产企业及产品(第189批)VIP免费

车辆生产企业及产品(第189批)_第1页
1/26
车辆生产企业及产品(第189批)_第2页
2/26
车辆生产企业及产品(第189批)_第3页
3/26
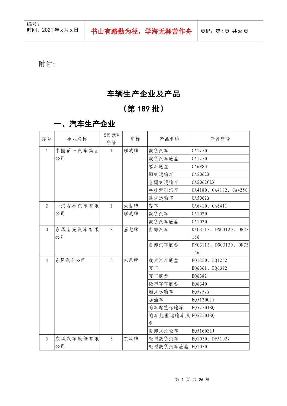
第1页共26页编号:时间:2021年x月x日书山有路勤为径,学海无涯苦作舟页码:第1页共26页附件:车辆生产企业及产品(第189批)一、汽车生产企业序号企业名称《目录》序号商标产品名称产品型号1中国第一汽车集团公司1解放牌载货汽车CA1250载货汽车底盘CA1250客车底盘CA6983厢式运输车CA5062X仓栅式运输车CA5062CLX半挂牵引汽车CA4180、CA4182、CA4250篷式运输车CA5062X2一汽吉林汽车有限公司1大发牌客车CA6410、CA6411解放牌载货汽车CA1020载货汽车底盘CA10203东风南充汽车有限公司3嘉龙牌自卸汽车DNC3113、DNC3120、DNC3166自卸汽车底盘DNC3113、DNC3130、DNC31664东风汽车公司3东风牌载货汽车底盘EQ1250、EQ1252客车EQ6361、EQ6392客车底盘EQ6382微型客车底盘EQ6340厢式运输车EQ5252X加油车EQ5120GJY随车起重运输车EQ5250JSQ随车起重运输车底盘EQ5250JSQ自卸式垃圾车EQ5160ZLJ5东风汽车股份有限公司3东风牌轻型载货汽车EQ1030、DFA1027轻型载货汽车底盘EQ1030第2页共26页第1页共26页编号:时间:2021年x月x日书山有路勤为径,学海无涯苦作舟页码:第2页共26页序号企业名称《目录》序号商标产品名称产品型号载货汽车EQ1041、EQ1080、EQ1100、EQ1160载货汽车底盘EQ1041、EQ1080、EQ1100、EQ1160厢式运输车EQ5030X、EQ5041X、EQ5042X、EQ5043X、EQ5080X、EQ5140X仓栅式运输车EQ5030CCQ、EQ5041CCQ、EQ5080CCQ、EQ5160CCQ工程抢险车EQ5042TQX篷式运输车EQ5080X6东风汽车有限公司3东风牌载货汽车DFL1160、DFL1311载货汽车底盘DFL1160、DFL1250、EQ1090、EQ1120自卸汽车DFL3311、EQ3060、EQ3080、EQ3122、EQ3126、EQ3240、EQ3258、EQ3318自卸汽车底盘EQ3080、EQ3122、EQ3126、EQ3240、EQ3258城市客车EQ6730客车EQ6660客车底盘EQ6690、EQ6700、EQ6761、EQ6870、EQ6971、EQ6991客厢式运输车EQ5080X厢式运输车DFL5160X、EQ5108X、EQ5126X翼开启厢式运输车DFL5311X仓栅式运输车DFL5160CCQ7东风日产柴汽车有限公司3东风日产柴牌载货汽车DND1253载货汽车底盘DND12538神龙汽车有限公司4东风雪铁龙牌两用燃料轿车DC71639上海通用汽车有限公司6别克(BUICK)牌轿车SGM720610北京北方华德尼奥普兰客车股份有限7北方牌豪华旅游客车BFC6110、BFC6120、BFC6122、BFC6123、BFC6129第3页共26页第2页共26页编号:时间:2021年x月x日书山有路勤为径,学海无涯苦作舟页码:第3页共26页序号企业名称《目录》序号商标产品名称产品型号公司、BFC690011北京汽车制造厂有限公司9北京牌厢式运输车BJ5054X、BJ5074X仓栅式运输车BJ5054CCY、BJ5074CCY12北汽福田汽车股份有限公司9福田牌载货汽车BJ1030、BJ1041、BJ1049、BJ1051、BJ1059、BJ1061、BJ1123、BJ1129、BJ1156、BJ1163、BJ1253、BJ1258、BJ1303、BJ1042载货汽车底盘BJ1030、BJ1041、BJ1049、BJ1051、BJ1059、BJ1061、BJ1123、BJ1129、BJ1163、BJ1248、BJ1253、BJ1258、BJ1303、BJ1042自卸汽车BJ3052、BJ3053、BJ3183、BJ3198、BJ3258、BJ3317自卸汽车底盘BJ3052、BJ3053、BJ3258、BJ3193、BJ3198客车BJ6126、BJ6830客车底盘BJ6126、BJ6820厢式运输车BJ5030、BJ5049、BJ5051、BJ5059、BJ5061、BJ5081、BJ5113、BJ5123、BJ5129、BJ5163、BJ5168、BJ5248、BJ5253、BJ5258、BJ5303、BJ5042仓栅式运输车BJ5030、BJ5049、BJ5051、BJ5059、BJ5113、BJ5163、BJ5248、BJ5253、BJ5258、BJ5303、BJ5129多用途乘用车BJ6438混合动力城市客车BJ6123混合动力城市客车底盘BJ6123广告宣传车BJ5081X篷式运输车BJ525313北京轻型汽车有限公司11北京牌厢式运输车BJ5041X第4页共26页第3页共26页编号:时间:2021年x月x日书山有路勤为径,学海无涯苦作舟页码:第4页共26页序号企业名称《目录》序号商标产品名称产品型号14长城汽车股份有限公司15长城牌旅行车CC6461轻型货车CC1021、CC1027轿车CC713115天津天汽集团美亚汽车制造有限公司16美亚(MEIYA)牌轻型客车TM6481、TM651016天津一汽夏利汽车股份有限公司18夏利牌轿车TJ7103、TJ713317河北红星汽车制造有限公司21红星牌底盘HX644018河北长安汽车有限公司22长安牌客车SC666119中信机电制造公司25华丰牌客车JHC6660客车底盘JHC65702...

1、当您付费下载文档后,您只拥有了使用权限,并不意味着购买了版权,文档只能用于自身使用,不得用于其他商业用途(如 [转卖]进行直接盈利或[编辑后售卖]进行间接盈利)。
2、本站所有内容均由合作方或网友上传,本站不对文档的完整性、权威性及其观点立场正确性做任何保证或承诺!文档内容仅供研究参考,付费前请自行鉴别。
3、如文档内容存在违规,或者侵犯商业秘密、侵犯著作权等,请点击“违规举报”。

碎片内容

车辆生产企业及产品(第189批)

您可能关注的文档

中小学教育精品资料+ 关注
实名认证
内容提供者

中小学教育资料,优质文档创作者

确认删除?
VIP
微信客服
  • 扫码咨询
会员Q群
  • 会员专属群点击这里加入QQ群
客服邮箱
回到顶部