电脑桌面
添加小米粒文库到电脑桌面
安装后可以在桌面快捷访问

车辆生产企业及产品(第203批)公告VIP免费

车辆生产企业及产品(第203批)公告_第1页
1/40
车辆生产企业及产品(第203批)公告_第2页
2/40
车辆生产企业及产品(第203批)公告_第3页
3/40
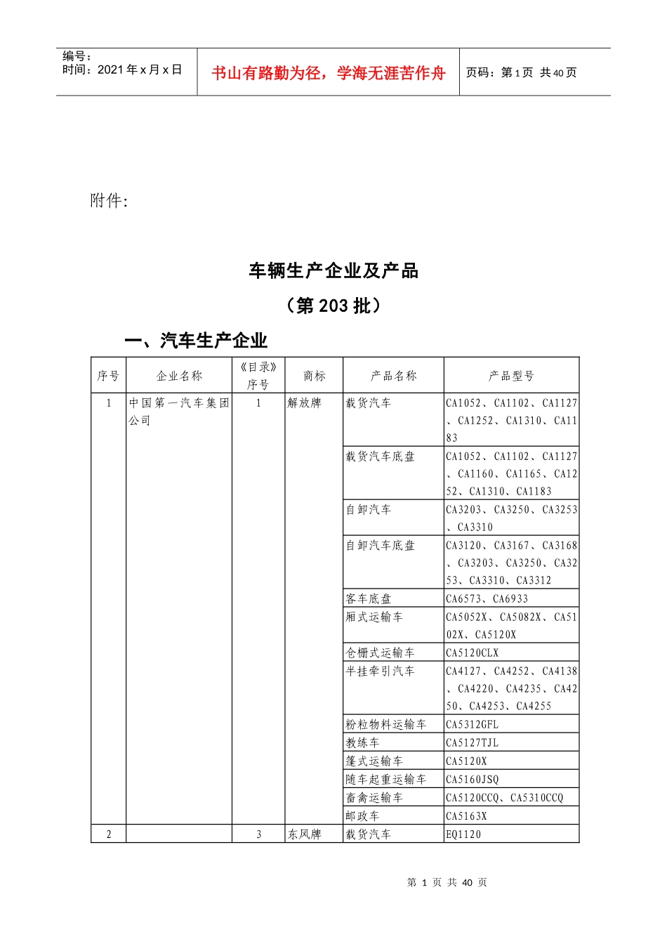
第1页共40页编号:时间:2021年x月x日书山有路勤为径,学海无涯苦作舟页码:第1页共40页附件:车辆生产企业及产品(第203批)一、汽车生产企业序号企业名称《目录》序号商标产品名称产品型号1中国第一汽车集团公司1解放牌载货汽车CA1052、CA1102、CA1127、CA1252、CA1310、CA1183载货汽车底盘CA1052、CA1102、CA1127、CA1160、CA1165、CA1252、CA1310、CA1183自卸汽车CA3203、CA3250、CA3253、CA3310自卸汽车底盘CA3120、CA3167、CA3168、CA3203、CA3250、CA3253、CA3310、CA3312客车底盘CA6573、CA6933厢式运输车CA5052X、CA5082X、CA5102X、CA5120X仓栅式运输车CA5120CLX半挂牵引汽车CA4127、CA4252、CA4138、CA4220、CA4235、CA4250、CA4253、CA4255粉粒物料运输车CA5312GFL教练车CA5127TJL篷式运输车CA5120X随车起重运输车CA5160JSQ畜禽运输车CA5120CCQ、CA5310CCQ邮政车CA5163X23东风牌载货汽车EQ1120第2页共40页第1页共40页编号:时间:2021年x月x日书山有路勤为径,学海无涯苦作舟页码:第2页共40页序号企业名称《目录》序号商标产品名称产品型号东风南充汽车有限公司载货汽车底盘EQ1120嘉龙牌载货汽车DNC1160载货汽车底盘DNC1160自卸汽车DNC3063、DNC3300、DNC3310自卸汽车底盘DNC3063、DNC3300、DNC3310厢式运输车DNC5110GXX仓栅式运输车DNC5160GCC3东风汽车公司3东风牌载货汽车EQ1300载货汽车底盘EQ1161、EQ1300自卸汽车EQ3300自卸汽车底盘EQ3300客车底盘EQ6630仓栅式运输车EQ5250CCQ、EQ5300CCQ、EQ5311CCQ加油车EQ5070GJY随车起重运输车EQ5258JSQ、EQ5311JSQ随车起重运输车底盘EQ5258JSQ风神牌混合动力轿车DFM7161华神牌载货汽车DFD11614东风汽车股份有限公司3东风牌载货汽车EQ1041、EQ1050、EQ1160载货汽车底盘EQ1041、EQ1050、EQ1160自卸汽车EQ3120、EQ3150、EQ3152、EQ3166自卸汽车底盘EQ3120、EQ3150、EQ3166客车DFA6500、DFA6570、DFA6630客车底盘EQ6101、EQ6700厢式运输车DFA5040X、EQ5041X、EQ5048X、EQ5049X、EQ5050X、EQ5160X仓栅式运输车EQ5041CCQ、EQ5050CCQ、EQ5160CCQ挤奶车DFA5060X流动舞台车EQ5040X第3页共40页第2页共40页编号:时间:2021年x月x日书山有路勤为径,学海无涯苦作舟页码:第3页共40页序号企业名称《目录》序号商标产品名称产品型号俊风牌轻型载货汽车DFA1021轻型载货汽车底盘DFA1021厢式运输车DFA5021X仓栅式运输车DFA5021CCQ5东风汽车有限公司3东风牌载货汽车DFL1100、DFL1140、DFL1160、DFL1311载货汽车底盘DFL1100、DFL1140、DFL1160、DFL1200、EQ1120自卸汽车DFL3200、DFL3258、EQ3310、DFL3060、EQ3066自卸汽车底盘DFL3060、DFL3258、EQ3066、EQ3310城市客车EQ6850客车EQ6600、EQ6791客车底盘EQ6530、EQ6771、EQ6800、EQ6821仓栅式运输车DFL5200CCQ粉粒物料运输车DFL5311GFL化工液体运输车DFL5253GHY、DFL5311GHY混凝土搅拌运输车DFL5251GJB小学生校车EQ6730、EQ68506上海大众汽车有限公司5昊锐(Superb)牌轿车SVW7149朗逸(LAVIDA)牌轿车SVW7167明锐(Octavia)牌轿车SVW7146、SVW7166、SVW7186、SVW7206帕萨特牌轿车SVW7183桑塔纳(SANTANAVISTA)牌轿车SVW71627北京北方华德尼奥普兰客车股份有限公司7北方牌豪华旅游客车BFC6120、BFC61202DBAG、BFC6127豪华双层客车BFC6140、BFC61418金华青年汽车制造有限公司7青年牌豪华旅游客车JNP6140混合动力城市客车JNP6120第4页共40页第3页共40页编号:时间:2021年x月x日书山有路勤为径,学海无涯苦作舟页码:第4页共40页序号企业名称《目录》序号商标产品名称产品型号9北京汽车制造厂有限公司9北京牌底盘BJ1040、BJ1051、BJ1070、BJ1074、BJ1106、BJ1126普通货车BJ1040、BJ1051、BJ1070、BJ1074、BJ1106、BJ112610北汽福田汽车股份有限公司9福田牌载货汽车BJ1061、BJ1093、BJ1109、BJ1129、BJ1143、BJ1153、BJ1163载货汽车底盘BJ1061、BJ1092、BJ1093、BJ1109、BJ1129、BJ1143、BJ1153、BJ1163自卸汽车BJ3042、BJ3061、BJ3081、BJ3083、BJ3113、BJ3153、BJ3163、BJ3168、BJ3258、BJ3288自卸汽车底盘BJ3042、BJ3061、BJ3081、BJ3083、BJ3113、BJ3153、BJ3163、BJ3168、BJ3258纯电动城市客车BJ61...

1、当您付费下载文档后,您只拥有了使用权限,并不意味着购买了版权,文档只能用于自身使用,不得用于其他商业用途(如 [转卖]进行直接盈利或[编辑后售卖]进行间接盈利)。
2、本站所有内容均由合作方或网友上传,本站不对文档的完整性、权威性及其观点立场正确性做任何保证或承诺!文档内容仅供研究参考,付费前请自行鉴别。
3、如文档内容存在违规,或者侵犯商业秘密、侵犯著作权等,请点击“违规举报”。

碎片内容

车辆生产企业及产品(第203批)公告

确认删除?
VIP
微信客服
  • 扫码咨询
会员Q群
  • 会员专属群点击这里加入QQ群
客服邮箱
回到顶部