电脑桌面
添加小米粒文库到电脑桌面
安装后可以在桌面快捷访问

通风机安装工程竣工报告VIP免费

通风机安装工程竣工报告_第1页
1/154
通风机安装工程竣工报告_第2页
2/154
通风机安装工程竣工报告_第3页
3/154
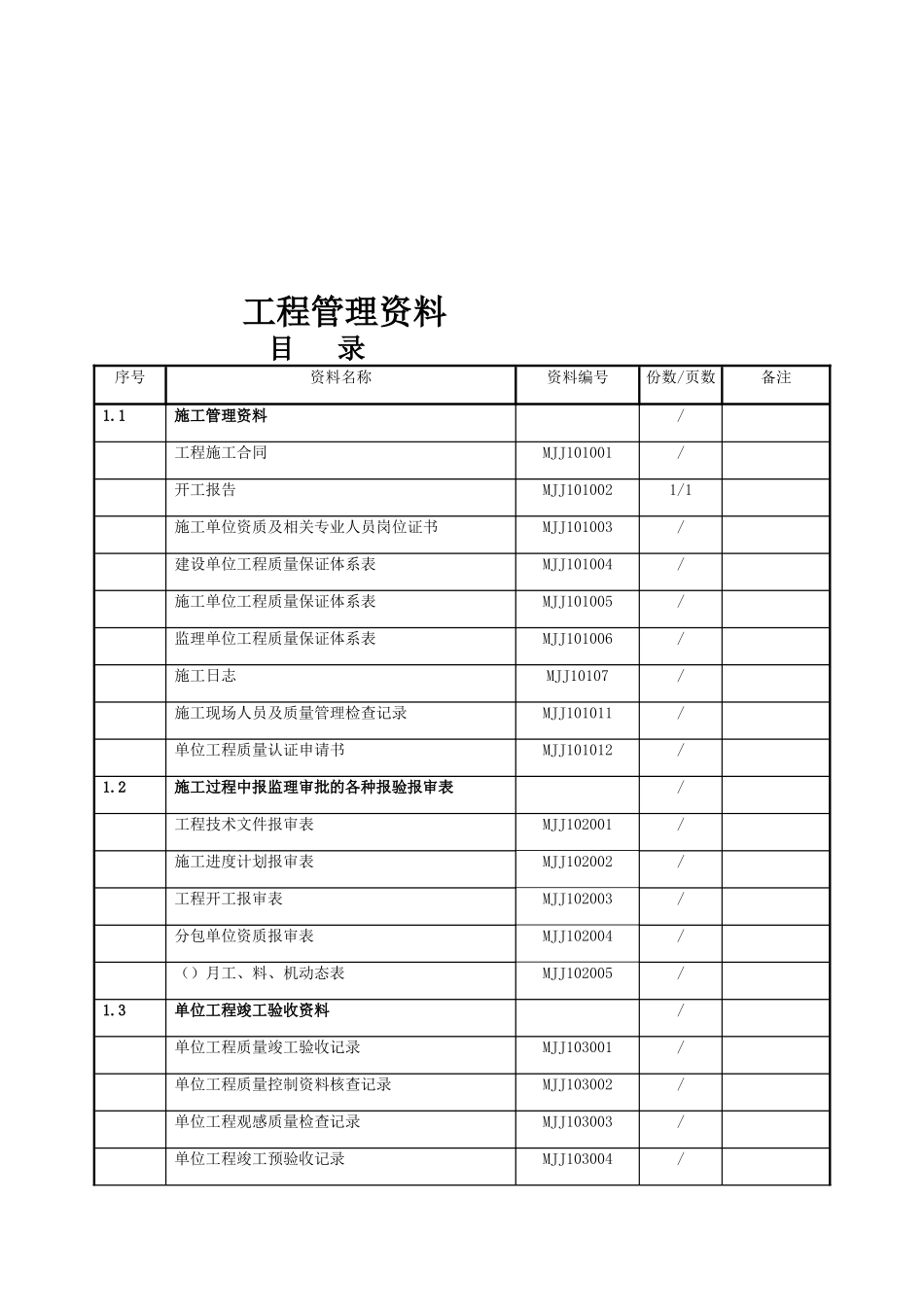
巩留县塔拉迪煤矿扇风机房机械设备安装技术资料工程管理资料目录序号资料名称资料编号份数/页数备注1.1施工管理资料/工程施工合同MJJ101001/开工报告MJJ1010021/1施工单位资质及相关专业人员岗位证书MJJ101003/建设单位工程质量保证体系表MJJ101004/施工单位工程质量保证体系表MJJ101005/监理单位工程质量保证体系表MJJ101006/施工日志MJJ10107/施工现场人员及质量管理检查记录MJJ101011/单位工程质量认证申请书MJJ101012/1.2施工过程中报监理审批的各种报验报审表/工程技术文件报审表MJJ102001/施工进度计划报审表MJJ102002/工程开工报审表MJJ102003/分包单位资质报审表MJJ102004/()月工、料、机动态表MJJ102005/1.3单位工程竣工验收资料/单位工程质量竣工验收记录MJJ103001/单位工程质量控制资料核查记录MJJ103002/单位工程观感质量检查记录MJJ103003/单位工程竣工预验收记录MJJ103004/单位工程质量竣工报告(施工单位)MJJ103005/单位工程质量检查报告(勘察单位)MJJ103006/单位工程质量检查报告(设计单位)MJJ103007/单位工程质量评估报告(监理单位)MJJ103008/单位工程竣工验收报告(建设单位)MJJ103009/工程施工合同MJJ101001001开工报告MJJ101002002单项工程名称巩留县塔拉迪煤矿扇风机房机械设备安装工程地点巩留县巴依托海乡塔拉迪煤矿单位工程名称扇风机房机械设备安装单位工程编号计划开工时间2016年11月5日实际开工时间2016年12月10日施工单位名称陕西少华建筑工程有限公司工程总价万元工程量及简要内容工程内容:安装FBCDZ-6-№19型煤矿地面用防爆轴流通风机两台通风机配套电机YBF2-315S-6132KW电机两台配套变频柜、配电柜YJV223×95m㎡+1×50m㎡电缆双趟各500米我单位承担的该单位工程的准备工作已完成,并已报验通过下列内容:□工程施工组织设计□工程用材料和设备□施工用大型机械设备□首道工序的分项施工方案□施工测量申请于2016年11月5日开工,请核准。附件:1、项目经理部到岗人员情况一览表及有关证件。2、进场材料、设备名称、数量、规格、性能一览表。3、工长与特殊工种的姓名、职称、上岗证一览表及有关证件。4、施工合同对以上3条内容的对应要求。承包单位项目经理部(章):陕西少华建筑工程有限公司项目经理:尚玉邦日期:2016年11月4日审批单位意监理单位:(公章)建设单位:(公章)质量监督部门:(公章)见总监工程师:闫建信年月日项目负责人:尚玉邦年月日监督工程师:年月日施工单位资质及相关专业人员岗位证书MJJ101003003工程名称:巩留县塔拉迪煤矿扇风机房机械设备安装工程施工单位:陕西少华建筑工程有限公司建设单位工程质量保证体系表MJJ101004004工程名称巩留县塔拉迪煤矿扇风机房机械设备安装工程单位名称巩留县塔拉迪煤矿邮编地址联系电话法定代表人单位技术负责人职务姓名专业职称证书编号分工备注项目负责人高级工程师08002086项目负责人全面项目技术负责人高级工程师030203012037技术各专业负责人现场助理工程师201001387现场技术助理工程师08231040228质检施工单位工程质量保证体系表MJJ101006005监理单位工程质量保证体系表MJJ101007006工程名称巩留县塔拉迪煤矿扇风机房机械设备安装工程单位名称陕西少华建筑工程有限公司邮编710054地址西安市雁塔区南二环东段352号联系电话029-81300002专业范围及资质等级矿山工程施工总承包二级资质证号A20740610000401/4法定代表人高海军单位技术负责人韩文俊职务(或工种)姓名专业职称证书编号分工备注项目负责人尚玉邦建造师00673822技术负责人曾兆军采矿工程师201123767专业质检员工程名称巩留县塔拉迪煤矿扇风机房机械设备安装工程单位名称新疆天阳建筑工程监理有限责任公司邮编830000地址新疆乌鲁木齐市沙依巴克区南昌路177号联系电话0991-4512697专业范围及资质等级矿山工程监理甲级资质证号法定代表人张波单位技术负责人闫建信职务姓名专业职称证书编号分工备注项目总监闫建信高级工程师A20071026监理工程师刘洪义机电监理工程师见证取样员施工日志MJJ101007□□□日期:2016年11月5日星期:六天气状况风力最高/最低温度备注白天晴2级12夜间晴2级1生产情况记录:(部位项目...

1、当您付费下载文档后,您只拥有了使用权限,并不意味着购买了版权,文档只能用于自身使用,不得用于其他商业用途(如 [转卖]进行直接盈利或[编辑后售卖]进行间接盈利)。
2、本站所有内容均由合作方或网友上传,本站不对文档的完整性、权威性及其观点立场正确性做任何保证或承诺!文档内容仅供研究参考,付费前请自行鉴别。
3、如文档内容存在违规,或者侵犯商业秘密、侵犯著作权等,请点击“违规举报”。

碎片内容

通风机安装工程竣工报告

您可能关注的文档

确认删除?
VIP
微信客服
  • 扫码咨询
会员Q群
  • 会员专属群点击这里加入QQ群
客服邮箱
回到顶部