电脑桌面
添加小米粒文库到电脑桌面
安装后可以在桌面快捷访问

现代汽车维修实训中心VIP免费

现代汽车维修实训中心_第1页
1/3
现代汽车维修实训中心_第2页
2/3
现代汽车维修实训中心_第3页
3/3
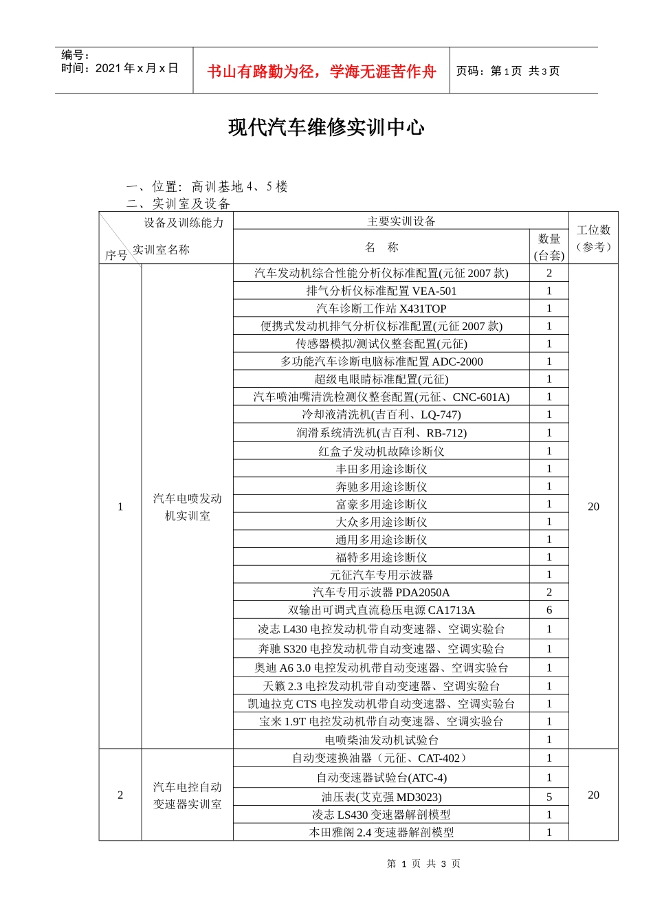
第1页共3页编号:时间:2021年x月x日书山有路勤为径,学海无涯苦作舟页码:第1页共3页现代汽车维修实训中心一、位置:高训基地4、5楼二、实训室及设备序号主要实训设备工位数(参考)名称数量(台套)1汽车电喷发动机实训室汽车发动机综合性能分析仪标准配置(元征2007款)220排气分析仪标准配置VEA-5011汽车诊断工作站X431TOP1便携式发动机排气分析仪标准配置(元征2007款)1传感器模拟/测试仪整套配置(元征)1多功能汽车诊断电脑标准配置ADC-20001超级电眼睛标准配置(元征)1汽车喷油嘴清洗检测仪整套配置(元征、CNC-601A)1冷却液清洗机(吉百利、LQ-747)1润滑系统清洗机(吉百利、RB-712)1红盒子发动机故障诊断仪1丰田多用途诊断仪1奔驰多用途诊断仪1富豪多用途诊断仪1大众多用途诊断仪1通用多用途诊断仪1福特多用途诊断仪1元征汽车专用示波器1汽车专用示波器PDA2050A2双输出可调式直流稳压电源CA1713A6凌志L430电控发动机带自动变速器、空调实验台1奔驰S320电控发动机带自动变速器、空调实验台1奥迪A63.0电控发动机带自动变速器、空调实验台1天籁2.3电控发动机带自动变速器、空调实验台1凯迪拉克CTS电控发动机带自动变速器、空调实验台1宝来1.9T电控发动机带自动变速器、空调实验台1电喷柴油发动机试验台12汽车电控自动变速器实训室自动变速换油器(元征、CAT-402)120自动变速器试验台(ATC-4)1油压表(艾克强MD3023)5凌志LS430变速器解剖模型1本田雅阁2.4变速器解剖模型1实训室名称设备及训练能力第2页共3页第1页共3页编号:时间:2021年x月x日书山有路勤为径,学海无涯苦作舟页码:第2页共3页本田飞度CVT变速器解剖模型1大众01V变速器解剖模型1宝马523i变速器解剖模型1自动变速器翻转架(AE-J-AT)1自动变速器测试仪(TRANX2000)1凌志430自动变速器4别克4T-65E自动变速器4雅阁2.4(BCLA)自动变速器4飞度CVT(SWRA)自动变速器4帕萨特5档手自一体01V自动变速器5宝马528i5HP18自动变速器43汽车制动及转向控制实训室轮胎充氮气(鹰驰、PP308)120轮胎拆装机(元征、TWC-502RMB)1轮胎平衡机(元征、KWB-402)1制动液换油机(格林斯、DB-500)1凌志LS430悬挂电控及转向系统试验台1宝马523i电动助力转向系统试验台架1凌志LS430制动/牵引控制试验台1宝马523i制动/牵引控制试验台14汽车电子电器实训室凌志LS430全车线路实训台120凌志LS430SRS安全气嚷实训台1凌志LS430防盗及电动门窗实训台1奔驰320全车线路实训台1宝马523i全车线路实训台1奥迪A63.0全车线路实训台1卡迪拉克CTS全车线路实训台1奔驰320发动机电脑3宝马528发动机电脑3凌志400发动机电脑3奥迪A6发动机电脑3卡迪拉克发动机电脑2天籁发动机电脑3本田雅阁发动机电脑3汽车万能电器试验台(淄博科大、QD-C)1汽车专用示波器PDA2050A2双输出可调式直流稳压电源CA1713A7函数信号发生器GFG-8215A75汽车自动空调实训室冷媒加注回收中心(元征、MRF-301M)120罗宾耐尔冷媒加注回收中心(AC375C)1真空泵(博惠)7第3页共3页第2页共3页编号:时间:2021年x月x日书山有路勤为径,学海无涯苦作舟页码:第3页共3页岐管压力表(冠亚、环保型)7电子检漏仪(罗宾耐尔16600)2宝马多用途诊断仪1本田多用途诊断仪1宝马523i电控发动机带自动变速器、空调实验台1本田2.4电控发动机带自动变速器、空调实验台1双输出可调式直流稳压电源CA1713A26汽车整车实训室汽车发动机综合性能分析仪标准配置120西门子汽车废气分析仪1传感器模拟/测试仪整套配置1超级电眼睛标准配置1四柱举升机(元征、TLT-440W)1元征汽车专用示波器1汽车专用示波器PDA2050A1实训用改造丰田普瑞斯CA7150HVB整车1实训用改造奥迪A41.8T整车1实训用改造本田雅阁2.4整车1实训用改造宝马530Li整车1双柱举升机(元征、TLT-235SB)1

1、当您付费下载文档后,您只拥有了使用权限,并不意味着购买了版权,文档只能用于自身使用,不得用于其他商业用途(如 [转卖]进行直接盈利或[编辑后售卖]进行间接盈利)。
2、本站所有内容均由合作方或网友上传,本站不对文档的完整性、权威性及其观点立场正确性做任何保证或承诺!文档内容仅供研究参考,付费前请自行鉴别。
3、如文档内容存在违规,或者侵犯商业秘密、侵犯著作权等,请点击“违规举报”。

碎片内容

现代汽车维修实训中心

精品中小学文档+ 关注
实名认证
内容提供者

精品资料,值得下载

确认删除?
VIP
微信客服
  • 扫码咨询
会员Q群
  • 会员专属群点击这里加入QQ群
客服邮箱
回到顶部