电脑桌面
添加小米粒文库到电脑桌面
安装后可以在桌面快捷访问

钢结构单层厂房结构计算书VIP免费

钢结构单层厂房结构计算书_第1页
1/41
钢结构单层厂房结构计算书_第2页
2/41
钢结构单层厂房结构计算书_第3页
3/41
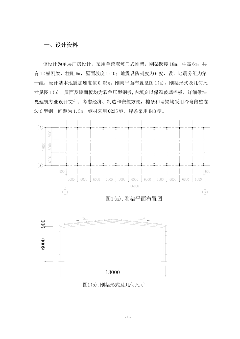
钢结构课程设计---王子涵一、设计资料该设计为单层厂房设计,采用单跨双坡门式刚架,刚架跨度18m,柱高6m;共有12榀刚架,柱距6m,屋面坡度1:10;地震设防列度为6度,设计地震分组为第一组,设计基本地震加速度值0.05g。刚架平面布置见图1(a),刚架形式及几何尺寸见图1(b)。屋面及墙面板均为彩色压型钢板,内填充以保温玻璃棉板,详细做法见建筑专业设计文件;考虑经济、制造和安装方便,檩条和墙梁均采用冷弯薄壁卷边C型钢,间距为1.5m,钢材采用Q235钢,焊条采用E43型。-1-112AB图1(a).刚架平面布置图图1(b).刚架形式及几何尺寸180006000900二、荷载计算(一)荷载取值计算1.屋盖永久荷载标准值(对水平投影面)YX51-380-760型彩色压型钢板0.15KN/m250mm厚保温玻璃棉板0.05KN/m2PVC铝箔及不锈钢丝网0.02KN/m2檩条及支撑0.10KN/m2刚架斜梁自重0.15KN/m2悬挂设备0.20KN/m2合计0.67KN/m22.屋面可变荷载标准值屋面活荷载:按不上人屋面考虑,取为0.50KN/m2。雪荷载:基本雪压S0=0.45KN/m2。对于单跨双坡屋面,屋面坡角α=5°42′38″,μr=1.0,雪荷载标准值Sk=μrS0=0.45KN/m2。取屋面活荷载与雪荷载中的较大值0.50KN/m2,不考虑积灰荷载。3.轻质墙面及柱自重标准值(包括柱、墙骨架等)0.50KN/m24.风荷载标准值按《门式刚架轻型房屋钢结构技术规程》CECS102:2002附录A的规定计算。基本风压ω0=1.05×0.45KN/m2,地面粗糙度类别为B类;风荷载高度变化系数按《建筑结构荷载规范》(GB50009-2001)的规定采用,当高度小于10m时,按10m高度处的数值采用,μz=1.0。风荷载体型系数μs:迎风面柱及屋面分别为+0.25和-1.0,背风面柱及屋面分别为+0.55和-0.65(CECS102:2002中间区)。5.地震作用据《全国民用建筑工程设计技术措施—结构》中第18.8.1条建议:单层门式刚架轻型房屋钢结构一般在抗震设防烈度小于等于7度的地区可不进行抗震计算。故本工程结构设计不考虑地震作用。(二)各部分作用的荷载标准值计算-2-屋面:恒荷载标准值:0.67×6=4.02KN/m活荷载标准值:0.50×6=3.00KN/m柱荷载:恒荷载标准值:0.5×6×6+4.02×9=54.18KN活荷载标准值:3.00×9=27.00KN风荷载标准值:迎风面:柱上qw1=0.47×6×0.25=0.71KN/m横梁上qw2=-0.47×6×1.0=-2.82KN/m背风面:柱上qw3=-0.47×6×0.55=-1.55KN/m横梁上qw4=-0.47×6×0.65=-1.83KN/m三、内力分析考虑本工程刚架跨度较小、厂房高度较低、荷载情况及刚架加工制造方便,刚架采用等截面,梁柱选用相同截面。柱脚按铰接支承设计。采用弹性分析方法确定刚架内力。引用《钢结构设计与计算》(包头钢铁设计研究院编著,机械工业出版社)中表2-29(铰接柱脚门式刚架计算公式)计算刚架内力。1.在恒荷载作用下λ=l/h=18/6=3ψ=f/h=0.9/6=0.15k=h/s=6/9.0449=0.6634μ=3+k+ψ(3+ψ)=3+0.6634+0.15×(3+0.15)=4.1359Φ=8+5Ψ4μ=8+5×0.154×4.1359=0.5289HA=HE=qlλΦ/8=4.02×18×3×0.5289/8=14.35KNMC=ql2[1-(1+ψ)Φ]/8=4.02x182[1-(1+0.15)×0.5289]=63.78KN·mMB=MD=-ql2Φ/8=-4.02×182×0.5289/8=-86.11KN·m刚架在恒荷载作用下的内力如图。-3-内力计算的“+、-”号规定:弯矩图以刚架外侧受拉为正,在弯矩图中画在受拉侧;轴力以杆件受压为正,剪力以绕杆端顺时针方向旋转为正。-4--86.11KN·m600018000ABCED63.78KN·m-86.11KN·m36.18KN18.00KN18.00KN36.18KN14.35KN14.35KNg=4.02KN/m图2.刚架在恒荷载作用下的M图54.18KN54.18KN17.68KN6000图3.刚架在恒荷载作用下的N图18000AEBCD36.18KN54.18KN14.08KN17.68KN36.18KN54.18KN++++2.在活荷载作用下VA=VE=27.00KNHA=HE=3.00×18×3×0.5289/8=10.71KNMC=3.00×182[1-(1+0.15)×0.5289]/8=47.60KN·mMB=MD=-3.00×182×0.5289/8=-64.26KN·m刚架在活荷载作用下的内力如图。-5-6000图4.刚架在恒荷载作用下的V图18000AE34.57KN14.35KNB1.43KNCD-+-14.35KN14.35KN14.35KN-++34.57KN1.43KN10.71KN-64.26KN·m6000图5.刚架在活荷载作用下的M图18000AEB47.60KN·mCq=3.00KN/mD27.00KN-64.26KN·m10.71KN27.00KN3.在风荷载作用下对于作用于屋面的风荷载可分解为水平方...

1、当您付费下载文档后,您只拥有了使用权限,并不意味着购买了版权,文档只能用于自身使用,不得用于其他商业用途(如 [转卖]进行直接盈利或[编辑后售卖]进行间接盈利)。
2、本站所有内容均由合作方或网友上传,本站不对文档的完整性、权威性及其观点立场正确性做任何保证或承诺!文档内容仅供研究参考,付费前请自行鉴别。
3、如文档内容存在违规,或者侵犯商业秘密、侵犯著作权等,请点击“违规举报”。

碎片内容

钢结构单层厂房结构计算书

精品中小学文档+ 关注
实名认证
内容提供者

精品资料,值得下载

确认删除?
VIP
微信客服
  • 扫码咨询
会员Q群
  • 会员专属群点击这里加入QQ群
客服邮箱
回到顶部