电脑桌面
添加小米粒文库到电脑桌面
安装后可以在桌面快捷访问

项目七初级钳工考工训练VIP免费

项目七初级钳工考工训练_第1页
1/35
项目七初级钳工考工训练_第2页
2/35
项目七初级钳工考工训练_第3页
3/35
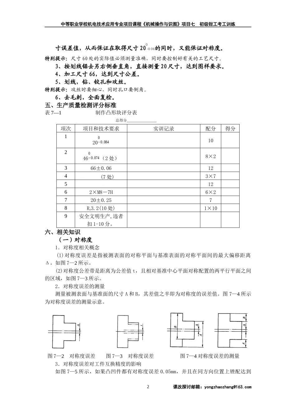
中等职业学校机电技术应用专业项目课程《机械操作与识图》项目七初级钳工考工训练项目七初级钳工考工训练(征求意见)前面几个项目,我们学习了钳工的一些基本技能。本项目就是运用以前学过的基本技能进行综合训练。你如果某些技能学得还不很扎实,本项目可给你一次机会,在加工零件的同时,把基本功练好,同时为钳工初级工考核作准备。学习目标:1、会识读零件图;2、会对尺寸公差、形位公差进行检测;3、会根据图纸要求加工板料内外表面、角度零件、开式镶配零件、锤子等一些典型零件。工作任务一制作凸形块一、工作图样图7—1凸形块二、读图图7—1主视图中,表示凸台左、右两面与对称中心线的对称度不大于0.12。技术要求中,要求去毛刺和孔口倒角。左视图中的螺纹采用了局部剖,左视图是局部剖视图。三、工作准备1、备料45(61×67×10)2、主要工量具丝锥M8、铰杠、螺纹塞规M8—7H、百分表四、工作步骤1、按对称形体划线方法划出凸台加工线。2、锯割、锉削加工左侧垂直角。根据60处的实际尺寸,通过控制40的尺课改探讨邮箱:yongzhaozhang@163.com1中等职业学校机电技术应用专业项目课程《机械操作与识图》项目七初级钳工考工训练寸误差值,从而保证在取得尺寸20的同时,又能保证对称度。特别提示:尺寸60处的实际值必须测量准确,同时要控制好有关的工艺尺寸。3、按划线锯去另右侧垂直角,直接测量20尺寸,达到图样要求。4、加工尺寸66,达到尺寸公差。5、划线,钻、铰孔和攻丝。特别提示:攻丝时要细心,同时孔口要倒角。6、去毛刺,全面复检。五、生产质量检测评分标准表7—1制作凸形块评分表总得分________________项次项目和技术要求实训记录配分得分120−0.084010246−0.0740(2处)8×2366±0.06124(7处)3×751262×M8-7H6×2720±0.2578Ra3.2(10处)1×109安全文明生产,违者扣1-10分。六、相关知识(一)对称度1.对称度相关概念(1)对称度误差是指被测表面的对称平面与基准表面的对称平面间的最大偏移距离Δ。如图7—2所示。(2)对称度公差带是距离为公差值t,且相对基准中心平面对称配置的两平行平面之间的区域,如图7—3所示。2.对称度误差的测量测量被测表面与基准面的尺寸A和B,其差值之半即为对称度的误差值。图7—4所示为对称度误差的测量示意。图7—2对称度误差图7—3对称度误差图7—4对称度误差的测量3.对称度误差对工件互换精度的影响如图7—5所示,如果凸凹件都有对称度误差0.05mm,并且在同方向位置上锉配达到课改探讨邮箱:yongzhaozhang@163.com2中等职业学校机电技术应用专业项目课程《机械操作与识图》项目七初级钳工考工训练要求间隙后,得到两侧基准面对齐,而调换180°后做配合就会产生两侧面基准面偏位误差,其总差值为0.1mm。(二)千分尺千分尺是一种精密的测微量具,用来测量加工精度要求较高的工件尺寸,主要有外径千分尺和内径千分尺两种。1.千分尺的结构(a)同方向位置的配合(b)调换后的配合图7—5对称度误差对工件互换精度的影响(1)千分尺主要由尺架、砧座、固定套管、微分筒、锁紧装置、测微螺杆、测力装置等组成。它的规格按测量范围分为:0~25mm、25~50mm、50~75mm、75~100mm、100~125mm等,使用时按被测工件的尺寸选用。外径千分尺具体结构如图7—6所示。1—尺架2—砧座3一测微螺杆4—锁紧手柄5—螺纹套6—固定套管7—微分筒8—螺母9—接头10—测力装置11—弹簧12—棘轮爪13—棘轮图7—6外径千分尺(2)内径千分尺主要由固定测头、活动测头、螺母、固定套管、微分筒、调整量具、管接头、套管、量杆等组成。它的测量范围可达13mm或25mm,最大也不大于50mm。为了扩大测量范围,成套的内径千分尺还带有各种尺寸的接长杆。内径千分尺及接长杆的具体结构如图7—7所示。(a)(b)1—固定测头2—螺母3—固定套管4—锁紧装置5一测微螺母6—微分简7—螺母8—活动测头9—调整量具10、14—管接头11—弹簧12—套管13—量杆课改探讨邮箱:yongzhaozhang@163.com3中等职业学校机电技术应用专业项目课程《机械操作与识图》项目七初级钳工考工训练图7—7内径千分尺2.千分尺的刻线原理千分尺测微螺杆上的螺距为0.5mm,当微分筒转一圈时,测微螺杆就沿轴向移...

1、当您付费下载文档后,您只拥有了使用权限,并不意味着购买了版权,文档只能用于自身使用,不得用于其他商业用途(如 [转卖]进行直接盈利或[编辑后售卖]进行间接盈利)。
2、本站所有内容均由合作方或网友上传,本站不对文档的完整性、权威性及其观点立场正确性做任何保证或承诺!文档内容仅供研究参考,付费前请自行鉴别。
3、如文档内容存在违规,或者侵犯商业秘密、侵犯著作权等,请点击“违规举报”。

碎片内容

项目七初级钳工考工训练

精品中小学资料+ 关注
实名认证
内容提供者

精品文档

确认删除?
VIP
微信客服
  • 扫码咨询
会员Q群
  • 会员专属群点击这里加入QQ群
客服邮箱
回到顶部