电脑桌面
添加小米粒文库到电脑桌面
安装后可以在桌面快捷访问

高层建筑风载影响VIP专享VIP免费

高层建筑风载影响_第1页
1/7
高层建筑风载影响_第2页
2/7
高层建筑风载影响_第3页
3/7
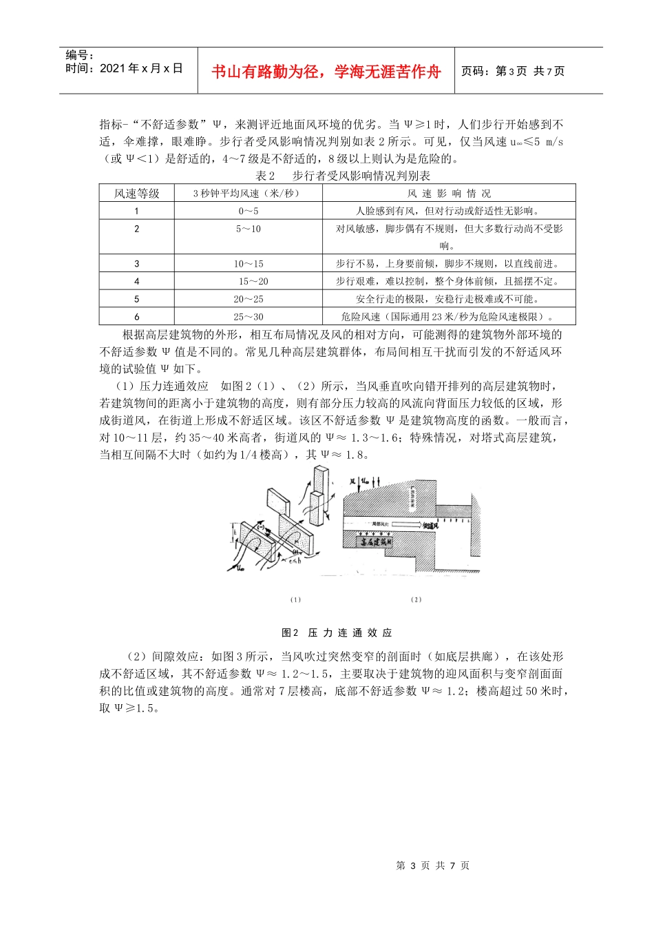
第1页共7页编号:时间:2021年x月x日书山有路勤为径,学海无涯苦作舟页码:第1页共7页高层建筑风环境及其影响研究江清源概述随着厦门经济特区的发展,一座座标志性的高层建筑拔地而起,人们自然关心风这个自然因素对这些高层建筑有什么影响?反过来这些高层建筑周围又会形成一个什么样的风环境?它对城市规划建筑设计、施工和人们的生活有什么影响?近年来风工程研究工作者都在对高层建筑的风环境进行研究。所谓“高层建筑”,联合国教科文组织所属的世界高层建筑委员会在1972年召开的年会上曾建议将高层建筑分为四类:即9~16层最高50米者为第一类;17~25层最高75米者为第二类;26~40层最高100米者为第三类;40层以上高于100米者为第四类高层建筑(超高层建筑)。我国在上世纪80年代以前,10层以上就称为高层建筑。但目前的标准已定为:20层左右为中高层建筑;30层,高100米左右为高层建筑;50层,高200米以上为超高层建筑。国外高层建筑及其群体所造成负面影响——不良风环境问题,甚至风灾,事故频发,不得不引起我们的关注和重视。国内近几年来建筑物的玻璃幕墙、屋顶搭盖物被大风吹毁的事例也不少。如上世纪末宁夏回族自治区某宾馆在偶发阵风作用下,一片幕墙玻璃飞落,当场把在宾馆门口迎宾的新娘子砸死。还有浙江大学逸夫楼在一夜大风劲吹下,所有的幕墙玻璃几乎都被吹毁。至于台风季节建筑物、结构物、幕墙玻璃及覆盖物等被风吹毁的事例,在沿海城市更是屡见不鲜的事实。如9914#台风登陆厦门吹倒了厦门会展中心施工塔吊,厦门太古飞机工程公司机库钢板屋面被风掀翻,也是人所共知。除上述建筑物及其群体在大风中其覆面材料或构件被毁坏的事例外,由于建筑物的体型及其群体布局不当而给行人及地面交通、生活环境等带来的不良风环境影响的事例也更多。在大风季节时,高层建筑及其群体的布局,可能造成对自身及其周围不良风环境,甚至风灾的课题,已责无旁贷地展现在今日城市规划、建筑设计部门、施工单位的面前。如同城市中大气污染、噪声污染、光污染、采光权纠纷等环境问题一样,能否在高层建筑的规划与布局伊始,事先就周密地考虑到优化风环境,防范不测风灾,而进行认真的论证和试验,这已成为评估城市建设规划优劣的一个重要衡量指标。显然,良好的风环境指的是,在气象工作者给出的某一大区域里风特性的条件下,为了使人们工作、居住生活与活动有一个舒适的环境,城市规划与设计部门能否力求以最小的代价去营造一个安全而舒适的风环境,来满足广大人民群众安居乐业之需。本文笔者尽所能地收集国内外带有普遍性的高层建筑风环境问题的详实资料和风洞试验数据,进行分析研究。高层建筑在风力作用下的绕流特性风场实测表明,对建筑物绕流特性影响最显著的是近地面风,而近地面风是有着显著的紊乱性和随机性。在一定的时间间隔内,各个高度的平均风速几乎是不变的,但实际绕流风速平均值是脉动的,且风速的平均值随高度的增加按指数律增大,故通常认为风速是由不变的平均风速和变化的脉动风速两部分组成的。作用在建筑物上的风压也可归结为由静态的平均风压和动态的脉动风压两部分组成。在风力作用下,高层建筑表面风压分布的测定,目前多在模拟大气边界层风场的风洞中对模型进行动态测量试验获得。但也有些对已建成的建筑物进行实测,以收集可贵的风荷载资料,供日后设计时参考或改造原设计之用。为阐明风力对高层建筑及其周边环境的影响,下面对一座较为典型的高层建筑模型在风洞试验中观测到的典型绕流状况作简单介绍。第2页共7页第1页共7页编号:时间:2021年x月x日书山有路勤为径,学海无涯苦作舟页码:第2页共7页图1矩形板式高层建筑典型模型绕流示意图由图1可见,在迎风墙面上气流受阻,动压降低,静压增高,约在对称中心线上3/4高处,存在一点风速为零,即驻点O,其压强最大。由于迎面风速随高度增加而增大,相应其阻滞的静压也相应增大。故在驻点O下存在一个递降的静压梯度,迫使一股风向下流动。若建筑物下部有拱廊(过道),则有些风就加速穿过拱廊流向背风面的负压区,在拱廊里形成一股强劲的穿堂风;若建筑物整个是密封的,则在下部形成一个类似于二次流的...

1、当您付费下载文档后,您只拥有了使用权限,并不意味着购买了版权,文档只能用于自身使用,不得用于其他商业用途(如 [转卖]进行直接盈利或[编辑后售卖]进行间接盈利)。
2、本站所有内容均由合作方或网友上传,本站不对文档的完整性、权威性及其观点立场正确性做任何保证或承诺!文档内容仅供研究参考,付费前请自行鉴别。
3、如文档内容存在违规,或者侵犯商业秘密、侵犯著作权等,请点击“违规举报”。

碎片内容

高层建筑风载影响

精品中小学资料+ 关注
实名认证
内容提供者

精品文档

确认删除?
VIP
微信客服
  • 扫码咨询
会员Q群
  • 会员专属群点击这里加入QQ群
客服邮箱
回到顶部