电脑桌面
添加小米粒文库到电脑桌面
安装后可以在桌面快捷访问

一体化五防系统培训教材VIP免费

一体化五防系统培训教材_第1页
1/29
一体化五防系统培训教材_第2页
2/29
一体化五防系统培训教材_第3页
3/29
一体化五防系统培训教材电力部门历来十分重视电力系统的安全运行,然而每年仍发生许多因操作人员误操作而导致的重大事故,造成人员伤亡、设备损坏、大面积停电、甚至引起电网的振荡和瓦解,经济损失惨重。所以安装防止电气误操作的防误闭锁装置是建设或改造变电站、电厂必须考虑的重要环节。防误闭锁装置的概念:电力系统为防止现场操作人员在现场操作过程中发生五种恶性事故而采取的一种防范措施。五种防范的恶性事故为:1、防止带负荷拉、合刀闸;2、防止误入带电间隔;3、防止误分、合断路器;4、防止带电挂接地线;5、防止带地线合刀闸。防误闭锁装置的种类可分为三类:1、机械程序式闭锁装置;2、电气型防误闭锁装置;3、微机型闭锁装置。微机型闭锁装置是一种采用计算机技术,用于防止电气设备误操作的装置。通常由计算机、模拟屏、电脑钥匙、机械编码锁、电气编码锁等功能元件组成。微机防误闭锁装置闭锁的设备有四类:开关、刀闸、地线(含地刀)、遮栏网门(开关柜门)。上述四类设备通过锁具(电气编码锁和机械编码锁)实现闭锁,即如果安装在这些设备上的锁具不解除闭锁,这些设备都不能操作。而上述设备之间的操作规则由软件编写形成规则库,存储在计算机或模拟屏。微机防误操作系统和变电站监控系统的信息共享,简化了监控系统和防误系统的结构而不影响它们各自的功能。监控系统与防误系统彼此配合,相互补充,成为统一整体,大大提高了系统的性能价格比。不必为微机防误操作系统引入专门的信号电缆,就能得到各种设备的实时状态,使规则校验在实时环境下进行,操作预演过程具有真实感。通常监控系统需从现场接入大量的信号电缆,不仅投资大、配线复杂、施工、维护困难,而且有些信号无法从现场取到,如网门的状态、临时接地线的状态等。与防误系统共享由电脑钥匙上送的五防虚遥信就解决了这些问题,监控系统只需引入开关、可控刀闸等信号量,其它信号量均由电脑钥匙上送。既大大减少了监控系统的遥信量,简化了配线,节约了大量的电缆和资金,又能够监视到各种信号量。一、一体化五防系统介绍1.1一体化五防系统的发展传统的微机五防系统由五防厂家提供,例如:珠海共创,珠海优特。他们的信号来源取于监控系统,通常是五防计算机与监控厂家的后台或者通讯控制器通讯,采集开关、刀闸位置,根据预设的逻辑,对当前的位置作出判断,允许或者禁止开关、刀闸的相关操作。在实际的运行使用中,这种通过通讯传递信息的方式的不可靠性,降低了五防系统的使用率。而且系统中的故障往往牵扯到两个厂家之间的配合,解决问题的及时性也达不到要求,一体化五防应时而出。1.2一体化五防的构成一体化五防系统由三个部件组成,防误主机(集成于监控系统中)、电脑钥匙、编码锁(分机械编码锁和电编码锁,机械编码锁又分固定锁和挂锁)。1.2.1防误主机防误主机是整个一体化五防系统的核心,存储开锁的规则,包括主接线图、数据库、操作规则,模拟预演时进行规则校验、生成操作票,向电脑钥匙发送操作票。和传统微机五防相比,一体化五防的防误主机信息来源于监控系统的数据共享和电脑钥匙的传递。它通过事先编辑好的五防规则库做出相应的判断,允许或者禁止开关、刀闸的分合。1.2.2电脑钥匙电脑钥匙在微机型闭锁装置中有三个功能:1.2.2.1从防误主机接收操作票当操作模拟预演结束,防误主机便将正确的操作票(含二次提示项)转化为操作序列传到电脑钥匙中,然后运行人员拿着该电脑钥匙到现场进行闭锁操作。1.2.2.2操作过程中的开锁和闭锁功能运行人员操作时依据电脑钥匙上显示的设备号,将电脑钥匙插入相应的编码锁内,通过其探头检测编码锁编码是否正确,若正确则开放其闭锁回路或机构,这时就可以进行断路器操作或打开机械编码锁进行隔离开关、接地刀闸等操作。解锁操作完毕后电脑钥匙还能自动提示实际操作是否到位,由二步操作来避免空走行程。只有当运行人员按照电脑钥匙的提示,完成“操作”和“检查”两个步骤,同时确认继续下一步,电脑钥匙才显示下一项操作内容;若走错间隔操作,电脑钥匙检测出的编码锁编码与实际操作序列的编码不符,闭锁机构不能解除闭锁,同时电脑钥匙会...

1、当您付费下载文档后,您只拥有了使用权限,并不意味着购买了版权,文档只能用于自身使用,不得用于其他商业用途(如 [转卖]进行直接盈利或[编辑后售卖]进行间接盈利)。
2、本站所有内容均由合作方或网友上传,本站不对文档的完整性、权威性及其观点立场正确性做任何保证或承诺!文档内容仅供研究参考,付费前请自行鉴别。
3、如文档内容存在违规,或者侵犯商业秘密、侵犯著作权等,请点击“违规举报”。

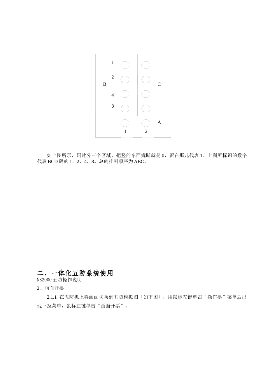
碎片内容

一体化五防系统培训教材

您可能关注的文档

确认删除?
VIP
微信客服
  • 扫码咨询
会员Q群
  • 会员专属群点击这里加入QQ群
客服邮箱
回到顶部