电脑桌面
添加小米粒文库到电脑桌面
安装后可以在桌面快捷访问

动叶可调轴流通风机机械故障原因分析-TLT轴流式风机机械VIP免费

动叶可调轴流通风机机械故障原因分析-TLT轴流式风机机械_第1页
1/7
动叶可调轴流通风机机械故障原因分析-TLT轴流式风机机械_第2页
2/7
动叶可调轴流通风机机械故障原因分析-TLT轴流式风机机械_第3页
3/7
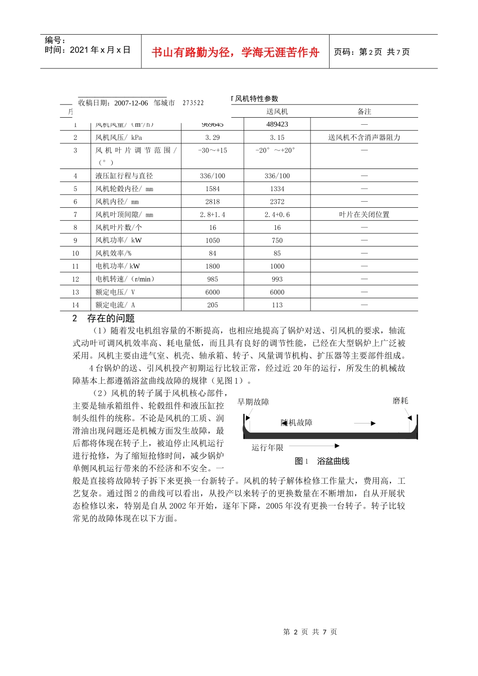
第1页共7页编号:时间:2021年x月x日书山有路勤为径,学海无涯苦作舟页码:第1页共7页动叶可调轴流通风机机械故障原因分析陈宜振/安徽华电宿州发电有限公司尹民权/山东邹县发电厂摘要:着重介绍了SAF28-18-16-1型轴流式动叶可调引风机安装、维修过程中存在的问题,以及引风机运行中出现机械故障的状态诊断、原因分析及处理。通过分析探讨找出原因和要注意的问题。关键词:轴流式通风机;故障诊断;分析探讨中国分类号:TH432.1文献标识码:B文章编号:1006-8155(2008)04-0068-06ReasonAnalysisonMechanicalFaultinAxial-flowFanwithAdjustableMovingBladeAbstract:ThispapermainlyintroducestheproblemsexistedintheprocessofinstallationandmaintenanceforSAF28-18-16-1typeaxial-flowfanwithadjustablemovingblade,andaslogivesthestatusdiagnosis,reasonanalysisandtreatmentformechnicalfaultoccurredintheprocessoffanrunning.Thereasonsandproblemsshouldbenotedinthefuturearefoundoutbasedonanalysisanddiscussion.Keywords:axial-flowfan;faultdiagnosis;analysisanddiscussion1概况华电国际邹县发电厂总装机容量为2540MW,一期、二期工程4×30OMW机组是我国最早自行设计制造(经改造后目前4台机组实际出力均为335MW)的国产机组,4台锅炉全部为亚临界压力中间再热自然循环单炉膛燃煤汽包炉,分别于1985~1989年建成投产。每台锅炉配置两台轴流式引风机和送风机。1#、2#、4#炉投产时配套设计安装的SAF28-18-16-1型引风机,均为上海鼓风机厂采用德国TLT技术生产的轴流式动叶可调风机(参数见表1)。3#炉投产时设计安装两台山东电力修造厂与英国詹姆斯豪登公司联合制造的AF1600/2992轴流式动叶可调风机。1#、2#炉投产时配套设计安装的送风机,均为上海鼓风机厂采用德国TLT技术生产的轴流式动叶可调送风机(参数见表1)。3#、4#炉投产时配套设计安装的送风机为山东电力修造厂与英国詹姆斯豪登公司联合制造的轴流式动叶可调送风机。由于种种原因,于2001年2月26日至6月30日,4#锅炉技改性大修时,将4#炉两台豪登送风机拆除更换为上海鼓风机厂制造的轴流式动叶可调送风机。在2002年2月16日至5月16日,3#锅炉技改性大修时,将3#炉两台豪登送、引风机拆除,全部更换为上海鼓风机厂制造的轴流式动叶可调送、引风机。所有改造的风机配用原有电动机,同其它1#、2#锅炉送、引风机电机相同。第2页共7页第1页共7页图1浴盆曲线运行年限随机故障早期故障磨耗编号:时间:2021年x月x日书山有路勤为径,学海无涯苦作舟页码:第2页共7页表1TLT风机特性参数序号项目引风机送风机备注1风机风量/(m3/h)969645489423—2风机风压/kPa3.293.15送风机不含消声器阻力3风机叶片调节范围/(°)-30~+15-20°~+20°—4液压缸行程与直径336/100336/100—5风机轮毂内径/mm15841334—6风机内径/mm28182372—7风机叶顶间隙/mm2.8+1.42.4+0.6叶片在关闭位置8风机叶片数/个1616—9风机功率/kW1050750—10风机效率/%8485—11电机功率/kW18001000—12电机转速/(r/min)985993—13额定电压/V60006000—14额定电流/A205113—2存在的问题(1)随着发电机组容量的不断提高,也相应地提高了锅炉对送、引风机的要求,轴流式动叶可调风机效率高、耗电量低,而且具有良好的调节性能,已经在大型锅炉上广泛被采用。风机主要由进气室、机壳、轴承箱、转子、风量调节机构、扩压器等主要部件组成。4台锅炉的送、引风机投产初期运行比较正常,经过近20年的运行,所发生的机械故障基本上都遵循浴盆曲线故障的规律(见图1)。(2)风机的转子属于风机核心部件,主要是轴承箱组件、轮毂组件和液压缸控制头组件的统称。不论是风机的工质、润滑油出现问题还是机械方面发生故障,最后都将体现在转子上,被迫停止风机运行进行抢修,为了缩短抢修时间,减少锅炉单侧风机运行带来的不经济和不安全。一般是直接将故障转子拆下来更换一台新转子。风机的转子解体检修工作量大,费用高,工艺复杂。通过图2的曲线可以看出,从投产以来转子的更换数量在不断增加,自从开展状态检修以来,特别是自从2002年开始,逐年下降,2005年没有更换...

1、当您付费下载文档后,您只拥有了使用权限,并不意味着购买了版权,文档只能用于自身使用,不得用于其他商业用途(如 [转卖]进行直接盈利或[编辑后售卖]进行间接盈利)。
2、本站所有内容均由合作方或网友上传,本站不对文档的完整性、权威性及其观点立场正确性做任何保证或承诺!文档内容仅供研究参考,付费前请自行鉴别。
3、如文档内容存在违规,或者侵犯商业秘密、侵犯著作权等,请点击“违规举报”。

碎片内容

动叶可调轴流通风机机械故障原因分析-TLT轴流式风机机械

教育教学文库+ 关注
实名认证
内容提供者

本店有大量的教育教学资料,课件

相关文档

确认删除?
VIP
微信客服
  • 扫码咨询
会员Q群
  • 会员专属群点击这里加入QQ群
客服邮箱
回到顶部