电脑桌面
添加小米粒文库到电脑桌面
安装后可以在桌面快捷访问

(完整版)高中物理必修一会考复习试题含答案VIP免费

(完整版)高中物理必修一会考复习试题含答案_第1页
1/7
(完整版)高中物理必修一会考复习试题含答案_第2页
2/7
(完整版)高中物理必修一会考复习试题含答案_第3页
3/7
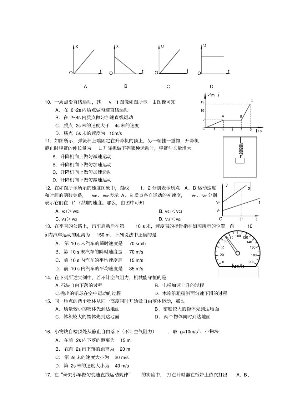
高中物理必修一会考复习(含答案)年级:高一学科:物理【学习目标】1.互成角度的力的合成和分解,主要考查作图法,在计算方面,只要求会应用直角三角形的知识求解。应懂得矢量有不同标量的运算规则。2.在牛顿运动定律中,要考查综合运用运动学和动力学知识解决力学问题的基本思路,但不处理连接体的问题。3.物体的受力分析只要求处理受力情况比较简单的问题。【学习检测】考点一物理1运动的描述1、下列物理量中属于矢量的是A.速度B.质量C.动能D.时间2、下列物理量中,属于矢量的是A.质量B.时间C.位移D.动能3、下列物理量中,属于矢量..的是A.势能B.时间C.功率D.速度4、发现万有引力定律的物理学家是A.安培B.法拉第C.牛顿D.欧姆5、飞机着地后还要在跑道上滑行一段距离,机舱内的乘客透过窗户看到树木向后运动,乘客选择的参考系是A.停在机场的飞机B.候机大楼C.乘客乘坐的飞机D.飞机跑道6、关于物体的加速度,下列说法中正确的是A.物体的速度为零,它的加速度一定为零B.物体的速度越大,它的加速度一定越大C.物体的速度变化量越大,它的加速度一定越大D.物体的速度变化越快,它的加速度一定越大7、甲和乙两个物体在同一直线上运动,它们的速度—时间图象分别如右图中的a和b所示。由图可知A.它们的运动方向始终不同B.它们的速度始终不同C.它们的加速度有时相同D.它们的加速度始终不同8、在如图所示的四个速度图象中,有一个是表示物体做匀速直线运动的速度图象,这个图象是9、在如图所示的四个图象中,表示物体做匀加速直线运动的是AvtOBvtOCvtODvtO10、一质点沿直线运动,其v-t图像如图所示。由图像可知A.在0~2s内质点做匀速直线运动B.在2~4s内质点做匀加速直线运动C.质点2s末的速度大于4s末的速度D.质点5s末的速度为15m/s11、如图所示,弹簧秤上端固定在升降机的顶上,另一端挂一重物,升降机静止时弹簧的伸长量为L.升降机做下列哪种运动时,弹簧伸长量增大A.升降机向上做匀减速运动B.升降机向下做匀加速运动C.升降机向上做匀加速运动D.升降机向下做匀减速运动12、在如图所示所示的速度图象中,图线1、2分别表示质点A、B运动速度和时间的函数关系,v01、v02表示A、B质点各自运动的初速度,vt1、vt2分别表示它们在t′时刻的速度。那么,由图中可知A.v01>v02B.v01<v02C.vt1>vt2D.vt1<vt213、在平直的公路上,汽车启动后在第10s末,速度表的指针指在如图所示的位置,前10s内汽车运动的距离为150m.下列说法中正确的是A.第10s末汽车的瞬时速度是70km/hB.第10s末汽车的瞬时速度是70m/sC.前10s内汽车的平均速度是15m/sD.前10s内汽车的平均速度是35m/s14、在下列所述实例中,若不计空气阻力,机械能守恒的是A.石块自由下落的过程B.电梯加速上升的过程C.抛出的铅球在空中运动的过程D.木箱沿粗糙斜面匀速下滑的过程15、同一地点的两个物体从同一高度同时开始做自由落体运动,那么A.质量较小的物体先到达地面B.密度较大的物体先到达地面C.体积较大的物体先到达地面D.两个物体同时到达地面16、小物块自楼顶处从静止自由落下(不计空气阻力),取g=10m/s2.小物块A.在前2s内下落的距离为15mB.在前2s内下落的距离为20mC.第2s末的速度大小为20m/sD.第2s末的速度大小为40m/s17、在“研究小车做匀变速直线运动规律”的实验中,打点计时器在纸带上依次打出A、B、AtOxCtOxBtOυυDtOv/m·s-1t/s15105O12345ABCvtOtˊv02v0121801001201401600204020060180km/hC、D、E五个点,如图9所示.由此可判断小车做__________(选填“加速”或“减速”)运动;打B点时小车的速度________(选填“小于”或“大于”)打D点时小车的速度.(答案:加速小于)18、如图所示是某同学用打点计时器研究小车做匀变速直线运动时得到的一条纸带。图中1、2、3、4、5、6、7是按打点的先后顺序依次选取的计数点,相邻计数点间的时间间隔T=0.1s。测得:x1=1.40cm,x2=1.90cm,x3=2.40cm,x4=2.90cm,x5=3.40cm,x6=3.90cm。由给出的数据可知,小车在通过第2个计数点时的速度大小v2=m/s,小车的加速度大小a=m/s2。(答案:0.1650.5)19、(重力加速度g=10m/s2)一个自由下落的物体,下...

1、当您付费下载文档后,您只拥有了使用权限,并不意味着购买了版权,文档只能用于自身使用,不得用于其他商业用途(如 [转卖]进行直接盈利或[编辑后售卖]进行间接盈利)。
2、本站所有内容均由合作方或网友上传,本站不对文档的完整性、权威性及其观点立场正确性做任何保证或承诺!文档内容仅供研究参考,付费前请自行鉴别。
3、如文档内容存在违规,或者侵犯商业秘密、侵犯著作权等,请点击“违规举报”。

碎片内容

(完整版)高中物理必修一会考复习试题含答案

您可能关注的文档

确认删除?
VIP
微信客服
  • 扫码咨询
会员Q群
  • 会员专属群点击这里加入QQ群
客服邮箱
回到顶部