电脑桌面
添加小米粒文库到电脑桌面
安装后可以在桌面快捷访问

保温材料验收规范资料VIP免费

保温材料验收规范资料_第1页
1/30
保温材料验收规范资料_第2页
2/30
保温材料验收规范资料_第3页
3/30
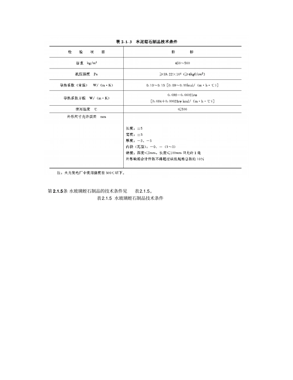
火力发电厂热力设备和管道保温材料技术条件与检验方法SDJ68—85中华人民共和国水利电力部关于颁发《火力发电厂热力设备和管道保温材料技术条件与检验方法》SDJ68—85的通知(85)水电基字第10号为适应电力建设施工技术的发展,我部委托电力建设研究所对1981年编制的《火力发电厂热力设备和管道保温材料技术条件与检验方法》进行了修订,修订后名称不变,编号为SDJ68—85,仍配合《电力建设施工及验收技术规范(锅炉机组篇)》第九章使用,现颁发执行。希各单位在执行过程中注意总结经验,若发现问题,请随时告电力建设研究所。一九八五年十月第一章总则第1.0.1条本技术条件与检验方法是为统一火力发电厂热力设备和管道保温材料的技术条件与检验方法而编制的,是《电力建设施工及验收技术规范(锅炉机组篇)》关于保温材料方面的补充规定。第1.0.2条本技术条件与检验方法对火力发电厂使用的保温材料统一分类如下:1.硬质材料制品它是指一般的固体材料(包括掺有少量纤维材料)加工成型的制品,如板、半圆瓦、弧形块、砖等。2.矿纤材料制品它是指采用有弹性的矿质纤维材料加工成型的制品。它又分为两大类:(1)矿纤硬质制品:用树脂粘结的板、管套、弧形块、毡、垫及缝合垫等。(2)矿纤软质制品:无树脂粘结的毡、垫、缝合垫等。3.松散材料它是指粒状及纤维状材料,如膨胀蛭石、膨胀珍珠岩、矿渣棉、玻璃棉、石棉纤维及硅酸铝耐火纤维等。注:(1)毡是指厚度小于或等于50mm的制品。(2)垫是指厚度大于50mm的制品。(3)缝合垫是指用镀锌铁丝网单面、双面缝合,或用玻璃丝布贴面缝合成型的制品。第1.0.3条未经鉴定的新型保温材料,本技术条件与检验方法中未作规定,可参照有关规定办理。第1.0.4条用水泥作凝结剂时,应采用不低于525号硅酸盐水泥。若采用其他水泥时,应按本技术条件进行试验鉴定。第二章保温材料技术条件第一节膨胀蛭石及其制品第2.1.1条膨胀蛭石的技术条件见表2.1.1。第2.1.2条膨胀蛭石可用于填充保温或就地浇制轻型绝热层和保温混凝土,粒径1~3.5mm的还可用作保温抹面层的集料。用于振动部位时,应注意压紧、填实。第2.1.3条水泥蛭石制品的技术条件见表2.1.3。第2.1.4条水泥蛭石制品可用于室内外热力设备和管道中、低温部位(包括振动部位)的保温。表2.1.1膨胀蛭石技术条件表2.1.3水泥蛭石制品技术条件第2.1.5条水玻璃蛭石制品的技术条件见表2.1.5。表2.1.5水玻璃蛭石制品技术条件第2.1.6条水玻璃蛭石制品可用于不受水湿的热力设备和管道高、中温部位(包括振动部位)的保温。第二节膨胀珍珠岩及其制品第2.2.1条膨胀珍珠岩的技术条件见表2.2.1。表2.2.1膨胀珍珠岩技术条件第2.2.2条膨胀珍珠岩可用于填充保温或就地浇制轻型绝热层、保温混凝土等,并可用作保温抹面层的集料。用于振动部位时,应注意压紧、填实。第2.2.3条水泥珍珠岩制品的技术条件见表2.2.3。表2.2.3水泥珍珠岩制品技术条件第2.2.4条水泥珍珠岩制品可用于热力设备和管道高、中、低温部位的保温。用于露天保温时,应有防水措施:用于振动部位时,应采取特别加固措施。第2.2.5条水玻璃珍珠岩制品的技术条件见表2.2.5。表2.2.5水玻璃珍珠岩制品技术条件第2.2.6条水玻璃珍珠岩制品可用于不受水湿的热力设备和管道高、中温部位的保温。第三节焙烧硅藻土制品第2.3.1条硅藻土板(瓦)的技术条件见表2.3.1。表2.3.1硅藻土板(瓦)技术条件第2.3.2条硅藻土板(瓦)可用于热力设备和管道高、中、低温部位(包括振动部位)的保温。第四节矿渣棉及其制品第2.4.1条矿渣棉及其制品的技术条件见表2.4.1表2.4.1矿渣棉及其制品技术条件第2.4.2条长纤维矿物棉可用于热力设备和管道干燥部位的保温,或可卸式保温结构的填充。用于振动部位时,应注意压紧、填实。有水湿及油脂渗漏的部位均不应采用。第2.4.3条普通矿渣棉可用于热力设备和管道的保温。它的沉陷性比长纤维矿渣棉大,使用时应注意压紧、填实,并定期检查。有水湿及油脂渗漏的部位均不应采用。第2.4.4条第2.4.5条沥青矿渣棉制品因对环境有污染,只适用在热力设备和管道中、低温部位的保温。第五节岩棉及其制品第2.5.1条岩棉及其制品的技术条件见表2.5.1。表2.5.1岩棉及其制品技术条件第2...

1、当您付费下载文档后,您只拥有了使用权限,并不意味着购买了版权,文档只能用于自身使用,不得用于其他商业用途(如 [转卖]进行直接盈利或[编辑后售卖]进行间接盈利)。
2、本站所有内容均由合作方或网友上传,本站不对文档的完整性、权威性及其观点立场正确性做任何保证或承诺!文档内容仅供研究参考,付费前请自行鉴别。
3、如文档内容存在违规,或者侵犯商业秘密、侵犯著作权等,请点击“违规举报”。

碎片内容

保温材料验收规范资料

确认删除?
VIP
微信客服
  • 扫码咨询
会员Q群
  • 会员专属群点击这里加入QQ群
客服邮箱
回到顶部