电脑桌面
添加小米粒文库到电脑桌面
安装后可以在桌面快捷访问

《公路工程试验检测仪器设备校准指南-A4表格》(1)VIP专享VIP免费

《公路工程试验检测仪器设备校准指南-A4表格》(1)_第1页
1/66
《公路工程试验检测仪器设备校准指南-A4表格》(1)_第2页
2/66
《公路工程试验检测仪器设备校准指南-A4表格》(1)_第3页
3/66
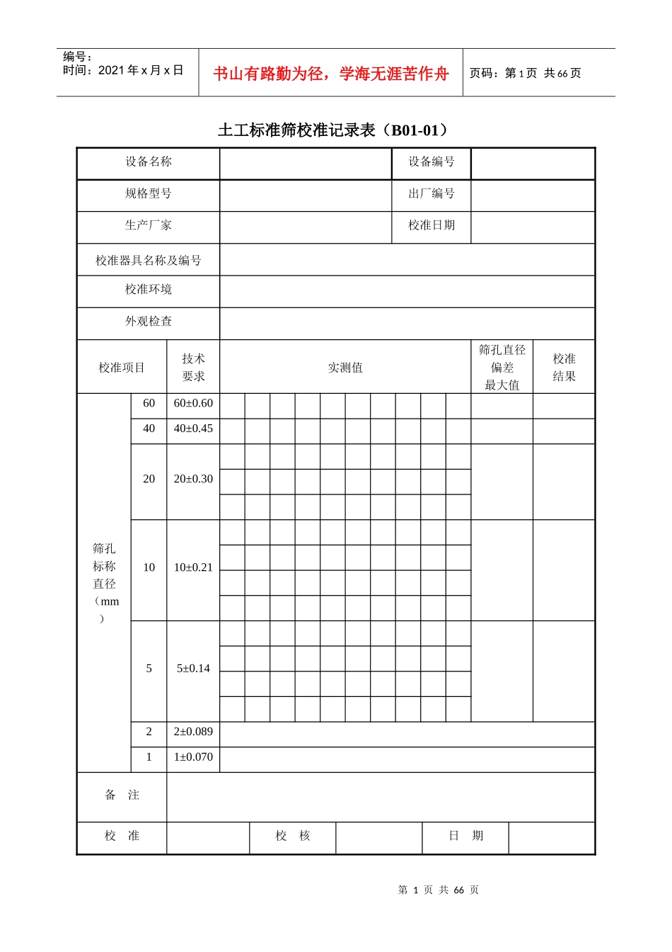
第1页共66页编号:时间:2021年x月x日书山有路勤为径,学海无涯苦作舟页码:第1页共66页土工标准筛校准记录表(B01-01)设备名称设备编号规格型号出厂编号生产厂家校准日期校准器具名称及编号校准环境外观检查校准项目技术要求实测值筛孔直径偏差最大值校准结果筛孔标称直径(mm)6060±0.604040±0.452020±0.301010±0.2155±0.1422±0.08911±0.070备注校准校核日期第2页共66页第1页共66页编号:时间:2021年x月x日书山有路勤为径,学海无涯苦作舟页码:第2页共66页电热鼓风干燥箱校准记录表(B01-02)设备名称设备编号规格型号出厂编号生产厂家校准日期校准器具名称及编号校准环境外观检查校准项目技术要求实测值校准结果标准温度计读数(℃)显示器温度值(℃)显示器示值准确性——30405060708090100110120…温度控制稳定性设定值±3℃设定温度(℃)读数1(℃)读数2(℃)读数3(℃)备注第3页共66页第2页共66页编号:时间:2021年x月x日书山有路勤为径,学海无涯苦作舟页码:第3页共66页校准校核日期液塑限联合测定仪校准记录表(B01-03)设备名称设备编号规格型号出厂编号生产厂家校准日期校准器具名称及编号校准环境外观检查校准项目技术要求实测值123平均圆锥下沉时间(s)5±0.1圆锥仪的质量(g)76±0.2100±0.2圆锥仪的锥角(°)30±0.2锥尖磨损高度初始高度(mm)————实测高度(mm)——磨损高度(mm)≤0.3盛土杯尺寸小杯内径(mm)40±0.5高度(mm)30~40大杯内径(mm)50±0.5高度(mm)40~50下沉深度测量误差示值(mm)5误差(%)2%示值(mm)10误差(%)2%示值(mm)15误差(%)2%示值(mm)20误差(%)2%校准结果第4页共66页第3页共66页编号:时间:2021年x月x日书山有路勤为径,学海无涯苦作舟页码:第4页共66页备注校准校核日期电动击实仪校准记录表(B01-04)设备名称设备编号规格型号出厂编号生产厂家校准日期校准器具名称及编号校准环境外观检查校准项目技术要求实测值123平均击实锤质量(g)轻型2500±5——重型4500±9——击锤落高(mm)轻型300±2重型450±2锤头直径(mm)轻型50±0.5重型50±0.5击实锤体的侧母线与击实筒内壁的间隙(mm)2~2.5击实筒高度(mm)小型127±0.23大型170±0.25击实筒内径(mm)小型100±0.2大型152±0.3校准结果第5页共66页第4页共66页编号:时间:2021年x月x日书山有路勤为径,学海无涯苦作舟页码:第5页共66页备注校准校核日期路面材料强度试验仪校准记录表(B01-05)设备名称设备编号规格型号出厂编号生产厂家校准日期校准器具名称及编号校准环境外观检查校准项目技术要求实测值123平均上升速率初始读数(mm)————终止读数(mm)————上升速率(mm/min)1框架横梁、升降台的水平度上升轴及贯入杆的竖直度第6页共66页第5页共66页编号:时间:2021年x月x日书山有路勤为径,学海无涯苦作舟页码:第6页共66页校准结果备注校准校核日期环刀校准记录表(B01-06)设备名称设备编号规格型号出厂编号生产厂家校准日期校准器具名称及编号校准环境检验项目内径(mm)高度(mm)体积(cm3)外观检查校准结果技术要求79.8±0.1561.8±0.1560~8020.0±0.1020.0±0.1020~30环刀编号123平均123平均第7页共66页第6页共66页编号:时间:2021年x月x日书山有路勤为径,学海无涯苦作舟页码:第7页共66页备注校准校核日期CBR试验装置校准记录表(B01-07)设备名称设备编号规格型号出厂编号生产厂家校准日期校准器具名称及编号校准环境外观检查校准项目技术要求实测值123平均值贯入杆直径(mm)50±0.5试筒直径(mm)152±0.2高度(mm)170±1筒内垫块直径(mm)151±0.2高度(mm)50±0.5套环高度(mm)50±0.5荷载板直径(mm)150±0.5第8页共66页第7页共66页编号:时间:2021年x月x日书山有路勤为径,学海无涯苦作舟页码:第8页共66页中心孔眼直径(mm)52±1.0质量(g)1250±10校准结果备注校准校核日期标准筛(金属穿孔板)校准记录表(B02-01-1)设备名称设备编号规格型号出厂编号生产厂家校准日期校准器具名称及编号校准环境外观检查校准项目技术要求实测值筛孔偏差最大值校准结果筛孔尺寸(mm)75±0.7063±0.605...

1、当您付费下载文档后,您只拥有了使用权限,并不意味着购买了版权,文档只能用于自身使用,不得用于其他商业用途(如 [转卖]进行直接盈利或[编辑后售卖]进行间接盈利)。
2、本站所有内容均由合作方或网友上传,本站不对文档的完整性、权威性及其观点立场正确性做任何保证或承诺!文档内容仅供研究参考,付费前请自行鉴别。
3、如文档内容存在违规,或者侵犯商业秘密、侵犯著作权等,请点击“违规举报”。

碎片内容

《公路工程试验检测仪器设备校准指南-A4表格》(1)

确认删除?
VIP
微信客服
  • 扫码咨询
会员Q群
  • 会员专属群点击这里加入QQ群
客服邮箱
回到顶部