电脑桌面
添加小米粒文库到电脑桌面
安装后可以在桌面快捷访问

微表处施工技术规范指南VIP免费

微表处施工技术规范指南_第1页
1/10
微表处施工技术规范指南_第2页
2/10
微表处施工技术规范指南_第3页
3/10
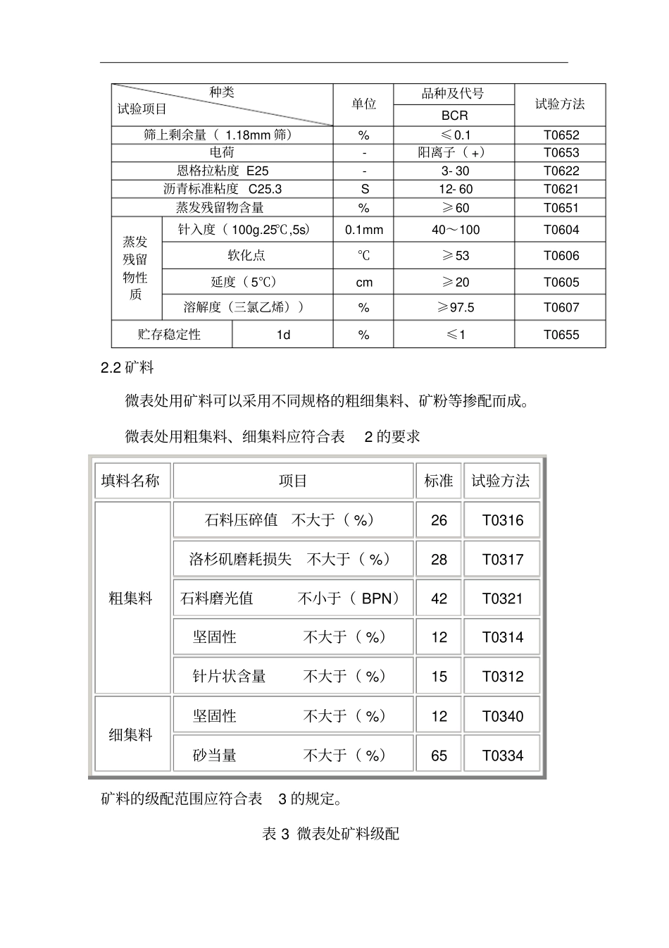
微表处技术指南1术语1.1微表处采用专用机械设备将聚合物改性沥青、粗细集料、填料、水和添加剂等按照设计配比拌合成稀浆混合料摊铺到原路面上,并很快开放交通的具有高抗滑和耐久性能的薄层。微表处开放交通时间依据工程所处环境的不同而变化,通常在气温为24℃,湿度为50%(或更小)的状况下可以在1h内开放交通。按照矿料级配的不同,微表处可以分为Ⅱ型和Ⅲ型,分别以MS-2(公称最大粒径4.75㎜)和MS-3(公称最大粒径9.5㎜)表示。1.2稀浆混合料(改性)乳化沥青、粗细集料、填料、水、添加剂等按一定比例所形成的浆状混合物。1.3稠度反映稀浆混合料施工和易性和用水量的指标1.4破乳时间稀浆混合料摊铺到路面至混合料表面用吸水纸轻压后看不到褐色斑点的时间。2材料2.1(改性)乳化沥青微表处选用的改性乳化沥青应符合表1中BCR的规定。表1改性乳化沥青技术要求种类试验项目单位品种及代号试验方法BCR筛上剩余量(1.18mm筛)%≤0.1T0652电荷-阳离子(+)T0653恩格拉粘度E25-3-30T0622沥青标准粘度C25.3S12-60T0621蒸发残留物含量%≥60T0651蒸发残留物性质针入度(100g.25℃,5s)0.1mm40~100T0604软化点℃≥53T0606延度(5℃)cm≥20T0605溶解度(三氯乙烯))%≥97.5T0607贮存稳定性1d%≤1T06552.2矿料微表处用矿料可以采用不同规格的粗细集料、矿粉等掺配而成。微表处用粗集料、细集料应符合表2的要求填料名称项目标准试验方法粗集料石料压碎值不大于(%)26T0316洛杉矶磨耗损失不大于(%)28T0317石料磨光值不小于(BPN)42T0321坚固性不大于(%)12T0314针片状含量不大于(%)15T0312细集料坚固性不大于(%)12T0340砂当量不大于(%)65T0334矿料的级配范围应符合表3的规定。表3微表处矿料级配级配类型通过下列筛孔(㎜)的质量百分比(%)9.54.752.361.180.60.30.150.075MS-310070~9045~7028~5019~3412~257~185~152.3填料微表处矿料中可以掺加矿粉、水泥、消石灰等填料。填料应干燥、疏松,无结团,并应符合《公路沥青路面施工技术规范》(JTGF40)中的相关要求。矿粉的主要作用是改善矿料级配。水泥、消石灰等具有化学活性的填料的主要作用是调整稀浆混合料的可拌合时间、成浆状态和成型速度等。填料的掺加量必须通过混合料设计试验确定。2.4添加剂添加剂的主要作用是调节稀浆混合料可拌合时间、破乳速度、开放交通时间等施工性能,并在一定程度上改变混合料的路用性能。3微表处的施工3.1一般规定3.1.1微表处施工前,施工单位(承包商)必须提供详实的混合料设计报告。微表处公称应有丰富设计经验的实验室进行验证性复核,并出复核报告,符合技术要求后方可施工。3.1.2必须采用专用机械施工3.1.3微表处的施工气候应满足:(1)、施工、养生期内的气温应高于10℃;(2)、不得在雨天施工。施工中遇雨或者施工后混合料尚未成型就遇雨时,应在雨后将无法正常成型的材料铲除。3.1.4严禁在过湿或积水的路面上进行微表处施工。3.2对原路面的要求原路面必须有足够的结构强度;原路面15㎜以下的车辙可直接进行微表处罩面,若存在病害,要提前处理。3.3施工准备3.3.1微表处施工前,应对原路面进行检查;原路面为沥青路面,一般不需要喷洒粘层油。3.3.2有监理在场的情况下,对材料经行施工前的检查:(1)施工用的乳化沥青、矿料、水、填料等进行质量检查,符合设计要求后方可使用。(2)粗集料中的超粒径颗粒必须筛除。(3)测定矿料含水量。3.3.3有监理在场的情况下,对材料经行施工前的检查.3.4铺筑试验段3.4.1微表处正式施工前,应选择合适路段摊铺试验段。试验度长度不小于200m.3.4.2通过试验段的摊铺,确定施工工艺。3.4.3根据试验段的摊铺情况,在设计配合比的基础上做小范围调整,确定施工配合比。3.5施工3.5.1微表处应按下列程序施工:(1)彻底清除原路面的泥土、杂物等;检查路面病害处理情况;(2)施画导线,以保证摊铺车顺直行驶,有路缘石、车道线等作为参照物的,可不施画导线;(3)摊铺车摊铺稀浆混合料:(4)手工修复局部施工缺陷:(5)初期养护:(6)开放交通。3.5.2根据施工路段的路幅宽度,调整摊铺槽宽度,应尽量减少纵向接缝数量,在可能的情况下,宜使纵向...

1、当您付费下载文档后,您只拥有了使用权限,并不意味着购买了版权,文档只能用于自身使用,不得用于其他商业用途(如 [转卖]进行直接盈利或[编辑后售卖]进行间接盈利)。
2、本站所有内容均由合作方或网友上传,本站不对文档的完整性、权威性及其观点立场正确性做任何保证或承诺!文档内容仅供研究参考,付费前请自行鉴别。
3、如文档内容存在违规,或者侵犯商业秘密、侵犯著作权等,请点击“违规举报”。

碎片内容

微表处施工技术规范指南

您可能关注的文档

确认删除?
VIP
微信客服
  • 扫码咨询
会员Q群
  • 会员专属群点击这里加入QQ群
客服邮箱
回到顶部