电脑桌面
添加小米粒文库到电脑桌面
安装后可以在桌面快捷访问

S238交通组织、作业区布设方案VIP免费

S238交通组织、作业区布设方案_第1页
1/39
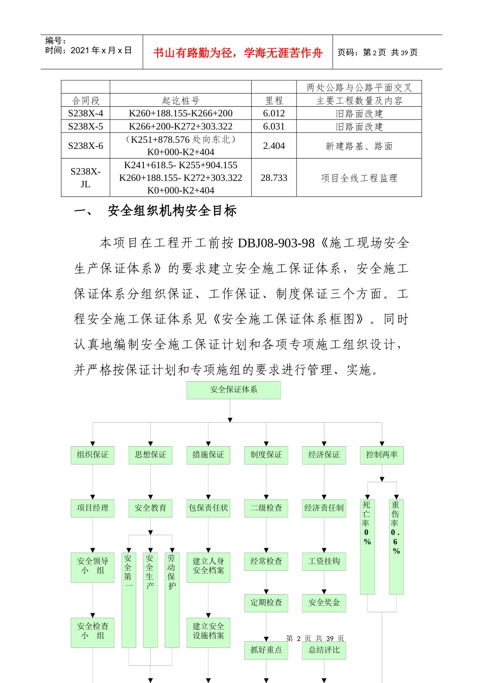
S238交通组织、作业区布设方案_第2页
2/39
S238交通组织、作业区布设方案_第3页
3/39
S238线许昌境襄郏界至田庄段改建工程交通组织、作业区布设方案许昌市公路管理局2007年9月第1页共39页编号:时间:2021年x月x日书山有路勤为径,学海无涯苦作舟页码:第1页共39页本项目路线全长28.733公里,其中改建路段共长22.303公里,城区改线段共长6.430公里。全线采用平原微丘二级公路标准设计,设计速度为80km/h。改建路段路基宽14米,路面宽12米,2×1米硬路肩;新建路段,一般路段路基宽15米,路面宽12米,2×1.5米土路肩,过村镇路段路面与路基同宽均为15米。改建路段起于S238线襄城县和郏县交界,起点桩号K241+618.5,向东沿原路经二十里铺、高桥,跨马黄河,穿十里铺乡、四里营,下穿平禹铁路,于平禹铁路东K251+878.576处折向南进行改线,跨汝河,穿西河沿村,经马庄,折向东,穿贾楼,于贾楼村东K255+904.155处与G311线相交,此改线段长4.026公里,然后重复S329线4.284公里,在K260+188.155处与原S238相接,沿原路向东,经五里堡,向东穿肖庄,跨颖汝灌区总干渠,经茨沟收费站,下穿许平南高速,穿茨沟乡,于茨沟东向南,经田庄,止于田庄东,终点桩号K272+303.322。在路线改线起点K251+878.576处向东北方向改线,在马园与S103线相接,此改线段长2.404公里。该工程施工标共分6个合同段,监理标共分1个合同段。合同段起讫桩号里程主要工程数量及内容S238X-1K241+618.5-K246+7005.082旧路面改建S238X-2K246+700-K251+774.3635.074旧路面改建S238X-3K251+774.363-K255+904.1554.130新建路基、路面、桥梁,含第2页共39页第1页共39页安全保证体系建立人身安全档案经常检查控制两率总结评比制度保证措施保证思想保证组织保证二级检查包保责任状安全教育项目经理定期检查工资挂钩安全奖金经济责任制经济保证建立安全设施档案安全检查小组安全领导小组抓好重点安全第一安全生产重伤率0.6%死亡率0%劳动保护编号:时间:2021年x月x日书山有路勤为径,学海无涯苦作舟页码:第2页共39页两处公路与公路平面交叉合同段起讫桩号里程主要工程数量及内容S238X-4K260+188.155-K266+2006.012旧路面改建S238X-5K266+200-K272+303.3226.031旧路面改建S238X-6(K251+878.576处向东北)K0+000-K2+4042.404新建路基、路面S238X-JLK241+618.5-K255+904.155K260+188.155-K272+303.322K0+000-K2+40428.733项目全线工程监理一、安全组织机构安全目标本项目在工程开工前按DBJ08-903-98《施工现场安全生产保证体系》的要求建立安全施工保证体系,安全施工保证体系分组织保证、工作保证、制度保证三个方面。工程安全施工保证体系见《安全施工保证体系框图》。同时认真地编制安全施工保证计划和各项专项施工组织设计,并严格按保证计划和专项施组的要求进行管理、实施。第3页共39页第2页共39页编号:时间:2021年x月x日书山有路勤为径,学海无涯苦作舟页码:第3页共39页本工程安全管理目标为:“五无”、“一消灭”、“一创建”。五无:无人身伤亡事故,无行车险情以上事故,无交通责任事故,无锅炉、压力容器爆炸事故,无重大火灾事故。第4页共39页第3页共39页编号:时间:2021年x月x日书山有路勤为径,学海无涯苦作舟页码:第4页共39页一消灭:消灭重大责任死亡事故。一创建:创建安全文明工地。二、安全责任及制度建立健全以岗位责任制为中心的安全生产责任制,建立安全生产管理网络体系。第一管理者对本工程安全生产全面负责,坚持“管生产必须管安全”的原则,落实各部门、各岗位责任制,做到人人重视安全生产,人人关心安全生产。项目部设专职安全监察工程师,工区设专职安全技术员,设兼职安全员,加强安全生产监督检查,消除事故隐患。(1)保质量、保工期,首先必须保安全。经理部建立健全安全生产管理机构,成立以项目经理为组长的安全生产领导小组,全面负责并领导本项目的安全生产工作。(2)本项目实行安全生产三级管理,即:一级管理由经理负责,二级管理由专职安全员负责,三级管理由班第5页共39页第4页共39页编号:时间:2021年x月x日书山有路勤为径,学海无涯苦作舟页码:第5页共39页组长负责,各作业点设共青团安全监督岗。(3)坚持“安全第一,预防为主”的方针,项目经理要把安全工...

1、当您付费下载文档后,您只拥有了使用权限,并不意味着购买了版权,文档只能用于自身使用,不得用于其他商业用途(如 [转卖]进行直接盈利或[编辑后售卖]进行间接盈利)。
2、本站所有内容均由合作方或网友上传,本站不对文档的完整性、权威性及其观点立场正确性做任何保证或承诺!文档内容仅供研究参考,付费前请自行鉴别。
3、如文档内容存在违规,或者侵犯商业秘密、侵犯著作权等,请点击“违规举报”。

碎片内容

S238交通组织、作业区布设方案

教育教学文库+ 关注
实名认证
内容提供者

本店有大量的教育教学资料,课件

确认删除?
VIP
微信客服
  • 扫码咨询
会员Q群
  • 会员专属群点击这里加入QQ群
客服邮箱
回到顶部