电脑桌面
添加小米粒文库到电脑桌面
安装后可以在桌面快捷访问

成品保护技术交底范文VIP免费

成品保护技术交底范文_第1页
1/10
成品保护技术交底范文_第2页
2/10
成品保护技术交底范文_第3页
3/10
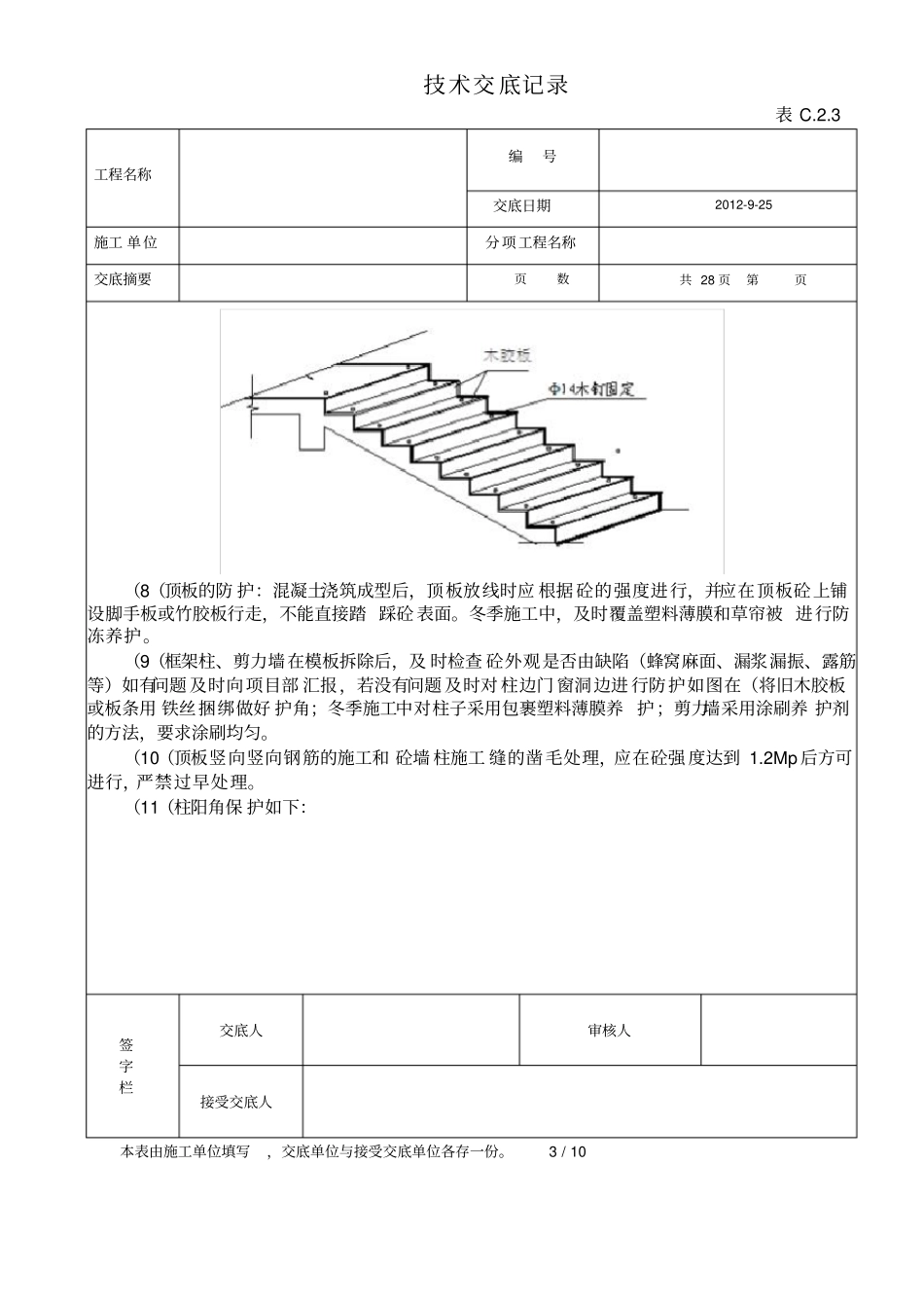
1、成品保护目的为更好的加强现场成品保护管理,最大限度的消除和避免成品在施工过程中受到污染和损坏,达到减少和降低成本,提高成品一次合格率、一次成优率,从而提高整个工程质量的目的,特编制本方案。2、成品保护原则成品与半成品保护工作主要以预防为主,采用各种防护措施及管理手段,以确保正常的施工生产。在施工过程中对易受污染的成品、半成品,做好“已完工程,注意保护”或“正在施工,注意保护”的标识。3、成品保护部署3.1、成品保护责任划分1、现场材料保护责任由项目部设备物质部门采购的材料、半成品、设备进场后,由项目部物质部门负责保管,生产经理和安全保卫部门进行协助管理;由项目部发送到各施工队的材料、半成品、设备,由各施工队负责保管、使用。1、结构施工阶段的成品保护责任结构工程施工队为主要成品保护责任人,水电等配合施工各专业施工队有保护土建项目的保护措施后方可作业。在水电等专业施工项目完成并进行必要的成品保护后,必须向土建施工队进行交接。对于一些关键工序(钢筋、模板、砼浇筑),土建、水电安装均要设专人看护及维修。1、装修、安装施工阶段的成品保护责任及管理措施。(1)、装修、安装阶段特别是收尾、竣工阶段的主要的成品保护的责任单位是装修施工队,设备的成品保护的责任单位是水电安装的施工队。土建和水电施工必须按照成品保护方案要求进行作业。(2)、在工程收尾阶段,装饰施工队要分层、分区设置专职成品保护员,其它专业施工队要填报手续齐全经项目部批准后,方准进入楼层作业,否则成品保护员有权拒绝进入作业。施工完成后要经成品保护员检查确认没有损坏成品,签字后方准离开作业区域,若由于成品保护员的工作失误,没有找出成品损坏的人员或单位,这部分损失将由成品保护责任单位及责任人负责赔偿。(3)、上道工序与下道工序(指土建与水电,不同施工队间的工序交接)要办理交接手续。交接工作在各施工队之间进行,项目部起协调监督作用,项目部各口负责人要把交接情况记录在施工日记中。(4)、接受进楼作业的人员,必须严格遵守现场各项管理制度:不准吸烟。如作业用火,必须取得用火证后方可进行施工。所有入楼作业的人员必须接受成品保护人员的监督。(5)、施工队在进行本工序施工时,如需要碰动其它专业的成品时,施工队必须以书面形式上报项目部,项目部与其它专业队伍协调同意后,在其它专业派人协助下施工,待施工完成后,将恢复其成品。(6)、项目部安排进度计划时,防止工序倒置和不合理赶工期的交叉施工以及采取不当的防护措施而造成的互相损坏、反复污染等现象的发生。(7)、项目部对所有入场人员都要进行定期的成品保护意识的教育工作,依据合同、规章制度、各项保护措施,使所有施工人员认识到做好成品保护工作是保证自己的产品质量从而保证自身的切身利益。3.2、成品保护部署1、根据本工程特点合理安排成品保护人员分区划片,定人到位。2、对成品保护工作进行大力宣传,加强成品保护措施宣传教育工作,使全体施工人员都认识到成品、半成品保护的重要性。3、楼口设成品保护队员查验出入证明,严格执行出入制度。无证人员不得进入楼内。2、加强消防工作,严格控制明火作业,电气焊进行作业时(有用火证后方可作业)防止飞溅污染损坏成品。2、拆改要有拆改证明,无证不得拆改,成品保护队员监督检查野蛮施工。3、维护环境卫生,禁止楼内大小便,做到活完、料净、脚下清,做好文明施工。4、楼口挂设提示牌,警示牌,提示大家注意成品保护。5、交底中,必须涉及成品、半成品保护内容,并明确成品保护责任。6、对加工件及设备,成品库应设专人负责并建立验收库台帐和领退手续台帐。7、从生产安排上要研究合理的工种、工序搭接,并以此组织施工,以利于成品保护工作。11、安装工程坚持以上至下的原则。12、施工队对自己施工项目以及相关分项工程项目的成品保护有直接责任,在签订合同中应特别注明。4、分项、分部工程成品保护措施4.1、主体部分4.1.1、土方工程(1(土方开挖完成后,应设专人看护防止扰动基底土,在基坑四周做1.5m高防护栏杆,刷红白漆,栏杆外围护安全网和高30cm的挡水墙。(2(土质钎探过程中,应随...

1、当您付费下载文档后,您只拥有了使用权限,并不意味着购买了版权,文档只能用于自身使用,不得用于其他商业用途(如 [转卖]进行直接盈利或[编辑后售卖]进行间接盈利)。
2、本站所有内容均由合作方或网友上传,本站不对文档的完整性、权威性及其观点立场正确性做任何保证或承诺!文档内容仅供研究参考,付费前请自行鉴别。
3、如文档内容存在违规,或者侵犯商业秘密、侵犯著作权等,请点击“违规举报”。

碎片内容

成品保护技术交底范文

爱的疯狂+ 关注
实名认证
内容提供者

该用户很懒,什么也没介绍

确认删除?
VIP
微信客服
  • 扫码咨询
会员Q群
  • 会员专属群点击这里加入QQ群
客服邮箱
回到顶部