电脑桌面
添加小米粒文库到电脑桌面
安装后可以在桌面快捷访问

停车场收费系统立方科技VIP免费

停车场收费系统立方科技_第1页
1/16
停车场收费系统立方科技_第2页
2/16
停车场收费系统立方科技_第3页
3/16
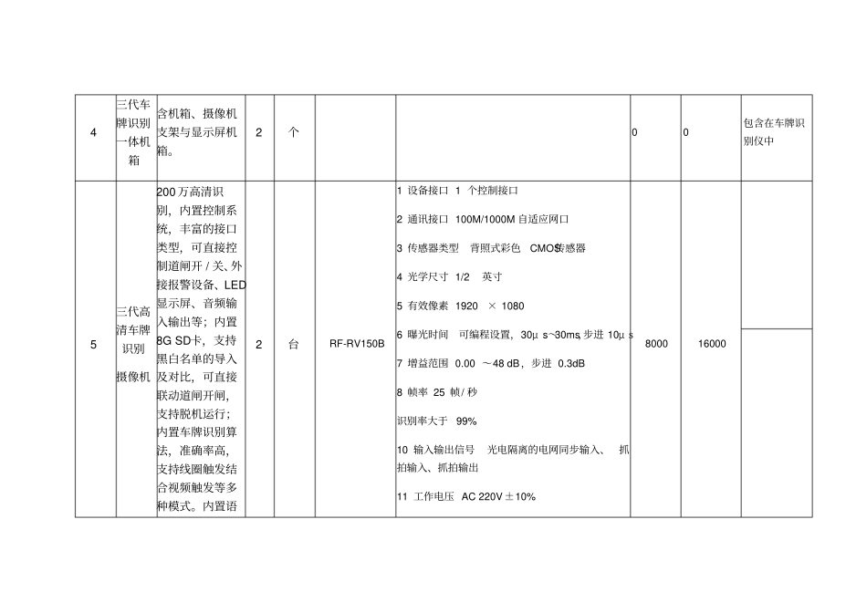
停车场收费系统(一期)序号名称参数数量单位型号参数单价合计备注一、入口设备1自动道闸标准3-6米直杆,每台道闸配2个遥控器、1个手动按钮。道闸起落杆时间3″、6″可选。三级减速,军工级别设计,500万次无故障运行2台RF-B15减速电机:一体式机芯设计;运行寿命保证要求:不小于500万次;MTBF:>100万次/往复;栏杆长度:3~5m;闸杆起落时间:3S;栏杆臂支架可以用于"右手"或"左手"式栏杆机;栏杆臂:使用安全安装结构及塑料螺丝,以达到防止暴力保护机械与传动部分;所有机械部件都经过镀锌防锈处理;通过正弦运动使栏杆臂稳定在终点位置;具有辅助开关可以控制栏杆臂中途停止并重新打开;500010000机芯工作温度:-25℃~+85℃;电控箱环境温度:-25℃~+85℃;相对湿度:≤90%;通信协议:TCP/IP;工作电源:AC220V±10%,50Hz±2Hz;功耗:≤150W;2感应线圈感应车辆2套00包含在车辆检测器中3车辆检测器防砸车、车过自动落闸。入口、出口道闸中各配1个2个RF-PM1255011004三代车牌识别一体机箱含机箱、摄像机支架与显示屏机箱。2个00包含在车牌识别仪中5三代高清车牌识别摄像机200万高清识别,内置控制系统,丰富的接口类型,可直接控制道闸开/关、外接报警设备、LED显示屏、音频输入输出等;内置8GSD卡,支持黑白名单的导入及对比,可直接联动道闸开闸,支持脱机运行;内置车牌识别算法,准确率高,支持线圈触发结合视频触发等多种模式。内置语2台RF-RV150B1设备接口1个控制接口2通讯接口100M/1000M自适应网口3传感器类型背照式彩色CMOS传感器4光学尺寸1/2英寸5有效像素1920×10806曝光时间可编程设置,30μs~30ms,步进10μs7增益范围0.00~48dB,步进0.3dB8帧率25帧/秒识别率大于99%10输入输出信号光电隔离的电网同步输入、抓拍输入、抓拍输出11工作电压AC220V±10%800016000音播报系统(比如:车牌号码停车时间及收费金额使用日期等用语)12整机功耗≤20W13工作温度-20℃~+70℃14工作湿度20%~90%(无凝结)15四行LED贴片式屏,每行可显示四个汉字(显示内容:日期时间、车牌号、收费金额、余位等信息)66字双层中英文显示屏入口显示车牌号,车场余位,直连摄像机,布线简单2个00包含在车牌识别仪中7红绿箭头指示屏绿灯箭头通行指示,直连道闸,布线简单2个00无8语音系统语音播报显示车牌号码2套00包含在车牌识别仪中9补光灯含16个LED灯珠,夜间补光,增强识别效果,2个00包含在车牌识别仪中带光敏感应,白天不亮,夜间亮!10专用电源专用电源3A12V2个00包含在车牌识别仪中二、出口设备01自动道闸标准3-6米直杆,每台道闸配2个遥控器、1个手动按钮。道闸起落杆时间3″、6″可选。三级减速,军工级别设计,500万次无故障运行!3台RF-B155000150002感应线圈感应车辆3套003车辆检测器防砸车、车过自动落闸。入口、3个RF-PM125501650出口道闸中各配1个4三代车牌识别一体机箱含机箱、摄像机支架与显示屏机箱。3个005三代高清车牌识别200万高清识别,内置控制系统,丰富的接口类型,可直接控制道闸开/关、外接报警设备、LED显示屏、音频输入输出等;内置8GSD卡,支持黑白名单的导入及对比,可直接联动道闸开闸,支持脱机运行;内置车牌识别算法,准确率高,3台RF-RV150B800024000摄像机支持线圈触发结合视频触发等多种模式。内置语音播报系统(比如:车牌号码停车时间及收费金额使用日期等用语)66字双层中英文显示屏入口显示车牌号,车场余位,直连摄像机,布线简单3个007红绿箭头指示屏绿灯箭头通行指示,直连道闸,布线简单3个008语音系统语音播报显示车牌号码3套009补光灯含16个LED灯珠,夜间补光,增强识别效果,3个00带光敏感应,白天不亮,夜间亮!10专用电源专用电源3A12V3个00三、后端设备线材及辅料01车牌识别管理软件车牌识别管理系统软件1套RF-OCS-P4.0.41300030002软件加密狗查询收费金额,发行车牌管理1个00包含在管理软件中3管理电脑专用管理电脑2台0自备4岗亭定制1套0自备5安全岛定制1套0自备6光纤收发器全千兆光纤收发器4对0自备7光纤4芯单模光纤依据现场米自备8超五类网线通用依据现场米自备9电源线RVV2*1.0依据现场米自备停车场收费系统(二期)0序号名称参数数量...

1、当您付费下载文档后,您只拥有了使用权限,并不意味着购买了版权,文档只能用于自身使用,不得用于其他商业用途(如 [转卖]进行直接盈利或[编辑后售卖]进行间接盈利)。
2、本站所有内容均由合作方或网友上传,本站不对文档的完整性、权威性及其观点立场正确性做任何保证或承诺!文档内容仅供研究参考,付费前请自行鉴别。
3、如文档内容存在违规,或者侵犯商业秘密、侵犯著作权等,请点击“违规举报”。

碎片内容

停车场收费系统立方科技

您可能关注的文档

确认删除?
VIP
微信客服
  • 扫码咨询
会员Q群
  • 会员专属群点击这里加入QQ群
客服邮箱
回到顶部