电脑桌面
添加小米粒文库到电脑桌面
安装后可以在桌面快捷访问

BNTQ2004MX同期装置后台监控通讯规约-微机保护VIP免费

BNTQ2004MX同期装置后台监控通讯规约-微机保护_第1页
1/3
BNTQ2004MX同期装置后台监控通讯规约-微机保护_第2页
2/3
BNTQ2004MX同期装置后台监控通讯规约-微机保护_第3页
3/3
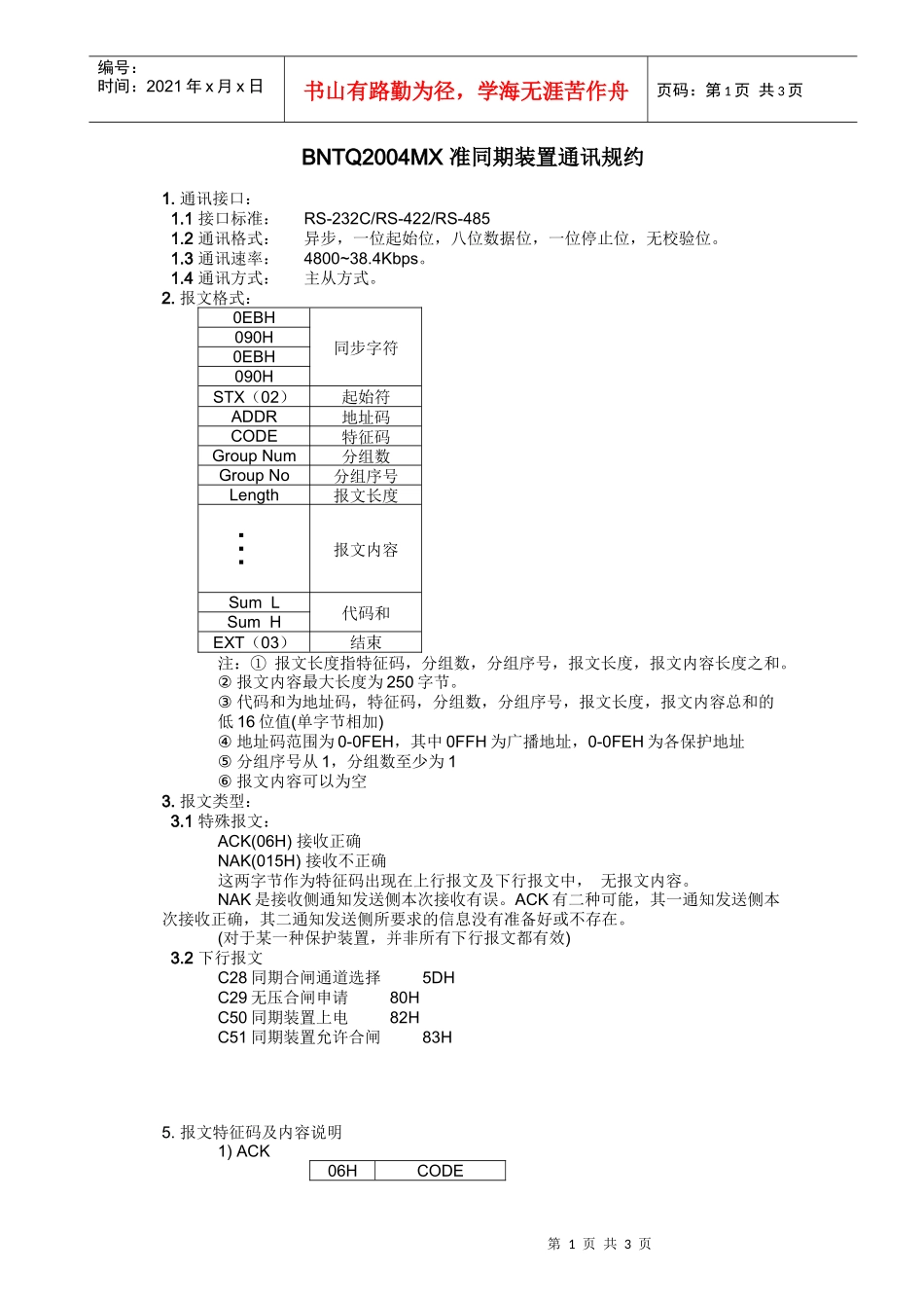
第1页共3页编号:时间:2021年x月x日书山有路勤为径,学海无涯苦作舟页码:第1页共3页BNTQ2004MX准同期装置通讯规约1.通讯接口:1.1接口标准:RS-232C/RS-422/RS-4851.2通讯格式:异步,一位起始位,八位数据位,一位停止位,无校验位。1.3通讯速率:4800~38.4Kbps。1.4通讯方式:主从方式。2.报文格式:0EBH同步字符090H0EBH090HSTX(02)起始符ADDR地址码CODE特征码GroupNum分组数GroupNo分组序号Length报文长度…报文内容SumL代码和SumHEXT(03)结束注:①报文长度指特征码,分组数,分组序号,报文长度,报文内容长度之和。②报文内容最大长度为250字节。③代码和为地址码,特征码,分组数,分组序号,报文长度,报文内容总和的低16位值(单字节相加)④地址码范围为0-0FEH,其中0FFH为广播地址,0-0FEH为各保护地址⑤分组序号从1,分组数至少为1⑥报文内容可以为空3.报文类型:3.1特殊报文:ACK(06H)接收正确NAK(015H)接收不正确这两字节作为特征码出现在上行报文及下行报文中,无报文内容。NAK是接收侧通知发送侧本次接收有误。ACK有二种可能,其一通知发送侧本次接收正确,其二通知发送侧所要求的信息没有准备好或不存在。(对于某一种保护装置,并非所有下行报文都有效)3.2下行报文C28同期合闸通道选择5DHC29无压合闸申请80HC50同期装置上电82HC51同期装置允许合闸83H5.报文特征码及内容说明1)ACK06HCODE第2页共3页第1页共3页编号:时间:2021年x月x日书山有路勤为径,学海无涯苦作舟页码:第2页共3页1GROUPNUM0GROUPNo4LENGTH2)NAK15HCODE15H1GROUPNUM1GROUPNUM0GROUPNo或0GROUPNo5LENGTH4LENGTHcode错误码code:0.超时1.确认与申请不符2.序号不存在3.开关状态不对应4.遥信变位3)查询命令C11)同期合闸确认5DHCODE1GROUPNUM0GROUPNo10LENGTH序号CONTENT开合状态序号取反状态取反序号开合状态序号是指1-8的通道号,状态没有意义。装置正确收到合闸报文后,原样返回该报文。2)无压合闸确认80HCODE1GROUPNUM0GROUPNo6LENGTH开合状态CONTENT状态取反开合状态=CCH发送无压合闸脉冲。装置正确收到报文后,原样返回该报文3)允许合闸命令81HCODE1GROUPNUM0GROUPNo6LENGTH开合状态CONTENT状态取反状态=CC允许合闸33禁止合闸装置正确收到报文后,原样返回该报文4)同期装置上电82HCODE1GROUPNUM0GROUPNo6LENGTH开合状态CONTENT状态取反第3页共3页第2页共3页编号:时间:2021年x月x日书山有路勤为径,学海无涯苦作舟页码:第3页共3页状态=CC装置上电33装置断电装置正确收到报文后,原样返回该报文5)设置装置地址88HCODE1GROUPNUM0GROUPNo6LENGTH装置新地址CONTENT保留字节装置正确收到报文后,将装置的地址设为新的地址,并且装置会发出笛的一声。新的装置地址要在装置重新上电才生效。

1、当您付费下载文档后,您只拥有了使用权限,并不意味着购买了版权,文档只能用于自身使用,不得用于其他商业用途(如 [转卖]进行直接盈利或[编辑后售卖]进行间接盈利)。
2、本站所有内容均由合作方或网友上传,本站不对文档的完整性、权威性及其观点立场正确性做任何保证或承诺!文档内容仅供研究参考,付费前请自行鉴别。
3、如文档内容存在违规,或者侵犯商业秘密、侵犯著作权等,请点击“违规举报”。

碎片内容

BNTQ2004MX同期装置后台监控通讯规约-微机保护

确认删除?
VIP
微信客服
  • 扫码咨询
会员Q群
  • 会员专属群点击这里加入QQ群
客服邮箱
回到顶部