电脑桌面
添加小米粒文库到电脑桌面
安装后可以在桌面快捷访问

(整理)40RS232标准串口设计的单电源电平转换芯片_MAX232_中文资料及应用VIP免费

(整理)40RS232标准串口设计的单电源电平转换芯片_MAX232_中文资料及应用_第1页
1/9
(整理)40RS232标准串口设计的单电源电平转换芯片_MAX232_中文资料及应用_第2页
2/9
(整理)40RS232标准串口设计的单电源电平转换芯片_MAX232_中文资料及应用_第3页
3/9
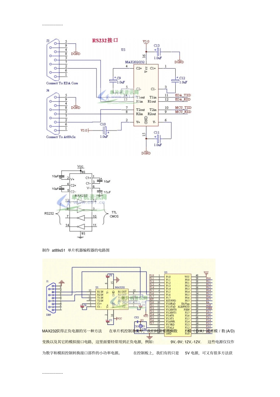
..................................max232中文资料及应用一.max232资料简介该产品是由德州仪器公司(TI)推出的一款兼容RS232标准的芯片。由于电脑串口rs232电平是-10v+10v,而一般的单片机应用系统的信号电压是ttl电平0+5v,max232就是用来进行电平转换的,该器件包含2驱动器、2接收器和一个电压发生器电路提供TIA/EIA-232-F电平。该器件符合TIA/EIA-232-F标准,每一个接收器将TIA/EIA-232-F电平转换成5-VTTL/CMOS电平。每一个发送器将TTL/CMOS电平转换成TIA/EIA-232-F电平。主要特点1、单5V电源工作2、LinBiCMOSTM工艺技术3、两个驱动器及两个接收器4、±30V输入电平5、低电源电流:典型值是8mA6、符合甚至优于ANSI标准EIA/TIA-232-E及ITU推荐标准V.287、ESD保护大于MIL-STD-883(方法3015)标准的2000V下图为MX232双串口的连接图,可以分别接单片机的串行通信口或者实验板的其它串行通信接口:三.max232应用电路,注意电容接法。232是电荷泵芯片,可以完成两路TTL/RS-232电平的转换,它的的9、10、11、12引脚是TTL电平端,用来连接单片机的。..................................制作at89s51单片机器编程器的电路图MAX232获得正负电源的另一种方法在单片机控制系统中,我们时常要用到数/模(D/A)或者模/数(A/D)变换以及其它的模拟接口电路,这里面要经常用到正负电源,例如:9V,-9V;12V,-12V.这些电源仅仅作为数字和模拟控制转换接口部件的小功率电源。在控制板上,我们有的只是5V电源,可又有很多方法获..................................得非5V电源。1.外接;2.DC-DC变换......在这里我介绍一块大家常用的芯片:MAX232.MAX232是TTL--RS232电平转换的典型芯片,按照芯片的推荐电路,取振荡电容为uF的时候,若输入为5V,输出可以达到-14V左右,输入为0V,输出可以达到14V,在扇出电流为20mA的时候,处处电压可以稳定在12V和-12V.因此,在功耗不是很大的情况下,可以将MAX232的输出信号经稳压块后作电源使用。我在网上搜索了一些232的例程,但用单片机向PC发数据的程序较少,所有自己无耐,写了该程序用于测试芯片有没有正常工作,希望能给有需要的朋友带来点方便!#include//包含单片机内部资源预定义__CONFIG(0x3F52);//4M晶体HS振荡/*******************************************************************************延时1MS带参数(int)子程序*******************************************************************************/voiddelay(unsignedinttime){unsignedinta,b;for(a=0;a

1、当您付费下载文档后,您只拥有了使用权限,并不意味着购买了版权,文档只能用于自身使用,不得用于其他商业用途(如 [转卖]进行直接盈利或[编辑后售卖]进行间接盈利)。
2、本站所有内容均由合作方或网友上传,本站不对文档的完整性、权威性及其观点立场正确性做任何保证或承诺!文档内容仅供研究参考,付费前请自行鉴别。
3、如文档内容存在违规,或者侵犯商业秘密、侵犯著作权等,请点击“违规举报”。

碎片内容

(整理)40RS232标准串口设计的单电源电平转换芯片_MAX232_中文资料及应用

您可能关注的文档

确认删除?
微信客服
  • 扫码咨询
会员Q群
  • 会员专属群点击这里加入QQ群