电脑桌面
添加小米粒文库到电脑桌面
安装后可以在桌面快捷访问

交通工程资料用表说明VIP免费

交通工程资料用表说明_第1页
1/49
交通工程资料用表说明_第2页
2/49
交通工程资料用表说明_第3页
3/49
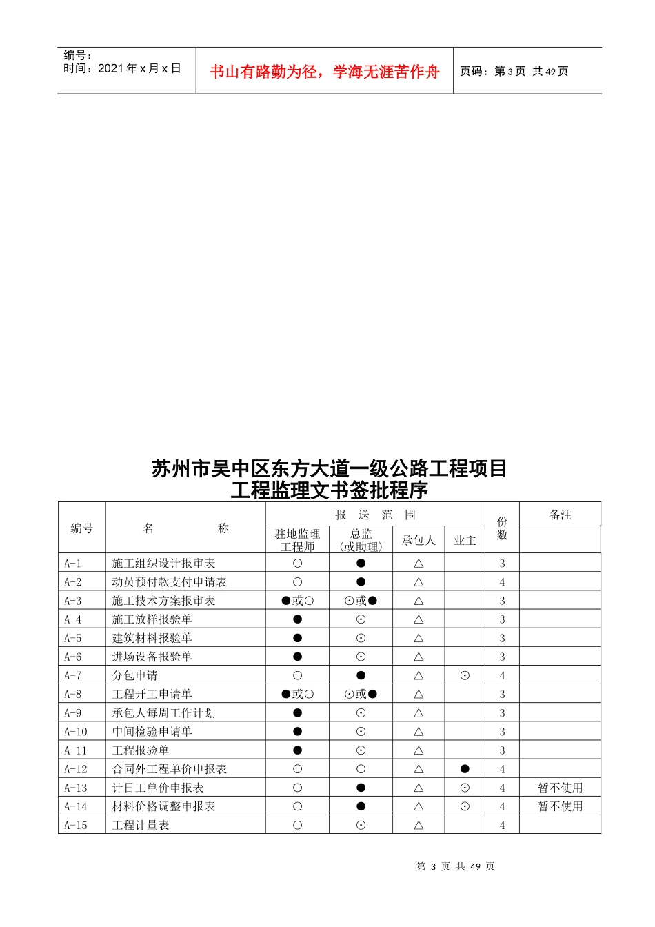
第1页共49页编号:时间:2021年x月x日书山有路勤为径,学海无涯苦作舟页码:第1页共49页前言本次基本表格是按照交通部《公路工程施工监理规范》监理用表,参照江苏省高速公路建设指挥部《江苏省高速公路工程项目基本表格及用表说明》(二OO一年五月版),和《公路工程质量检验评定标准》(JTJ071-98),并结合东方大道建设管理实际情况制订试行的。制订过程中,着重按照“二级监理”新模式,对表格签认审批程序进行了调整,并根据以往工程管理经验和目前需要,补充了部分表格。如在工程实施过程中仍有部分内业资料无专用表格,可采用相关工程用表,但应征得驻地监理组的认可。使用时,所有表格应激光打印(A4规格),内容文字手写(碳素墨水,蓝黑墨水或黑色签字笔)或激光打印,并应按表格要求的项目内容认真填写完整,做到内容真实、数据准确、签字完备。在用表过程中,如发现表格中内容、标准与中华人民共和国交通部发布的有关标准、规范、施工招标文件有关条款及设计图纸的要求不一致时,应以交通部发布的有关标准、规范及招标文件、设计图纸为准,并请将使用过程中存在的问题及时通知东方大道项目部,以便重新修订时参考。第2页共49页第1页共49页编号:时间:2021年x月x日书山有路勤为径,学海无涯苦作舟页码:第2页共49页总目录一、监理文书签批程序……………………………………………1二、承包人用表(编号A)………………………………………33三、监理工程师用表(编号B)…………………………………36四、道路工程质量检验单(编号C-1)…………………………55五、桥梁工程质量检验单(编号C-2)…………………………114六、交通工程设施项目质量检验单(编号C-3)………………158七、试验记录表(编号D)…………………………………………169八、财务支付月报表(编号E)…………………………………170九、质量检验评定用表(编号H)………………………………193第3页共49页第2页共49页编号:时间:2021年x月x日书山有路勤为径,学海无涯苦作舟页码:第3页共49页苏州市吴中区东方大道一级公路工程项目工程监理文书签批程序编号名称报送范围份数备注驻地监理工程师总监(或助理)承包人业主A-1施工组织设计报审表○●△3A-2动员预付款支付申请表○●△4A-3施工技术方案报审表●或○⊙或●△3A-4施工放样报验单●⊙△3A-5建筑材料报验单●⊙△3A-6进场设备报验单●⊙△3A-7分包申请○●△⊙4A-8工程开工申请单●或○⊙或●△3A-9承包人每周工作计划●⊙△3A-10中间检验申请单●⊙△3A-11工程报验单●⊙△3A-12合同外工程单价申报表○○△●4A-13计日工单价申报表○●△⊙4暂不使用A-14材料价格调整申报表○●△⊙4暂不使用A-15工程计量表○⊙△4第4页共49页第3页共49页编号:时间:2021年x月x日书山有路勤为径,学海无涯苦作舟页码:第4页共49页A-16计量支付数量汇总表○⊙△4A-17合同工程月计量申报表○⊙△4A-18合同外工程月计量申报表○⊙△4A-19计日工月计量申报表○⊙△4暂不使用A-20-1索赔申报表○●△⊙4A-20-2索赔申报表(重大)○○△●4A-21复工申请○●△3A-22-1设计变更报审表(一般变更)○●△6A-22-2设计变更报审表(重要变更)○●△6A-22-3设计变更报审表(重大变更)○○△●6A-23-1事故报告单○●△⊙4A-23-2事故报告单(重大)○○△●4A-24延长工期申报表○●△⊙4A-25竣工报验单○●△⊙4A-26缺陷责任期终止工程报验单○●△⊙4A-27承包人申报表(通用)●或○⊙或●△4A-28合同内工程单价申报表○○△●4A-29首件工程认可申请表○●△3A-30月工程(施工)报告一般内容●或○⊙或●△3说明:1、承包人发出的文件主送驻地监理工程师。2、表中符号:△-发件,○-审查,●-审批,⊙-报备,□-收件。苏州市吴中区东方大道一级公路工程项目工程监理文书签批程序编号名称报送范围份数备注驻地监理工程师总监(或助理)承包人业主B-0-1驻地监理机构进场情况审批表△●2B-0-2工程开工通知书△⊙□3B-1监理工程师通知(通用)△△□3B-2合同外工程通知单□△□⊙4B-3计日工通知□△□⊙4暂不使用B-4-1设计变更通知(一般变更)□△□6B-4-2设计变更通知(重要变更)...

1、当您付费下载文档后,您只拥有了使用权限,并不意味着购买了版权,文档只能用于自身使用,不得用于其他商业用途(如 [转卖]进行直接盈利或[编辑后售卖]进行间接盈利)。
2、本站所有内容均由合作方或网友上传,本站不对文档的完整性、权威性及其观点立场正确性做任何保证或承诺!文档内容仅供研究参考,付费前请自行鉴别。
3、如文档内容存在违规,或者侵犯商业秘密、侵犯著作权等,请点击“违规举报”。

碎片内容

交通工程资料用表说明

确认删除?
VIP
微信客服
  • 扫码咨询
会员Q群
  • 会员专属群点击这里加入QQ群
客服邮箱
回到顶部