电脑桌面
添加小米粒文库到电脑桌面
安装后可以在桌面快捷访问

《杭州市城市建筑工程机动车停车位配建标准实施细则(试行)》VIP专享VIP免费

《杭州市城市建筑工程机动车停车位配建标准实施细则(试行)》_第1页
1/8
《杭州市城市建筑工程机动车停车位配建标准实施细则(试行)》_第2页
2/8
《杭州市城市建筑工程机动车停车位配建标准实施细则(试行)》_第3页
3/8
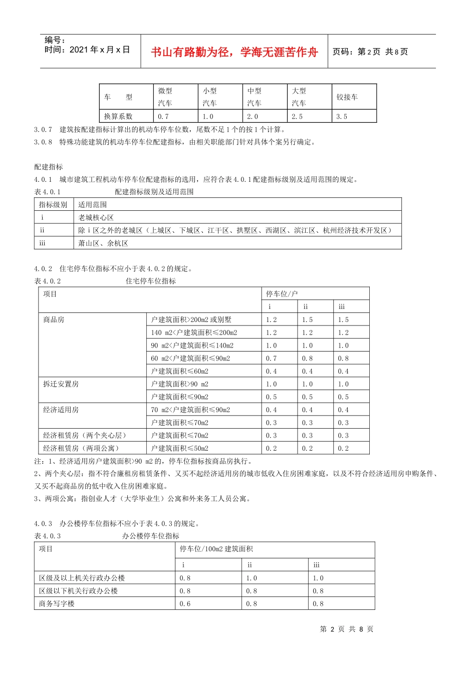
第1页共8页编号:时间:2021年x月x日书山有路勤为径,学海无涯苦作舟页码:第1页共8页杭州市城市建筑工程机动车停车位配建标准实施细则(试行)杭州市建设委员会杭州市规划局杭州市公安局二○○九年六月1总则1.0.1为加强我市对建筑工程机动车配建停车设施的规划管理,使停车设施的设计和建设符合合理的车辆停放需求,实现城市动静态交通运行协调、平衡发展,根据国家和本市有关法律、法规、规章的规定,制定本《实施细则》。1.0.2本《实施细则》适用于我市市区范围。1.0.3本《实施细则》在浙江省《城市建筑工程停车场(库)设置规则和配建标准》的基础上,为适应杭州市的机动车停车需求特点,增加了建筑工程的分区,进一步细化和完善了建筑工程分类及相应的停车配建指标。1.0.4城市建筑工程机动车停车位的配置和设计,除应执行本《实施细则》外,还应符合国家、行业及地方现行的有关设计标准和规范的强制性规定。2术语2.0.1城市建筑工程urbanarchitecturalengineering泛指城市规划区内包括新建、改建和扩建的公共建筑、住宅,以及工厂、仓库等。2.0.2公共建筑publicbuilding泛指为人们提供公共服务和使用的各类建筑,主要有行政办公建筑、文教体卫建筑、商业金融业建筑等。2.0.3配建停车设施accessoryparkingfacilities指在各类建筑或设施附属建设,为与之相关的出行者提供停车服务的停车设施。2.0.4基地出入口entrance/exitofbases指为各类建筑工程建设用地上内部道路与城市道路的连接口。2.0.5交通影响分析trafficimpactanalysis指通过研究城市开发项目与交通需求增长之间的关系,分析开发项目对城市交通的影响程度和影响范围,进而确定保持服务水平不下降的对策或修改方案,实施补偿政策,以减少开发项目对城市交通负荷的影响。3一般规定3.0.1新建、扩建、改建的建筑,应按第4章表中规定的指标建设机动车停车位。原建筑已有机动车停车位不符合本《实施细则》规定者,应在改、扩建规划设计时按规定的标准配置。3.0.2建筑配建的停车设施应设置在其用地范围内;但建设在同一道路或者相邻道路上的二宗以上建设项目,其相邻距离不超过100m的,在统一申请、统一设计、统一建设、统一使用的条件下,经批准后可集中统一设置停车设施。3.0.3建筑配建停车设施的机动车出入口、主体建筑主要人流出入口与基地内部道路之间应保证有合理顺畅的交通联系。3.0.4建筑配建的停车设施可采用地面停车场、地下停车库、地上停车楼等多种形式。停车设施的布局,应满足建筑、消防、交通等相关专业的技术要求。3.0.5各类建筑应按表4.0.15的指标,配建装卸停车位、出租车停车位、大客车停车位、无障碍车辆停车位等特殊车辆停车位。其中,大型车辆停车位宜设置在地面上。3.0.6本《实施细则》规定的建筑配建机动车停车位指标,以小型汽车停车位为计算单位。需安排的其它车型机动车停车位,除货物装卸车位外,可按表3.0.6所列的换算值折合成小型汽车停车位进行计算。表3.0.6各种类型车辆停车位换算系数第2页共8页第1页共8页编号:时间:2021年x月x日书山有路勤为径,学海无涯苦作舟页码:第2页共8页车型微型汽车小型汽车中型汽车大型汽车铰接车换算系数0.71.02.02.53.53.0.7建筑按配建指标计算出的机动车停车位数,尾数不足1个的按1个计算。3.0.8特殊功能建筑的机动车停车位配建指标,由相关职能部门针对具体个案另行确定。配建指标4.0.1城市建筑工程机动车停车位配建指标的选用,应符合表4.0.1配建指标级别及适用范围的规定。表4.0.1配建指标级别及适用范围指标级别适用范围ⅰ老城核心区ⅱ除ⅰ区之外的老城区(上城区、下城区、江干区、拱墅区、西湖区、滨江区、杭州经济技术开发区)ⅲ萧山区、余杭区4.0.2住宅停车位指标不应小于表4.0.2的规定。表4.0.2住宅停车位指标项目停车位/户ⅰⅱⅲ商品房户建筑面积>200m2或别墅1.21.51.5140m2<户建筑面积≤200m21.21.21.290m2<户建筑面积≤140m21.01.01.060m2<户建筑面积≤90m20.70.80.8户建筑面积≤60m20.40.40.4拆迁安置房户建筑面积>90m21.01.01.0户建筑面积≤90m20.50.50.5经济适用房70m2<户建筑面积≤90m20.40.40.4户建筑面积≤70m20.30.30.3经济租赁房(两个夹...

1、当您付费下载文档后,您只拥有了使用权限,并不意味着购买了版权,文档只能用于自身使用,不得用于其他商业用途(如 [转卖]进行直接盈利或[编辑后售卖]进行间接盈利)。
2、本站所有内容均由合作方或网友上传,本站不对文档的完整性、权威性及其观点立场正确性做任何保证或承诺!文档内容仅供研究参考,付费前请自行鉴别。
3、如文档内容存在违规,或者侵犯商业秘密、侵犯著作权等,请点击“违规举报”。

碎片内容

《杭州市城市建筑工程机动车停车位配建标准实施细则(试行)》

确认删除?
VIP
微信客服
  • 扫码咨询
会员Q群
  • 会员专属群点击这里加入QQ群
客服邮箱
回到顶部