电脑桌面
添加小米粒文库到电脑桌面
安装后可以在桌面快捷访问

人防工程施工组织设计范本VIP专享VIP免费

人防工程施工组织设计范本_第1页
1/63
人防工程施工组织设计范本_第2页
2/63
人防工程施工组织设计范本_第3页
3/63
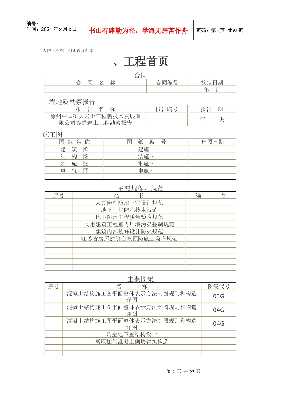
第1页共63页编号:时间:2021年x月x日书山有路勤为径,学海无涯苦作舟页码:第1页共63页人防工程施工组织设计范本、工程首页合同合同名称合同编号签定日期年月工程地质勘察报告报告名称报告编号报告日期徐州中国矿大岩土工程新技术发展有限公司提供岩土工程勘察报告年月施工图图纸名称图纸编号出图日期建筑图建施~结构图结施~水施图水施~电气图电施~主要规程、规范序号名称编号人民防空防地下室设计规范地下工程防水技术规范地下防水工程质量验收规范民用建筑工程室内环境污染控制规范建筑内部装修设计防火规范江苏省房屋建筑白蚁预防施工操作规范主要图集序号名称图集代号混凝土结构施工图平面整体表示方法制图规则和构造详图03G混凝土结构施工图平面整体表示方法制图规则和构造详图04G混凝土结构施工图平面整体表示方法制图规则和构造详图04G防空地下室结构设计蒸压加气混凝土砌块建筑构造第2页共63页第1页共63页编号:时间:2021年x月x日书山有路勤为径,学海无涯苦作舟页码:第2页共63页主要法规类别名称编号地方建筑工程技术资料管理规定公司质量体系程序文件名称编号编制日期版本号.工程概况工程建设概况工程名称工程地址建设单位勘察单位设计单位监理单位质量监督部门总包单位主要分包单位建设工期合同工期总投资额合同工程投资额主要功能用途工程建筑设计概况占地面积建筑面积总建筑面积42845m2层数地上层高首、二层4.5m地上面积31046.14m2地下层标准层2.8m地下面积11798.86m2地下4.5m、5.1m装饰外檐底部商场部分为浅棕色外挂花岗岩,上部住宅部分为浅黄色面砖楼地面水泥砂浆、防滑地砖、地砖、花岗石、抗静电架空地板等墙面涂料、乳胶漆顶棚涂料、乳胶漆楼梯电梯厅地面墙面顶棚防地下结构自防水、外贴改性沥青柔性油毡防水层第3页共63页第2页共63页编号:时间:2021年x月x日书山有路勤为径,学海无涯苦作舟页码:第3页共63页水屋面厕浴间聚氨脂防水涂膜阳台雨蓬保温节能外墙外保温、屋顶保温,厚聚苯乙烯泡沫塑料板绿化环境保护其它需说明的事项工程结构设计概况地基基础埋深15.65m持力层第⑤层卵、砾石层承载力标准值箱、板底板厚度:1000mm顶板厚度:200mm主体结构形式现浇钢筋混凝土框支剪力墙结构主要结构尺寸梁:板:柱:×()墙:抗震设防等级转换层以下为一级,以上为二级人防等级混凝土强度等级及抗渗要求基础底板、基础梁地下室外墙墙、梁、柱、板(11.2m以下)楼梯墙、梁、柱、板(11.2m以下)垫层钢筋类别:Ⅰ级圆钢、Ⅱ级螺纹钢特殊结构(钢结构、网架、预应力)其它需说明的事项建筑设备安装:详《水电施工组织设计》自然条件第4页共63页第3页共63页编号:时间:2021年x月x日书山有路勤为径,学海无涯苦作舟页码:第4页共63页2.5.1气象条件2.5.2工程地质及水文条件工程基础置于卵、砾石层上,处在地下水位以下,需进行降水处理。2.5.3地形条件施工现场位于建外大街,北京市较繁华地带,在50m范围内有多处居民住宅楼、星级宾馆、学校等多栋重要建筑,须合理组织施工工序,避免施工扰民。2.5.4周围道路及交通条件施工现场外道路受交通管制,材料运输进出场均受时间限制,须合理组织施工,尽量避免施工扰民和交通运输问题。2.5.5场区及周边地下管线工程特点2.6.1施工场地狭小,现场道路无法转通;2.6.2建筑物长97.2m,宽41.0m,单层面积大,基础结构复杂。.施工部署工程目标序号目标管理内容质量目标一次验收为优良工期目标按合同工期竣工交验安全目标杜绝死亡事故,轻伤频率<‰文明施工目标创徐州市安全文明工地成本目标项目经理部组织机构第5页共63页第4页共63页编号:时间:2021年x月x日书山有路勤为径,学海无涯苦作舟页码:第5页共63页3.1.1为确保工程施工顺利进行,公司特安排具有丰富施工经验的中青年人员,组建森林湾防空地下室工程项目经理部,负责现场的施工管理工作。经理部将本着精干、高效、优质的原则代表公司法人履行对业主的承诺,保质、保量的按合同要求完成施工任务。3.1.2项目经理部由一名具有丰富住宅施工经验、建设部一级项目经理资质的工程师担任经理,由两名具有丰富现场施工经验的工程师担任项目总工程师,另外还由两名现场经验丰...

1、当您付费下载文档后,您只拥有了使用权限,并不意味着购买了版权,文档只能用于自身使用,不得用于其他商业用途(如 [转卖]进行直接盈利或[编辑后售卖]进行间接盈利)。
2、本站所有内容均由合作方或网友上传,本站不对文档的完整性、权威性及其观点立场正确性做任何保证或承诺!文档内容仅供研究参考,付费前请自行鉴别。
3、如文档内容存在违规,或者侵犯商业秘密、侵犯著作权等,请点击“违规举报”。

碎片内容

人防工程施工组织设计范本

确认删除?
VIP
微信客服
  • 扫码咨询
会员Q群
  • 会员专属群点击这里加入QQ群
客服邮箱
回到顶部