电脑桌面
添加小米粒文库到电脑桌面
安装后可以在桌面快捷访问

高中化学《化学能与热能》教案13 新人教版必修2VIP免费

高中化学《化学能与热能》教案13 新人教版必修2_第1页
1/4
高中化学《化学能与热能》教案13 新人教版必修2_第2页
2/4
高中化学《化学能与热能》教案13 新人教版必修2_第3页
3/4
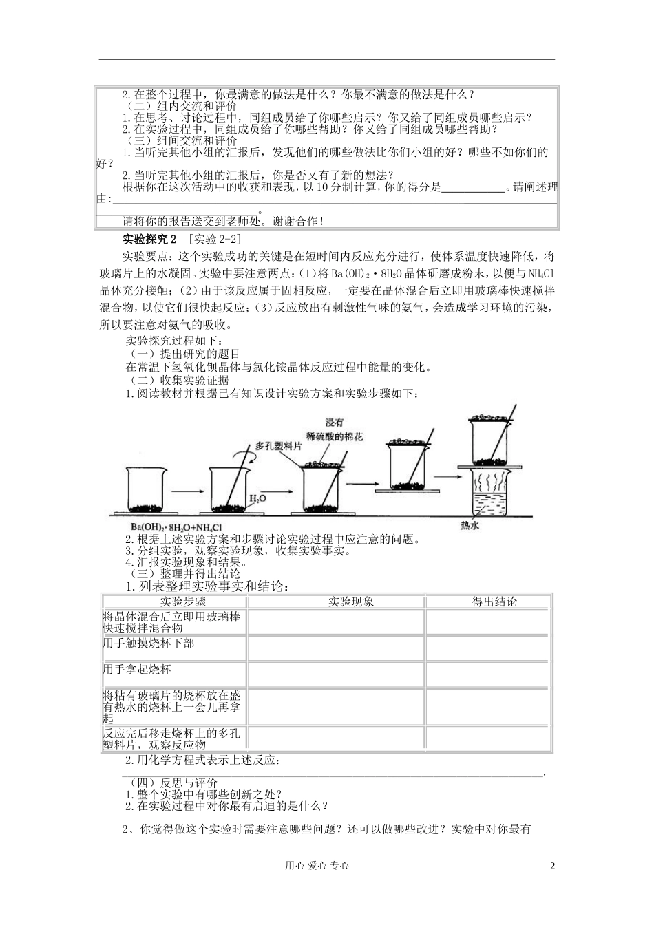
第一节化学能与热能教学目标:1、通过实验知道化学反应中能量变化的主要表现形式,能根据事实判断吸热反应、放热反应,能说出中和热的涵义。2、通过实验探究体验科学研究的一般过程,了解科学研究的基本方法。重点难点:吸热反应、放热反应、中和热等基本概念。教学过程:[基础知识回顾]什么是化学键?______________________________________________。它有哪些主要类型?_____________________,其特点各是什么?______________________________________.[基础知识预习]1.我们知道,分子或化合物里的原子之间是通过____________相结合的,而化学键是与______联系在一起的.当物质发生化学反应时,断开反应物的化学键要________(放出或吸收)能量,而形成生成物的化学键要_________(放出或吸收)能量,因此,一个化学反应在发生过程中是放出能量还是吸收能量取决于______________________________________________的相对大小.所以,化学反应中能量变化的主要原因是________________________________.2.化学上把______热量的化学反应叫做放热反应,______热量的化学反应叫做放热反应.3.化学能是能量的一种形式,它同样可以转化为其他形式的能量,如_______________等.4.一种能量可以转化为其他另一种能量,但是总的能量_______,这就是能量守恒定律.实验探究1【实验2-1】实验要点:铝与稀酸和弱酸反应现象不明显,常常需要加热,所以要选择强酸且浓度不要太低。尽量使用纯度好的铝条,反应前要用砂纸打磨光亮,这样进行实验时,用手触摸才能明显感觉到反应放热,用温度计测量效果会更好。实验报告设计:实验目的1.了解铝与盐酸反应中热量变化的情况;2.学会观察和测定化学反应中热量变化的方法。实验要求组内成员共同合作完成下列三个栏目中所要求的学习任务。实验活动时间:小组成员姓名:思考与讨论1.铝与盐酸反应的化学方程式:__________________。2.在反应过程中你将能看到什么现象?3.用眼睛不能直接观察到反应中的热量变化,你将采取哪些简单易行的办法来了解反应中的热量变化?4.要明显的感知或测量反应中的热量变化,你在实验中应注意哪些问题?实验记录实验步骤*眼睛看到的现象用手触摸的感觉用温度计测量的数据在一支试管中加入2~3mL6mol/L的盐酸溶液向含有盐酸溶液的试管中插入用砂纸打磨光的铝条结论反思与评价(一)个人反思和总结1.通过这个实验你学到了哪些化学知识?学会了哪些实验方法?用心爱心专心12.在整个过程中,你最满意的做法是什么?你最不满意的做法是什么?(二)组内交流和评价1.在思考、讨论过程中,同组成员给了你哪些启示?你又给了同组成员哪些启示?2.在实验过程中,同组成员给了你哪些帮助?你又给了同组成员哪些帮助?(三)组间交流和评价1.当听完其他小组的汇报后,发现他们的哪些做法比你们小组的好?哪些不如你们的好?2.当听完其他小组的汇报后,你是否又有了新的想法?根据你在这次活动中的收获和表现,以10分制计算,你的得分是。请阐述理由:____________________________________________。请将你的报告送交到老师处。谢谢合作!实验探究2[实验2-2]实验要点:这个实验成功的关键是在短时间内反应充分进行,使体系温度快速降低,将玻璃片上的水凝固。实验中要注意两点:(1)将Ba(OH)2·8H2O晶体研磨成粉末,以便与NH4Cl晶体充分接触;(2)由于该反应属于固相反应,一定要在晶体混合后立即用玻璃棒快速搅拌混合物,以使它们很快起反应;(3)反应放出有刺激性气味的氨气,会造成学习环境的污染,所以要注意对氨气的吸收。实验探究过程如下:(一)提出研究的题目在常温下氢氧化钡晶体与氯化铵晶体反应过程中能量的变化。(二)收集实验证据1.阅读教材并根据已有知识设计实验方案和实验步骤如下:2.根据上述实验方案和步骤讨论实验过程中应注意的问题。3.分组实验,观察实验现象,收集实验事实。4.汇报实验现象和结果。(三)整理并得出结论1.列表整理实验事实和结论:实验步骤实验现象得出结论将晶体混合后立即用玻璃棒快速搅拌混合物用手触摸烧杯下部用手拿起烧杯将粘有玻璃片的烧杯放在盛有热水的烧杯上一会儿再拿起反应完后移走烧杯上的多孔塑料片,...

1、当您付费下载文档后,您只拥有了使用权限,并不意味着购买了版权,文档只能用于自身使用,不得用于其他商业用途(如 [转卖]进行直接盈利或[编辑后售卖]进行间接盈利)。
2、本站所有内容均由合作方或网友上传,本站不对文档的完整性、权威性及其观点立场正确性做任何保证或承诺!文档内容仅供研究参考,付费前请自行鉴别。
3、如文档内容存在违规,或者侵犯商业秘密、侵犯著作权等,请点击“违规举报”。

碎片内容

高中化学《化学能与热能》教案13 新人教版必修2

您可能关注的文档

确认删除?
VIP
微信客服
  • 扫码咨询
会员Q群
  • 会员专属群点击这里加入QQ群
客服邮箱
回到顶部