电脑桌面
添加小米粒文库到电脑桌面
安装后可以在桌面快捷访问

汽车吊性能全参数表徐VIP免费

汽车吊性能全参数表徐_第1页
1/15
汽车吊性能全参数表徐_第2页
2/15
汽车吊性能全参数表徐_第3页
3/15
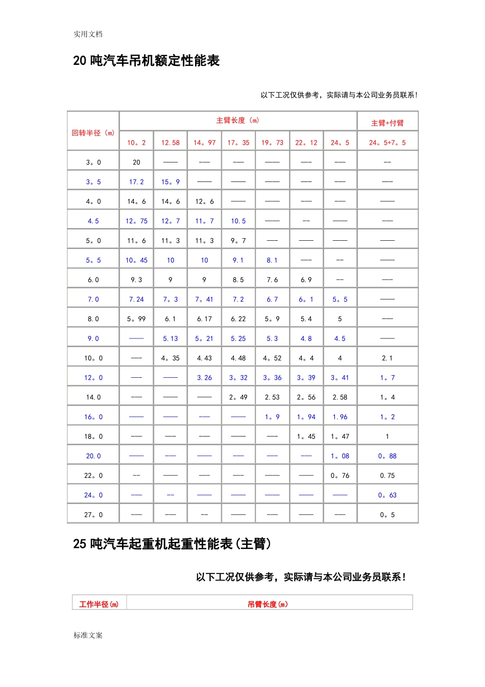
实用文档8-—500吨汽车吊性能参数表8吨汽车起重机性能表120吨汽车吊机额定性能表225吨汽车起重机起重性能表(主臂)230吨汽车起重机性能表(一)450吨汽车起重机性能表(主表)580吨汽车起重机起重性能表(一)7100t汽车吊性能表8120吨汽车起重机起重性能表8150吨汽车起重机性能表(一)9150吨汽车起重机性能表(二)10160t汽车吊性能表11200吨汽车吊车11260吨吊车性能表11LTM1300/1—300t全液压汽车吊机11LTM1500—500t全液压汽车吊机12LTM1500-500t全液压汽车吊机138吨汽车起重机性能表主要技术参数6。95m吊臂工作起升参数名称参数半径高度起重8.50m吊臂工作起升半径高度起重10。15m吊臂工作起升半径高度起重11。70m吊臂工作起升半径高度起重量(t)量(t)量(t)量(t)(m)(m)(m)(m)(m)(m)(m)(m)全车总重最大爬坡能力吊臂最大仰角15.50t3。27.58.03。49。26。74。210。64.24。912.03。222%3.77.15.44.08。84.55。010。13。15。811。42。44。36.54。04.78。33。45。79。62。56。710。81。9吊臂全伸时长度11。70m4.95。73.25.47。62。76.68。81.97.79。91.4吊臂全缩时长度6。95m5。54。62。66。26.82.27.57。71。58.88.61。0最大提升高度最小工作半径最小转弯半径12。00m3。20m9。20m6。95。61.88.46.31。29.77.00。97。54。21。59。04.81.010。55.20。8标准文案实用文档20吨汽车吊机额定性能表以下工况仅供参考,实际请与本公司业务员联系!主臂长度(m)回转半径(m)10。23。03。54。04.55。05。56.07.08.09.010。012。014.016。018。020.022。024。027。0主臂+付臂22。12—-—--—--———-6.96。15.44.84。43。392。561。941。45-———————24。5-—-—-—————----5。554.543。412.581.961。471。080。76——-—24。5+7。5--—-——-——————-——-———2.11。71。41。210。880.750。630。512.58——15。914。612。711。31097。36.15.134。35———————--———---—14。97-———12。611。711。31097。416.175。214.433.26——-—-————-——--17。35-—————10.59。79.18.57.26.225.254.483。322。49————-——-————19。73—————————-8.17.66.75。95.34。523。362.531。9—-—-————-—2017.214。612。7511。610。459.37.245。99———-—--———-———---—-—25吨汽车起重机起重性能表(主臂)以下工况仅供参考,实际请与本公司业务员联系!工作半径(m)吊臂长度(m)标准文案实用文档10。233.544。555。566.577。588.591012141618202224262829302520.61816。314。513.512。311。210。29。48.6813.7517。517。517。515。314.413.212。211109.28。47.97。26417.312.212。212.212。212.211.310。59.89。18.47。875。84。12.920.859。59。59.59。59。59.28。88。58。17。87。46。85.64。132。21。624.47。57。57。57。57.57。26。86。66.365。64。23。12。31。81。3127.9577776。76.47.26.15.33。92。92。21。71。30。90。70。531。55。15。15。15.15。154.84。43.732。31。71。310。80.50。40.3(注:本表内红字及红字以上栏目的数字为吊臂强度所决定,其下面栏目数字为倾翻力矩决定)25吨汽车起重机起重性能表(副臂)主臂主角80度75度70度65度60度55度标准文案7。5副臂副臂倾角5度2.52。52.051。751。551。3副臂倾角30度1。251.251。151。11。051。0实用文档50度1.050.830吨汽车起重机性能表(一)以下工况仅供参考,实际请与本公司业务员联系!主臂起重性能主要技术参数工作半径名称全车总重最大爬坡能力最大提升高度参数32.2t31%34。00m(m)3。003.353.504。004。504。85。05。56.06。57。010.00m30.0030。0028。1024。2021.4020.0019.2017。5016.0014。6013。50支腿全伸17。00m20.0020。0020。0020。0020。0020。0019.2017。5016。0014。6013。5013.0013.0013.0024。00m31.00m不用支腿10。00m8。007.006.405。104.203.703.402。802.309.009.001。901。60吊臂全伸时长度31.00m吊臂全缩时长度10。00m最小转弯半径最大仰角30t吊钩重12t吊钩重4t吊钩重10m吊臂时钢丝绳数10-17m时钢丝绳数24m时钢丝绳数31m时钢丝绳数11。50m80°0。35...

1、当您付费下载文档后,您只拥有了使用权限,并不意味着购买了版权,文档只能用于自身使用,不得用于其他商业用途(如 [转卖]进行直接盈利或[编辑后售卖]进行间接盈利)。
2、本站所有内容均由合作方或网友上传,本站不对文档的完整性、权威性及其观点立场正确性做任何保证或承诺!文档内容仅供研究参考,付费前请自行鉴别。
3、如文档内容存在违规,或者侵犯商业秘密、侵犯著作权等,请点击“违规举报”。

碎片内容

汽车吊性能全参数表徐

确认删除?
VIP
微信客服
  • 扫码咨询
会员Q群
  • 会员专属群点击这里加入QQ群
客服邮箱
回到顶部