电脑桌面
添加小米粒文库到电脑桌面
安装后可以在桌面快捷访问

施工安全风险分级划分表28119VIP专享VIP免费

施工安全风险分级划分表28119_第1页
1/17
施工安全风险分级划分表28119_第2页
2/17
施工安全风险分级划分表28119_第3页
3/17
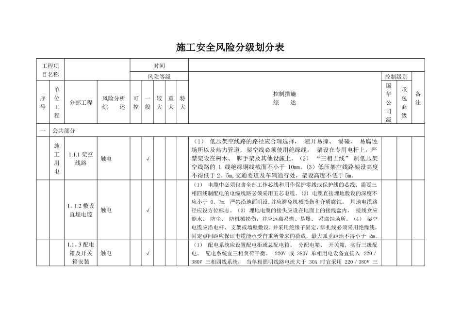
施工安全风险分级划分表工程项目名称单位工程时间风险等级控制措施综述控制级别国华公司级承包商级备注序号分部工程风险分析综述可一较重特控般大大大一公共部分施工用电1.1.1架空线路触电√(1)低压架空线路的路径应合理选择,避开易撞、易碰、易腐蚀场所以及热力管道.架空线必须使用绝缘线,架设在专用电杆上,严禁架设在树木、脚手架及其他设施上。(2)“三相五线”制低压架空线路的L线绝缘铜线截面不小于10mm。(3)低压架空线路架设高度不得低于2。5m,交通要道及车辆通行处,架设高度不低于5m。(1)电缆中必须包含全部工作芯线和用作保护零线或保护线的芯线;需要三相四线制配电的电缆线路必须采用五芯电缆。(2)电缆直接埋地敷设的深度不应小于0.7m.严禁沿地面明设,并应避免机械损伤和介质腐蚀。埋地电缆路1。1.2敷设直埋电缆触电√径应设方位标志。(3)埋地电缆的接头应设在地面上的接线盒内,接线盒应能水、防尘、防机械损伤,并应远离易燃、易爆、易腐蚀场所。(4)架空电缆应沿电杆、支架或墙壁敷设,并采用绝缘子固定,绑扎线必须采用绝缘线,固定点间距应保证电缆能承受自重所带来的荷载,最大弧垂距地不得小于2m。1.1。3配电箱及开关箱安装(1)配电系统应设置配电柜或总配电箱、分配电箱、开关箱,实行三级配触电√电。配电系统宜三相负荷平衡。220V或380V单相用电设备宜接入220/380V三相四线系统;当单相照明线路电流大于30A时宜采用220/380V三相四线制供电。(2)总配电箱应设在靠近电源的区域,分配电箱应设在用电设备或负荷相对集中的区域,分配电箱与开关箱的距离不得超过30m;开关箱与其控制的固定式用电设备的水平距离不宜超过3m,距离大于3m时应使用移动式开关箱(或便携式卷线盘);移动式开关箱至固定式开关箱之间的引线长度不得大于30m,且只能用橡套软电缆。(3)配电箱、开关箱的电源进线端严禁采用插头和插座做活动连接。移动式配电箱、开关箱的进、出线应采用橡皮护套绝缘电缆,不得有接头。(4)漏电保护器应装设在总配电箱、开关箱靠近负荷的一侧,且不得用于启动电气设备的操作。开关箱中漏电保护器的额定漏电动作电流不应大于30mA,额定漏电动作时间不应大于0.1s.使用于潮湿或有腐蚀介质场所的漏电保护器应采用防溅型产品,其额定漏电动作电流不应大于15mA,额定漏电动作时间不应大于0.1s。总配电箱中漏电保护器的额定漏电动作电流应大于30mA,额定漏电动作时间应大于0.1s,但其额定漏电动作电流与额定漏电动作时间的乘积不应大于30mAs.(1)起吊物应绑牢,并有防止倾倒措施。吊钩悬挂点应与吊物的重心在同一垂直线上,吊钩钢丝绳应保持垂直,严禁偏拉斜吊.落钩时,应防止吊物局部着地引起吊绳偏斜,吊物未固定好,严禁松钩.(2)吊索(千斤绳)的夹角一般不大于90°,最大不得超过120°,起重机吊臂的最大仰角不得超过制造厂铭牌规定.(3)起吊大件或不规则组件时,应在吊件上拴以牢固的溜绳。(4)起重工作吊装工程1.2一般起重吊装区域内无关人员不得停留或通过。在伸臂及吊物的下方,严禁任何人员通过或起重伤害√逗留。(5)起重机吊运重物时应走吊运通道,严禁从有人停留场所上空越过;对起吊的重物进行加工、清扫等工作时,应采取可靠的支承措施,并通知起重机操作人员。(6)吊起的重物不得在空中长时间停留.在空中短时间停留时,操作人员和指挥人员均不得离开工作岗位。起吊前应检查起重设备及其安全装置;重物吊离地面约10cm时应暂停起吊并进行全面检查,确认良好后方可正式起吊.(7)起重机在工作中如遇机械发生故障或有不正常现象时,放下重物、停止运转后进行排除,严禁在运转中进行调整或检修。如起重机发生故障无法放下重物时,必须采取适当的保险措施,除排险人员外,严禁任何人进入危险区。(8)不明重量、埋在地下或冻结在地面上的物件,不得起吊.(9)严禁以运行的设备、管道以及脚手架、平台等作为起吊重物的承力点.(10)两台及以上起重机抬吊情况下,绑扎时应根据各台起重机的允许起重量按比例分配负荷。(11)在抬吊过程中,各台起重机的吊钩钢丝绳应保持垂直,升降行走应保持同步。各台起重机所承受的载荷,不得超过各自的允许起重量...

1、当您付费下载文档后,您只拥有了使用权限,并不意味着购买了版权,文档只能用于自身使用,不得用于其他商业用途(如 [转卖]进行直接盈利或[编辑后售卖]进行间接盈利)。
2、本站所有内容均由合作方或网友上传,本站不对文档的完整性、权威性及其观点立场正确性做任何保证或承诺!文档内容仅供研究参考,付费前请自行鉴别。
3、如文档内容存在违规,或者侵犯商业秘密、侵犯著作权等,请点击“违规举报”。

碎片内容

施工安全风险分级划分表28119

确认删除?
VIP
微信客服
  • 扫码咨询
会员Q群
  • 会员专属群点击这里加入QQ群
客服邮箱
回到顶部