电脑桌面
添加小米粒文库到电脑桌面
安装后可以在桌面快捷访问

施工机械机具设备计划VIP免费

施工机械机具设备计划_第1页
1/14
施工机械机具设备计划_第2页
2/14
施工机械机具设备计划_第3页
3/14
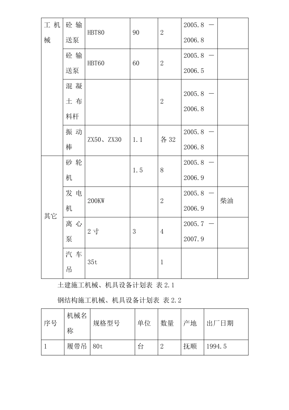
施工机械机具设备计划设备工种名称塔吊ST70/301塔吊H3/36B2塔吊H3/36B垂直3运输塔吊F0/23B4施工SC200/200D电梯提升井架钢筋2005.7-切断GQ-40钢筋机施工钢筋机械弯曲GL-40机3.082006.82005.7-7.562006.8322006.124512007.62006.6-5512006.092006.5-7512006.52005.08-R=50m7512006.52005.08-R=60m7512006.92005.08-R=60m规格(KW)2005.08-R=70m功率数量使用时间备注钢筋2005.7-调直机交流2005.7-电焊BX3-500机直螺2005.7-纹加BLG工机木工2005.7-平刨MQ423B床木工2005.7-压刨模板床施工圆盘机械锯套丝Z3T-R4机台钻6-13mm混凝空压0.8m3土施机3.032006.81.542006.82005.8-0.7542006.82005.7-MT5003.042006.82005.7-2005.7-422006.82.222006.8342006.838.682006.82.222006.8工机砼输HBT80械送泵砼输HBT60送泵混凝6029022005.8-2006.82005.8-2006.52005.8-土布料杆振动ZX50、ZX30棒砂轮机发电200KW机其它离心2寸泵汽车35t吊22006.82005.8-1.1各322006.82005.8-1.582006.92005.8-22006.92005.7-柴油342007.91土建施工机械、机具设备计划表表2.1钢结构施工机械、机具设备计划表表2.2机械名序号称1履带吊80t台2抚顺1994.5规格型号单位数量产地出厂日期23天车龙门式20t10t台台22天津1996.3沈阳1982.3起重机摇臂式4钻床端面铣5床平面数6控钻机78剪板机12X2500mm刨床三用压9力切割W5100机半自动10切割机等离子11弧切割LG-400-1机直流电12焊机13交流电BX3-500-1台4北京1990-2000AX3-500台10北京1992-1998台1北京2001CG1-18台4上海1992-2001台1北京1985.5B665台台23上海1986.4北京1988.4ZK5532台1无锡2001DXX-1216台1无锡200150mm台6上海1988-1996焊机1415干箱空气压16缩机CO2气17体保护NBC-400焊H型钢18专用切H-900割机坡口加19工机H型钢20自动组HG-1500力机数控/21直条气CZG-1500H割机门式自22动埋弧MZG-2×100焊机台1无锡1998.5台1无锡1998.5台1无锡1998.5ZL1200台1无锡1992.4台2无锡2001.10台8松下1998-20011m3台2青岛1994.3保温箱≥150℃高温洪0℃-500℃台1北京2001.2台1南京1992.4埋弧自23动焊机H型钢24翼缘矫JZ-60正机2526探伤仪栓钉焊27接机履带式28起重机履带式29起重机三维钻30孔机相贯线31切割机钢结构安装机械表表7-2.3序1车名称规格型号10t数量产地出厂日期6山东1992-1995KGG-6台1上海2001台1无锡200115t台2抚顺1988.250t台1抚顺1995.6JSS-250台2日本1995.3喷丸机LP-2004超声波CYS-22台1汕头1994.2台1山东1998.5台1无锡1998.5NZA-1000台2上海1996.4半挂式载重汽2345678直流电焊机交流电焊机栓钉焊接机空气压缩机焊条烘干箱全站仪光学垂准仪AX-500BX-500JSS2500W-1/70-400℃C701TOPC0NV53212121北京1995-2001北京1997日本1995.3青岛1992.5浙江1992.4日本1994.3日本1994.3日本1994.3北京1995.2一AL910经纬仪水平仪气体12CO213仪14151617电动扭矩搬手TIB200手拉葫芦手拉葫芦千斤顶2t3t10t450504日本1997.3国产2002~2004国产2002国产1992-1999保护NBC-500焊机探伤CYS-221汕头1992.48OTC2003~2004DT5NS3-164水电施工机械、机具设备计划表表2.4工种设备规格功率数量使用时间备注名称直流电焊AX-320机交流电焊BX1-330机交流电焊BX3-300机氩弧NSA2-300给排焊机水电动套丝QT4-G4”机手动套丝0.5”-2”机气割G01-30工具电动切割G288机(kW)562005.8-2007.88122005.8-2007.88122005.8-2007.8462005.8-2007.81.582005.8-2007.862005.8-2007.8122005.8-2007.8162005.8-2007.8冲击JIZC24钻磨光SIMJ100机台钻Z3038手动试压泵电动试压泵螺旋千斤LQ-5顶液压千斤YQ-8顶潜水50WQ15泵潜水65W25泵452005.8-2007.82.282005.8-2007.8102005.8-2007.8102005.8-2007.81.562005.8-2007.81.582005.8-2007.8100.7122005.8-2007.81152005.8-2007.82005.8-2007.8多级管道80DF54-143离心泵电焊BX400机冲击6-24mm钻气割G01-30工具手动弯管<1”机电气电动弯管1”-4”机手动套丝1”-2”机电动套丝2”-6”机1.542005.8-2007.862005.8-2007.8242005.8-2007.8162005.8-2007.8122005.8-2007.82162005.8-2007.88102005.8-2007.832005.8-2007.8手电6-24钻液压压线35-300钳电动切割机绝...

1、当您付费下载文档后,您只拥有了使用权限,并不意味着购买了版权,文档只能用于自身使用,不得用于其他商业用途(如 [转卖]进行直接盈利或[编辑后售卖]进行间接盈利)。
2、本站所有内容均由合作方或网友上传,本站不对文档的完整性、权威性及其观点立场正确性做任何保证或承诺!文档内容仅供研究参考,付费前请自行鉴别。
3、如文档内容存在违规,或者侵犯商业秘密、侵犯著作权等,请点击“违规举报”。

碎片内容

施工机械机具设备计划

您可能关注的文档

确认删除?
VIP
微信客服
  • 扫码咨询
会员Q群
  • 会员专属群点击这里加入QQ群
客服邮箱
回到顶部