电脑桌面
添加小米粒文库到电脑桌面
安装后可以在桌面快捷访问

会计电算化系统综合实训VIP免费

会计电算化系统综合实训_第1页
1/19
会计电算化系统综合实训_第2页
2/19
会计电算化系统综合实训_第3页
3/19
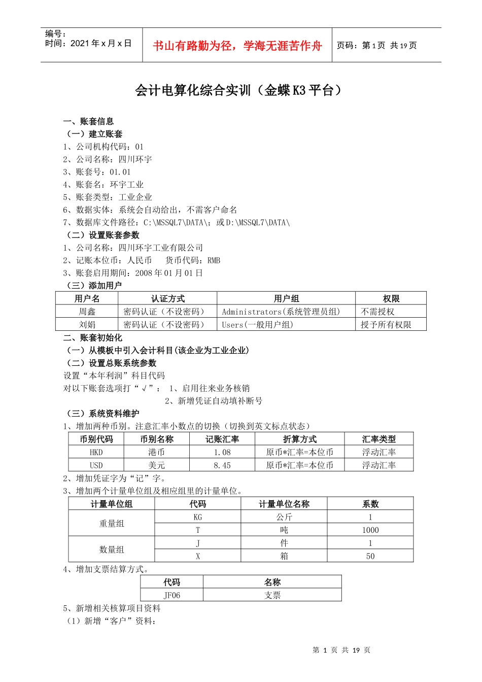
第1页共19页编号:时间:2021年x月x日书山有路勤为径,学海无涯苦作舟页码:第1页共19页会计电算化综合实训(金蝶K3平台)一、账套信息(一)建立账套1、公司机构代码:012、公司名称:四川环宇3、账套号:01.014、账套名:环宇工业5、账套类型:工业企业6、数据实体:系统会自动给出,不需客户命名7、数据库文件路径:C:\MSSQL7\DATA\;或D:\MSSQL7\DATA\(二)设置账套参数1、公司名称:四川环宇工业有限公司2、记账本位币:人民币货币代码:RMB3、账套启用期间:2008年01月01日(三)添加用户用户名认证方式用户组权限周鑫密码认证(不设密码)Administrators(系统管理员组)不需授权刘娟密码认证(不设密码)Users(一般用户组)授予所有权限二、账套初始化(一)从模板中引入会计科目(该企业为工业企业)(二)设置总账系统参数设置“本年利润”科目代码对以下账套选项打“√”:1、启用往来业务核销2、新增凭证自动填补断号(三)系统资料维护1、增加两种币别。注意汇率小数点的切换(切换到英文标点状态)币别代码币别名称记账汇率折算方式汇率类型HKD港币1.08原币*汇率=本位币浮动汇率USD美元8.45原币*汇率=本位币浮动汇率2、增加凭证字为“记”字。3、增加两个计量单位组及相应组里的计量单位。计量单位组代码计量单位名称系数重量组KG公斤1T吨1000数量组J件1X箱504、增加支票结算方式。代码名称JF06支票5、新增相关核算项目资料(1)新增“客户”资料:第2页共19页第1页共19页编号:时间:2021年x月x日书山有路勤为径,学海无涯苦作舟页码:第2页共19页代码名称01顺庆区(上级组)01.01果城公司01.02顺生公司02高坪区(上级组)02.01骏达公司02.02明宇公司(2)新增“部门”资料:代码名称01财务部02行政部03销售部(上级组)03.01销售一部03.02销售二部04生产部(3)新增“职员”资料:代码名称部门001周鑫财务部002刘娟行政部003张勇销售一部004孙兵销售二部005陈婧生产部006王秀生产部(4)新增“供应商”资料:代码名称01嘉陵区(上级组)01.01普奥公司01.02天赐公司02文峰区(上级组)02.01鑫发公司02.02六合公司(5)新增“产成品”核算项目类别,代码011。属性名称属性类别属性长度标准成本实数出厂价实数零售价实数销售政策文本2556、会计科目维护(1)增加会计科目科目代码科目名称外币核算期末调汇数量金额辅助核算核算项目102银行存款所有币别√第3页共19页第2页共19页编号:时间:2021年x月x日书山有路勤为径,学海无涯苦作舟页码:第3页共19页102.01建设银行人民币102.02中国银行美元√102.03工商银行港元√119其他应收款119.01职员职员123原材料123.01甲材料√(计量单位:公斤)123.02乙材料√(计量单位:公斤)139待摊费用139.01报刊杂志费521管理费用521.01工资及福利521.02折旧费521.03通讯费部门、职员401生产成本401.01工资及福利405制造费用405.01折旧费405.02工资及福利501产品销售收入部门、职员、物料522财务费用522.01利息522.02汇兑损益(2)会计科目的修改:科目代码科目名称往来业务核算核算项目113应收账款√客户203应付账款√供应商操作要点:(1)设外币核算的科目时,一定要注意选择相应币别,如果一级科目下有明细科目按外币核算的,则一级科目要设为核算所有币别。(2)在会计科目下挂接核算项目的方式设明细账,与在科目下直接增加明细科目实现的账簿结第4页共19页第3页共19页编号:时间:2021年x月x日书山有路勤为径,学海无涯苦作舟页码:第4页共19页果是一样的,而且还可解决科目设置工作重复,臃肿的麻烦,但不是必须要求这样设置,关键是要结合企业的实际情况灵活掌握。另外,科目下面如已挂核算项目,就不能再设明细科目;一个科目下可挂多个核算项目,这些核算项目间是一种平等并列的关系;核算项目下也不能再挂核算项目。(3)设置数量金额辅助核算的物料明细科目时,注意必须先新增物料明细科目,再去系统资料维护处添加具体的“物料”资料,否则易出现错误信息。若客户已购买K/3购销存业务模块,则不需要在存货科目下新增明细科目,只要通过修改会计科目功能,在一级科目里利用核算项目卡片挂接物料辅助核算即可。另外,别忘了在设数...

1、当您付费下载文档后,您只拥有了使用权限,并不意味着购买了版权,文档只能用于自身使用,不得用于其他商业用途(如 [转卖]进行直接盈利或[编辑后售卖]进行间接盈利)。
2、本站所有内容均由合作方或网友上传,本站不对文档的完整性、权威性及其观点立场正确性做任何保证或承诺!文档内容仅供研究参考,付费前请自行鉴别。
3、如文档内容存在违规,或者侵犯商业秘密、侵犯著作权等,请点击“违规举报”。

碎片内容

会计电算化系统综合实训

您可能关注的文档

确认删除?
VIP
微信客服
  • 扫码咨询
会员Q群
  • 会员专属群点击这里加入QQ群
客服邮箱
回到顶部