电脑桌面
添加小米粒文库到电脑桌面
安装后可以在桌面快捷访问

bd416结构方案设计内审表VIP免费

bd416结构方案设计内审表_第1页
1/1
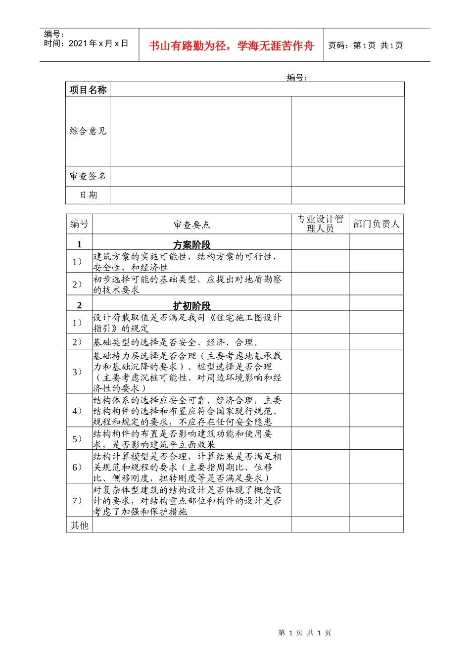
第1页共1页编号:时间:2021年x月x日书山有路勤为径,学海无涯苦作舟页码:第1页共1页编号:项目名称综合意见审查签名日期编号审查要点专业设计管理人员部门负责人1方案阶段1)建筑方案的实施可能性,结构方案的可行性,安全性,和经济性2)初步选择可能的基础类型,应提出对地质勘察的技术要求2扩初阶段1)设计荷载取值是否满足我司《住宅施工图设计指引》的规定2)基础类型的选择是否安全、经济、合理。3)基础持力层选择是否合理(主要考虑地基承载力和基础沉降的要求)、桩型选择是否合理(主要考虑沉桩可能性、对周边环境影响和经济性的要求)4)结构体系的选择应安全可靠,经济合理,主要结构构件的选择和布置应符合国家现行规范、规程和规定的要求,不应存在任何安全隐患5)结构构件的布置是否影响建筑功能和使用要求,是否影响建筑平立面效果6)结构计算模型是否合理,计算结果是否满足相关规范和规程的要求(主要指周期比、位移比、侧移刚度,扭转刚度等是否满足要求)7)对复杂体型建筑的结构设计是否体现了概念设计的要求,对结构重点部位和构件的设计是否考虑了加强和保护措施其他

1、当您付费下载文档后,您只拥有了使用权限,并不意味着购买了版权,文档只能用于自身使用,不得用于其他商业用途(如 [转卖]进行直接盈利或[编辑后售卖]进行间接盈利)。
2、本站所有内容均由合作方或网友上传,本站不对文档的完整性、权威性及其观点立场正确性做任何保证或承诺!文档内容仅供研究参考,付费前请自行鉴别。
3、如文档内容存在违规,或者侵犯商业秘密、侵犯著作权等,请点击“违规举报”。

碎片内容

bd416结构方案设计内审表

您可能关注的文档

确认删除?
VIP
微信客服
  • 扫码咨询
会员Q群
  • 会员专属群点击这里加入QQ群
客服邮箱
回到顶部