电脑桌面
添加小米粒文库到电脑桌面
安装后可以在桌面快捷访问

保温工程施工组织设计VIP免费

保温工程施工组织设计_第1页
1/11
保温工程施工组织设计_第2页
2/11
保温工程施工组织设计_第3页
3/11
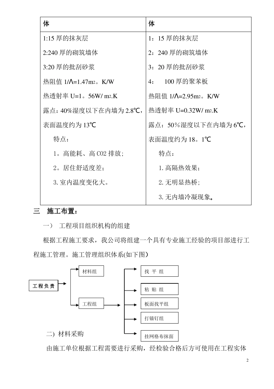
外墙保温工程施工方案一工程概况:该工程建筑面积为m2,主体为砖混结构或框架剪力墙结构.外墙保温采用聚合物砂浆粘贴EPS保温板(密度大于18—22kg/m3)或挤塑板(XPS).二外墙保温系统的优点及构造:外墙保温和装饰系统是多层外墙保温体系,能够防止潮气侵入内墙,适用于商业建筑和民用建筑。与其它保温系统相比,这种系统可以提高能源利用效率,是集节能、保温、隔音、装饰与一体的轻质,环保而非承重性外维护建筑墙体系统。它具有适用范围广、保护主体结构、基本消除“热桥"的影响、使墙体潮湿情况得到改善、有利于室温保持稳定、使墙体的气密性得到提高、有利于改善室内热环境的质量、便于旧建筑进行节能改造、可减少材料用量及增加房屋的使用面积等优点。一)外墙保温系统的构造外墙保温是将保温隔热板材粘贴在基层上,然后在表面覆盖嵌有玻璃纤维网格布的砂浆保护层,最后作装饰面层,如图所示.(该图为技术规范10页图4.3。1)二)保温系统的节能潜力:外墙末做保温处理使用40mm厚的EPS的板使用80mm厚的EPS的板耗能(耗煤)m3/年耗能,每年%30kg13。5kg7。5kg1004525三)不同厚度的保温层节能效果比较:一、240mm厚未进行保温处理的墙二、240mm厚进行外保温处理的墙1体1:15厚的抹灰层2:240厚的砌筑墙体3:20厚的批刮砂浆热阻值1/Λ=1.47m2。K/W热透射率U=1。56W/m2.K体1:15厚的抹灰层2:240厚的砌筑墙体3:20厚的批刮砂浆4:100厚的聚苯板热阻值1/Λ=2.95m2。K/W露点:40%湿度以下在内墙为2.8℃,热透射率U=0.32W/m2.K表面温度约为13℃特点:1。高能耗、高CO2排放;2。居住舒适度差;3.室内温度变化大。露点:50%湿度以下在内墙为6℃,表面温度约为18。1℃特点:1.高隔热效果;2.无明显热桥;3.无内墙冷凝现象。三施工布置:一)工程项目组织机构的组建根据工程施工要求,我公司将组建一个具有专业施工经验的项目部进行工程施工管理。施工管理组织体系(如下图)程负责工工程组材料组找平组粘贴组板面找平组打锚钉组二)材料采购挂网格布抹面由施工单位根据工程需要进行采购,经检验合格后方可使用在工程实体2中。三)主要施工机械的配置根据工程的要求进行机械的配置。1搅拌枪为保证水泥与胶液充分混合均匀,我们使用电动搅拌枪,大大提高了工作效率。2抹子抹子分为普通钢抹子、锯齿行抹子、阴阳角抹子等.3其它工具还需配有靠尺、刷子、多用尺、灰浆托板、拉线、弹线墨盒、涂料喷斗、空气压缩机、开槽器、皮尺、毛辊等一般施工工具以及操作人员必须的劳保用具等。[注]:50cm厚的混泥土为基层的建筑物导热系数为1。6w/m²·K;5cm的EPS板导热系数〈0。045W/m²·K5cm的XPS板导热系数〈0。03W/m²·K2.6cm厚的矿棉板[导热系数对比示意图]2.6cm厚的聚苯板9。8cm厚的软木板37。1cm厚的多孔砖58cm厚的混凝土四施工方案一)、施工工艺流程图3材料准备基层墙体处理工具准备聚合物粘接砂浆弹线基层墙体湿润聚合物抗裂砂浆粘贴聚苯板或挤塑板刷界面济装饰件安装特殊部位处理聚合物抗裂砂浆面层粘帖网格布二)、施工要点抹二遍抗裂砂浆找平1.基层墙体的处理∶涂面层涂料或砖面层1)基层墙体必须清理干净,墙面应无油、灰尘、污垢、风化物、涂验收料、蜡、防水剂、潮气、霜、泥土等污染物或其它有碍粘结的材料,并应剔除墙面的凸出物,再用水冲洗墙面,使之清洁平整。2)清除基层墙体中松动或风化的部分,用水泥砂浆填充后找平。3)基层墙体的表面平整度不符合要时,可采用1:3水泥找平。4)既有建筑进行保温改造时,应彻底清除原有外墙饰面层,露出基层墙体表面,并按上述人法进行处理.2。粘贴聚苯板∶1)根据设计图纸的要求,在经平整处理的外墙上沿散水标高用墨线弹出散水及勒脚水平线;当需设置系统变形缝时,应在墙面相应位置弹出4变形缝及其宽度线,标出聚苯板的粘贴位置。2)首层的保温层面层需要贴面砖时,应先安装角钢托架,并采用膨胀螺栓与墙体联结。每个托架应不少于两个膨胀螺栓;见图:(技术规范17页图5。3。3。3)2)粘贴聚苯板可以采用以下两种方法:方法一:点粘法。沿聚苯板的周边用不锈钢抹子涂抹配制好的粘结胶浆,浆带宽50m,厚10mm。当采用标准尺寸的聚苯板时,尚应在板面的中...

1、当您付费下载文档后,您只拥有了使用权限,并不意味着购买了版权,文档只能用于自身使用,不得用于其他商业用途(如 [转卖]进行直接盈利或[编辑后售卖]进行间接盈利)。
2、本站所有内容均由合作方或网友上传,本站不对文档的完整性、权威性及其观点立场正确性做任何保证或承诺!文档内容仅供研究参考,付费前请自行鉴别。
3、如文档内容存在违规,或者侵犯商业秘密、侵犯著作权等,请点击“违规举报”。

碎片内容

保温工程施工组织设计

您可能关注的文档

确认删除?
VIP
微信客服
  • 扫码咨询
会员Q群
  • 会员专属群点击这里加入QQ群
客服邮箱
回到顶部