电脑桌面
添加小米粒文库到电脑桌面
安装后可以在桌面快捷访问

污水厂设备安装方案VIP免费

污水厂设备安装方案_第1页
1/17
污水厂设备安装方案_第2页
2/17
污水厂设备安装方案_第3页
3/17
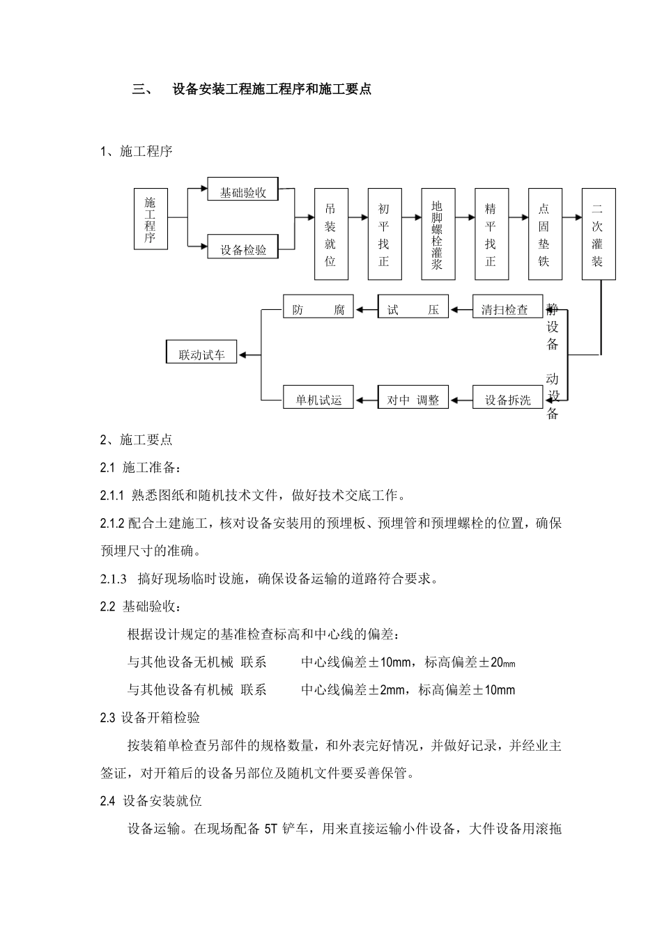
污水厂设备安装方案一、工程概况:本厂的主要设备水泵和风机功率大,转速高,底座的制作和安装必须牢固,并且有足够的稳定性。与管道法兰的联接必须对中,不能对鼓风机及泵形成外加应力,否则将产生振动,及至造成设备的损坏。由于污水的腐蚀性极强,对装在水下的设备多选用不锈钢、铸铁镀铜(镶铜)等耐腐蚀材质,施工中应按设计要求,认真核对或配用耐腐蚀的安装材料,如螺栓、螺母、垫片、填料、焊材等。本工程的工艺设备采用了自动化控制系统,因此必须与电气和仪表安装工程,密切配合,首先各自把好质量关,电气仪表要先行调试好,经各专业联合检验,确认无误,才可进行设备试运转。二、本工程执行的施工验收规范1、《机械设备安装工程施工及验收规范》GB50231-982、《压缩机、风机、泵安装工程施工及验收规范》G50275-983、《起重设备安装工程施工及验收规范》GB50278-984、《钢结构工程施工及验收规范》GB50205-20015、《水利水电工程钢闸门制造安装及验收规范》DL/T5018-94三、设备安装工程施工程序和施工要点1、施工程序基础验收地施吊初精点二工脚程装平平固次螺序栓就找找垫灌设备检验位正灌浆腐试压清扫检查防静设备联动试车动对中单机试运调整设备拆洗设备2、施工要点2.1施工准备:2.1.1熟悉图纸和随机技术文件,做好技术交底工作。2.1.2配合土建施工,核对设备安装用的预埋板、预埋管和预埋螺栓的位置,确保预埋尺寸的准确。2.1.3搞好现场临时设施,确保设备运输的道路符合要求。2.2基础验收:根据设计规定的基准检查标高和中心线的偏差:与其他设备无机械联系中心线偏差±10mm,标高偏差±20mm与其他设备有机械联系中心线偏差±2mm,标高偏差±10mm正铁装2.3设备开箱检验按装箱单检查另部件的规格数量,和外表完好情况,并做好记录,并经业主签证,对开箱后的设备另部位及随机文件要妥善保管。2.4设备安装就位设备运输。在现场配备5T铲车,用来直接运输小件设备,大件设备用滚拖法运输。设备吊装。室外设备利用吊车吊装就位,室内设备利用车间内的起重设备或设立起吊工具吊装就位。设备的运输和吊装应符合下列要求:2.4.1安装就位前,应根据设备的实际情况垫实、垫妥,防止设备变形和受潮。2.4.2运输和吊装时,应捆扎牢固,主要承力点应高于设备的重心,以防倾倒。2.4.3对有公共底座机组的安装,其受力点不得使机组底座产生扭曲和变形。2.4.4吊索的转折处与设备接触部位,应垫木板或橡皮,以免设备受损。2.5设备找正找平2.5.1设备找正找平,应用调整垫铁的方法,不能靠拧紧螺丝的方法来达到精度要求。拧紧地脚螺丝前后的安装精度均应在允许偏差范围内。2.5.2设备找正找平用的垫铁,应在地脚螺栓的近旁,垫铁与基础和垫铁之间均应接触良好。2.5.3设备精平找正,拧紧地脚螺栓必须在砼强度达到75%以上才可进行。2.5.4设备精平完毕,每组垫铁均应逐块用电焊点固,以防机械运转过程中走动。2.5.5地脚螺栓一次灌浆之前,应保证其在预留孔中垂直,且四周均有15mm以上的间隙,螺帽以上应露出3-5扣螺纹。2.6设备清洗:整体设备主要是清除表面杂物、油污,对传动部件的装配精度应按设备说明书的规定进行检查调整。2.7联轴器对中所有动设备的联轴器都要对中检查和调整,对弹性柱销联轴器的对中要求如下:联轴器外径Dmm径向位移倾斜端面间隙105-2600.050.2/10003-4290-5000.100.2/10004-62.8试运转2.8.1单机试运转必须具备以下条件:2.8.1.1安装记录完整齐全,符合规范和设备说明书的规定;2.8.1.2设备二次灌浆及基础抹面养生期满;2.8.1.3相关的管道、电气工程能满足单机运行的要求;2.8.1.4试车所需的水、电、润滑材料和测试器具齐备。2.8.2联动试车必须在全部设备经单机式运合格后进行,且应具备以下条件:2.8.2.1安装工程全部完工,管道试压、电气调试和仪表调校均符合设计要求;2.8.2.2建立了试车指挥机构,并有明确分工;2.8.2.3设备的安全防护装置灵敏可靠。2.8.3试运转的步骤应遵循下列原则:2.8.3.1先试电机再试主机;2.8.3.2先手动再电动;2.8.3.3先点动再连续;2.8.3.4先无负荷再有负荷;2.8.3.5先岗位操作再自控操作;2.8.3.6前道试车发现故障必须完全排除后,才可...

1、当您付费下载文档后,您只拥有了使用权限,并不意味着购买了版权,文档只能用于自身使用,不得用于其他商业用途(如 [转卖]进行直接盈利或[编辑后售卖]进行间接盈利)。
2、本站所有内容均由合作方或网友上传,本站不对文档的完整性、权威性及其观点立场正确性做任何保证或承诺!文档内容仅供研究参考,付费前请自行鉴别。
3、如文档内容存在违规,或者侵犯商业秘密、侵犯著作权等,请点击“违规举报”。

碎片内容

污水厂设备安装方案

您可能关注的文档

确认删除?
VIP
微信客服
  • 扫码咨询
会员Q群
  • 会员专属群点击这里加入QQ群
客服邮箱
回到顶部