电脑桌面
添加小米粒文库到电脑桌面
安装后可以在桌面快捷访问

水泥杆线路施工方案VIP专享VIP免费

水泥杆线路施工方案_第1页
1/7
水泥杆线路施工方案_第2页
2/7
水泥杆线路施工方案_第3页
3/7
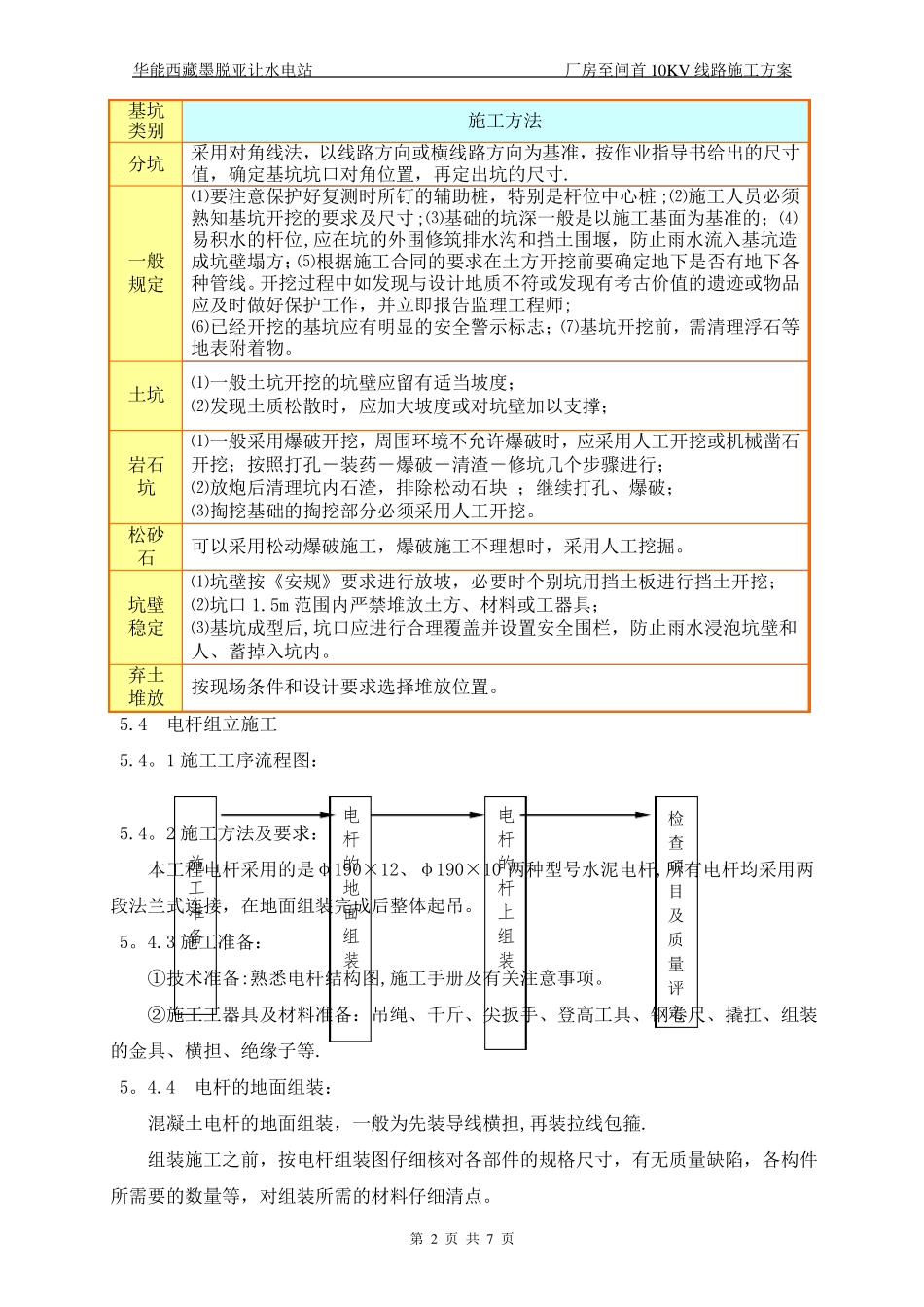
华能西藏墨脱亚让水电站厂房至闸首10KV线路施工方案一项目概况本工程为亚让水电站厂房~闸首10kV架空配电线路工程,建设目的是为满足亚让水电站闸首及地方公路养护段供电的需要.本工程按永久线路架设,根据亚让水电站闸首及地方公路养护段供电负荷及考虑导线机械强度,导线选用LGJ—70/10,杆塔采用长ф190X12环形钢筋混凝土稍杆。线路路径总长约1.6km,并分别在公路养护段(#2杆)和闸首终端杆(#16杆)各装设一台80kVA的杆上变压器。二.编制依据2.1亚让水电站施工合同;2.2设计院图纸《亚让水电站厂房—闸首10kV架空配电线路工程施工图设计》;2。3《10kV及以下架空配电线路设计技术规程(DL/T5220-2005)》;2.4《35kV及以下电气装置施工及验收规范》》;2。5《架空绝缘配电线路工程图集》上册、下册2003-9;2。6《10kV配电工程设计手册》2004-11;2。7《电力建设安全工作规程(架空电力线路部分(DL5009。2—2004)》。三、工程量新建10KV线路1。6公里,其中导线5000米,型号为钢芯铝绞线LGJ-70/10;拉线分两种,镀锌钢绞线GJ-50共计300米,镀锌钢绞线GJ-35共计150米;杆塔采用φ190的12m混凝土电线杆16基,φ190的10m混凝土电线杆2基.四、施工总体安排根据本工程的线路情况及业主单位对施工进度的要求,结合我公司以往同电压等级送电线路的施工经验,本线路工程的施工总体进度计划如下:监理下达开工令后45个日历日。五、施工方法5.1工序流程材料验收及运输线路复测土石方工程施工队自检质检部复检施工队自检质检部复检项目部专检第0页共7页底拉盘及附件运输基础工程华能西藏墨脱亚让水电站厂房至闸首10KV线路施工方案施工队自检施工队自检质检部复检项目部专检基础工程验收电杆、、钢绞线、、绝缘子、变压器检验及运输杆塔工程导线、金具、绝缘子检验及运输杆塔工程验收架线及附件安装工程架线工程验收及竣工预验收质检部复检项目部专检5.2线路复测竣工验收、移交线路复测由项目部组织各施工队技术员、测量人员等,利用全站仪、J2经纬仪分两组对全线进行详细复测,确保线路定线及塔位的准确性。序号12345678主要施工机械直线方向两点间定线法,倒镜反向延伸法、延长直线法等。J2经纬仪转角角度采用测回法或方向法进行测量。J2经纬仪J2经纬仪一般地段采用经纬仪视距法测量,跨越档采用全站水平距离TOPCON-700仪进行测距。型全站仪TOPCON—高程采用三角高程测量的方法进行高程测量和计算.700型全站仪TOPCON—不通视情况下采用等腰三角形法、矩形法、任意辅助桩法进行复700型全站的复测测。仪J2经纬仪交叉跨越物采用经纬仪综合测量的方法进行复测。测高仪地形凸起点高用经纬仪和塔尺按三角高程测量的方法进行综合J2经纬仪程测量。用经纬仪和塔尺按三角高程测量的方法进行综合危险点及风偏J2经纬仪测量。线路复测必须执行国家《工程测量规范》现行标准的有关规定,测量中要进行往返施工项目施工方法观测或多次复测进行相互校核,以免出错。误差必须满足验收规范的标准要求。线路复测中,应对线路直线方向、耐张直转角度数、相邻杆的高差、档中被跨越物的标高、地面危险点的标高进行重点复核。如偏差超过验收规范的标准要求时,应通知设计单位查明原因,予以纠正。如发现设计图纸中没有的交叉跨越物,应及时通知设计单位协商处理。5。3土石方施工第1页共7页华能西藏墨脱亚让水电站厂房至闸首10KV线路施工方案基坑类别分坑施工方法采用对角线法,以线路方向或横线路方向为基准,按作业指导书给出的尺寸值,确定基坑坑口对角位置,再定出坑的尺寸.⑴要注意保护好复测时所钉的辅助桩,特别是杆位中心桩;⑵施工人员必须熟知基坑开挖的要求及尺寸;⑶基础的坑深一般是以施工基面为基准的;⑷易积水的杆位,应在坑的外围修筑排水沟和挡土围堰,防止雨水流入基坑造一般成坑壁塌方;⑸根据施工合同的要求在土方开挖前要确定地下是否有地下各开挖过程中如发现与设计地质不符或发现有考古价值的遗迹或物品规定种管线。应及时做好保护工作,并立即报告监理工程师;⑹已经开挖的基坑应有明显的安全警示标志;⑺基坑开挖前,需清理浮石等地表附着物。土坑⑴一般土坑开挖的坑壁应留有适当坡度;⑵发现土质...

1、当您付费下载文档后,您只拥有了使用权限,并不意味着购买了版权,文档只能用于自身使用,不得用于其他商业用途(如 [转卖]进行直接盈利或[编辑后售卖]进行间接盈利)。
2、本站所有内容均由合作方或网友上传,本站不对文档的完整性、权威性及其观点立场正确性做任何保证或承诺!文档内容仅供研究参考,付费前请自行鉴别。
3、如文档内容存在违规,或者侵犯商业秘密、侵犯著作权等,请点击“违规举报”。

碎片内容

水泥杆线路施工方案

确认删除?
VIP
微信客服
  • 扫码咨询
会员Q群
  • 会员专属群点击这里加入QQ群
客服邮箱
回到顶部