电脑桌面
添加小米粒文库到电脑桌面
安装后可以在桌面快捷访问

电气系统断路器控制回路详解VIP免费

电气系统断路器控制回路详解_第1页
1/22
电气系统断路器控制回路详解_第2页
2/22
电气系统断路器控制回路详解_第3页
3/22
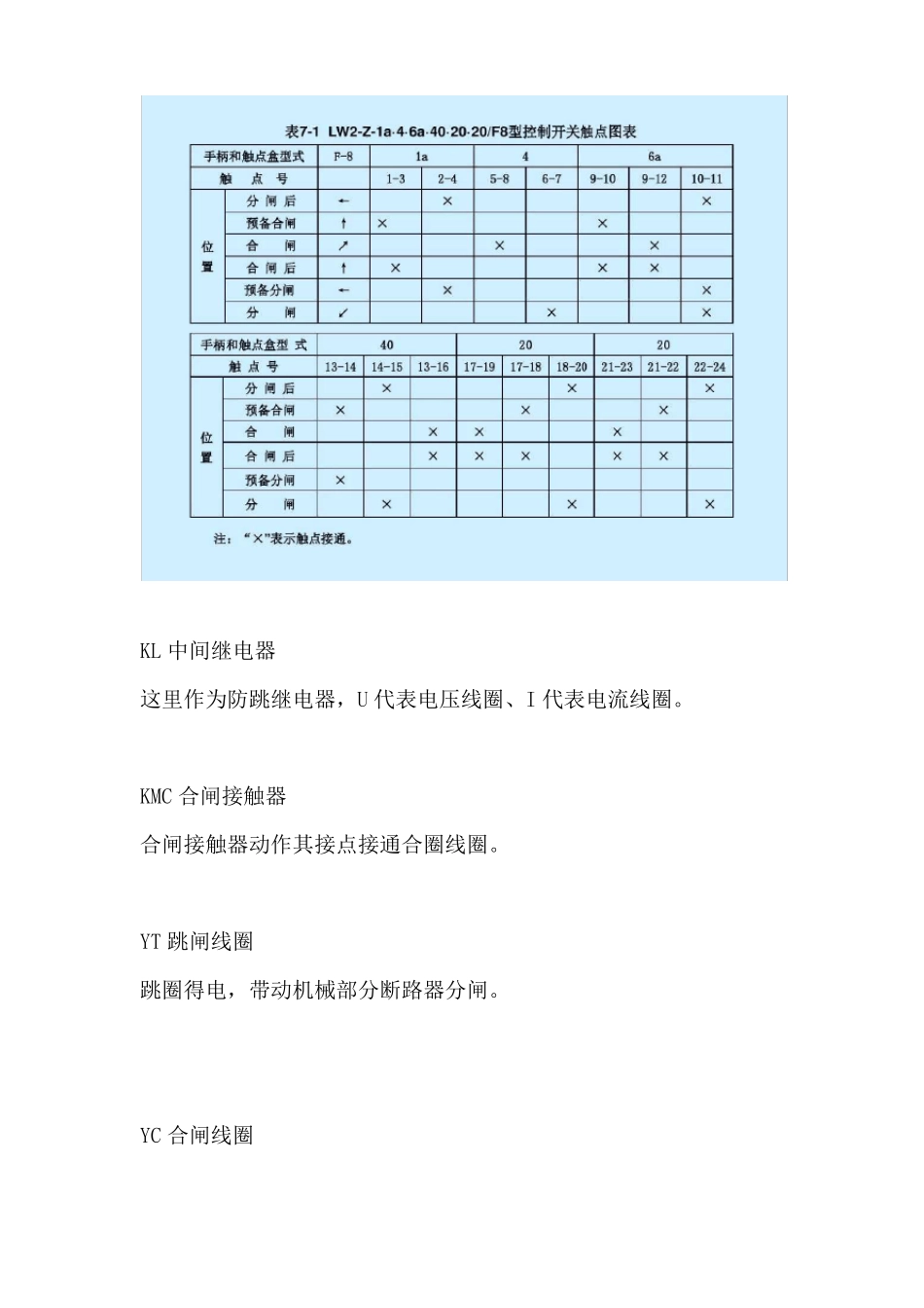
电气系统断路器控制回路详解电气回路是靠二次回路构成的,了解二次回路知识,看懂二次回路图纸也是二次从业者一项必备的技能,本文详细阐述了断路器的控制回路原理图和其控制回路出现的一些常见问题及处理方法以便大家对二次回路有更深刻的理解与认识。下图所示是一张典型的6kV断路器控制回路原理图。首先我们先学习一下图纸上有关元器件的名称及功能:+WC控制电源正极小母线-WC控制电源负极小母线这两条母线是用来提供控制回路正、负电源的。+WCL动力电源正极小母线—WCL动力电源负极小母线这两条母线是用来给合圈单独提供电源的。(+)WTW闪光小母线这条母线提供闪光电源。WSA事故跳闸小母线提供事故音响回路正电源。FU1、FU2、FU3、FU4熔丝(有点地方熔丝换成小开关)保护直流母线不受影响,在负载支路短路时跳开支路。SA控制开关(SA把手)就地控制时回路操作命令的发出。一共6个位置:KL中间继电器这里作为防跳继电器,U代表电压线圈、I代表电流线圈。KMC合闸接触器合闸接触器动作其接点接通合圈线圈。YT跳闸线圈跳圈得电,带动机械部分断路器分闸。YC合闸线圈合圈得电,带动机械部分断路器合闸。R附加电阻根据回路需要选择合适电阻使电路合理。HG绿色灯具开关分闸时绿灯亮HR红色灯具开关合闸时红灯亮KL继电器接点(常开接点)KL继电器接点(常闭接点)断路器辅助接点(常闭接点)断路器辅助接点(常开接点)KMC接触器接点(常开接点)保护出口继电器接点(常开接点)远方合闸命令或自动合闸装置合闸命令(常开接点)对于接点的说明,所谓常开接点常闭接点,就是指断路器分闸时或者继电器在没有得电没有动作的情况下,接点的状态,如,是说断路器在分的时候,这个接点是闭合的,一旦断路器合闸,这个接点动作常闭接点就要翻转变为打开。把手SA接点通断情况请查阅触点表图,如现在把手转至分位,查表得SA6-7、SA10-11、SA14-15、SA18-20、SA22-24都通,其余接点形式都不通。(触点表见SA元器件介绍)介绍完相关元器件,我们开始分步骤详细讲解一下这个控制回路首先来讲合闸回路,我们把合闸回路提取出来如图所示:图中红色标记的回路就是合闸回路的主回路,我们来看一下回路是怎样沟通的,断路器要合闸,那断路器肯定是在分闸状态,才能进行合闸操作。所以KL2闭合(防跳继电器不动作)断路器分位QF不动作为闭合态。合闸回路有2条主回路,上面一条是远方合闸,当远方合闸命令发出KM1闭合,KMC得电。下面一条是就地控制,当就地进行合闸操作时,SA把手至合闸位置时,SA5-8通,KMC得电,KMC接点就要动作。所以我们转到动力电源也是合闸线圈YC所在回路,动力电源控制回路其图如下上面我们说到不管哪一种操作方式都将使KMC继电器得电动作,所以这个回路里的KMC的接点就要闭合,则YC合闸线圈就得电,开关完成合闸。(这里补充说明为什么要单独提供一个动力控制电源给合闸线圈,因为断路器合圈YC的电阻非常小,合闸瞬间产生的电流很大,如果和分闸控制回路合用一个电源,会对其他元器件造成伤害,直流母线提供的功率也可能不足)接着讲分闸回路,同样把分闸回路提取出来讲解:绿色标记为分闸回路:断路器在合位时,进行分闸操作才是有意义的,就是说现在断路器是合位,断路器合位则QF要动作翻转为闭合态,上面一条代表手动分闸操作,就地手动进行分闸操作时,把手SA至分闸位时,SA5-6通,正电位通过KL至跳圈YT,跳圈YT得电,开关完成跳闸。下面一条绿线代表保护动作跳开关回路,即保护动作其出口继电器接点KOM动作,为闭合接点,正电通过KOM接点经KL电流线圈至跳圈YT,跳圈YT得电,开关完成跳闸。介绍完了分、合闸功能,下面分析分闸灯、合闸灯指示回路:我们讲一下这一回路的功能,第一指示断路器分闸、合闸状态,第二监视分闸回路的完整性,监视合闸回路的完整性,也就是说我们的控制回路有没有发生控制回路断线。先分析红灯回路,提取红灯回路:红灯指示的是合闸状态,这个时候断路器是合位,就地把手SA在合后位,SA16-13在SA为合后位的时候通,断路器合位QF动作翻转为闭合态,正电位通过红灯HG,防跳继电器KL电流线圈,跳圈YT沟通,这三个元件串联,由于红灯电阻很大,根据分压原理,电阻大的...

1、当您付费下载文档后,您只拥有了使用权限,并不意味着购买了版权,文档只能用于自身使用,不得用于其他商业用途(如 [转卖]进行直接盈利或[编辑后售卖]进行间接盈利)。
2、本站所有内容均由合作方或网友上传,本站不对文档的完整性、权威性及其观点立场正确性做任何保证或承诺!文档内容仅供研究参考,付费前请自行鉴别。
3、如文档内容存在违规,或者侵犯商业秘密、侵犯著作权等,请点击“违规举报”。

碎片内容

电气系统断路器控制回路详解

您可能关注的文档

爱的疯狂+ 关注
实名认证
内容提供者

该用户很懒,什么也没介绍

确认删除?
VIP
微信客服
  • 扫码咨询
会员Q群
  • 会员专属群点击这里加入QQ群
客服邮箱
回到顶部