电脑桌面
添加小米粒文库到电脑桌面
安装后可以在桌面快捷访问

D-1200D双排高电压型9-1827862-TE泰科脚间距2VIP专享VIP免费

D-1200D双排高电压型9-1827862-TE泰科脚间距2_第1页
1/7
D-1200D双排高电压型9-1827862-TE泰科脚间距2_第2页
2/7
D-1200D双排高电压型9-1827862-TE泰科脚间距2_第3页
3/7
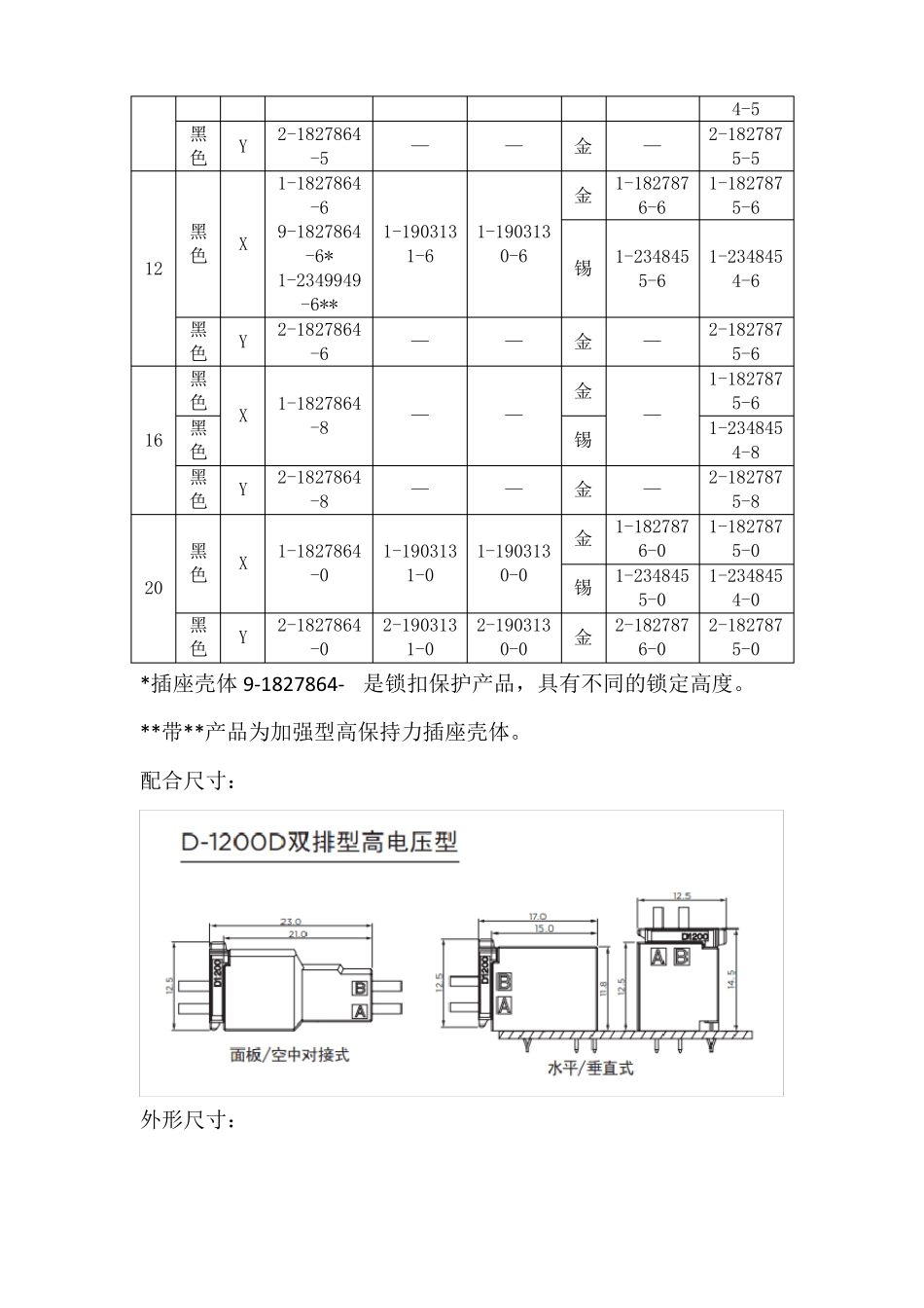
D-1200D双排高电压型(9-1827864-2)-TE泰科脚间距2.5mmDynamicD-1200D系列双排高电压型(9-1827864-2、1-1827864-3),是针对工业领域小设备提供的线对线解决方案,下面是各个型号一览表,为设备的小型化趋势提供支持。位颜键数色位黑色黑色黑色黑色黑色黑色黑色10黑色插座壳体1-1903131-29-1827864-2*2-1827864-21-1827864-39-1827864-3*2-1827864-31-1827864-41-2349949-4*2-1827864-41-1827864-5型号一览表插头壳体空中对接面板式式1-1903131-2—1-1903131-32-1903131-31-1903131-42-1903131-4—1-1903130-2—1-1903130-32-1903130-31-1903130-42-1903130-4—镀层金锡金金锡金金锡金金锡线路板安装插头头部水平式1-1827876-21-2348455-22-1827876-21-1827876-31-2348455-32-1827876-31-1827876-41-2348455-42-1827876-4—垂直式1-1827875-21-2348454-22-1827875-21-1827875-31-2348454-32-1827875-31-1827875-41-2348454-42-1827875-41-1827875-51-234845X4YX6YX8YX黑色Y12黑色X黑色黑色黑16色黑色黑色黑色Y2-1827864—-51-1827864-69-18278641-190313-6*1-61-2349949-6**2-1827864—-61-1827864-82-1827864-81-1827864-02-1827864-0——金金—1-1827876-61-2348455-6—4-52-1827875-51-1827875-61-2348454-62-1827875-61-1827875-61-2348454-82-1827875-81-1827875-01-2348454-02-1827875-01-1903130-6锡—金金X—锡—Y—1-1903131-02-1903131-0—1-1903130-02-1903130-0金金—X20Y1-1827876-01-234845锡5-02-182787金6-0*插座壳体9-1827864-是锁扣保护产品,具有不同的锁定高度。**带**产品为加强型高保持力插座壳体。配合尺寸:外形尺寸:插座壳体:插座壳体键位4键位XY6XY810XYXYXYXYXY镀层———————————————————颜色黑色黑色黑色黑色黑色黑色黑色黑色黑色黑色黑色黑色黑色黑色黑色黑色黑色黑色黑色型号1-1827864-29-1827864-2*2-1827864-21-1827864-39-1827864-3*2-1827864-31-1827864-41-2348949-4**2-1827864-41-1827864-52-1827864-51-1827864-69-1827864-6*1-2349949-6**2-1827864-61-1827864-82-1827864-81-1827864-02-1827864-0A7.6尺寸B11.3C12.512.6512.512.512.6512.512.512.512.512.6517.611.312.522.627.611.311.312.512.510.111.312.615.111.311.3121620*带有锁扣保护的产品锁定高度不同。**带**产品为加强型高保持力插座壳体。插头壳体:面板式:益络电子插头壳体——面板式键位4681220键位XXYXYXXY镀层————————颜色黑色黑色黑色黑色黑色型号1-1903131-21-1903131-32-1903131-31-1903131-42-1903131-41-1903131-61-1903131-02-1903131-0A17.119.622.127.137.1尺寸BC21.013.921.013.921.013.921.013.921.013.9空中对接式:插头壳体——空中对接式键位4681220键位XXYXYXXY镀层————————颜色黑色黑色黑色黑色黑色型号1-1903130-21-1903130-32-1903130-31-1903130-42-1903130-41-1903130-61-1903130-02-1903130-0A7.610.112.617.627.6尺寸BC21.011.321.011.321.011.321.011.321.011.3线路板安装插头头部:水平式:键位键位线路板安装插头头部——水平式镀层颜色型号尺寸A4XY6XY81220XYXXY金锡金金锡金金锡金金锡金锡金黑色黑色黑色黑色黑色黑色黑色黑色黑色黑色黑色黑色黑色黑色1-1827876-21-2348455-22-1827876-21-1827876-31-2348455-32-1827876-31-1827876-41-2348455-42-1827876-41-1827876-61-2348455-61-1827876-01-2348455-02-1827876-07.6BC15.011.810.115.011.812.617.627.615.011.815.011.815.011.8垂直式:线路板安装插头头部——垂直式键位4键位XY6XY810XYX镀层金锡金金锡金金锡金金颜色黑色黑色黑色黑色黑色黑色黑色黑色黑色黑色型号1-1827875-21-2348454-22-1827875-21-1827875-31-2348454-32-1827875-31-1827875-41-2348454-42-1827875-41-1827875-5A7.6尺寸BC11.312.510.111.312.512.615.111.312.511.312.5Y12XY16XY20XY锡金金锡金金锡金金锡金黑色黑色黑色黑色黑色黑色黑色黑色黑色黑色黑色1-2348454-52-1827875-51-1827875-61-2348454-62-1827875-61-1827875-81-2348454-82-1827875-81-1827875-01-2348454-02-1827875-017.611.312.522.611.312.527.611.312.5Fanmotor防水型3位线到线:面板安装型:Fanmotor线到线——面板安装型位数型号公端2013891-13母端2013892-1

1、当您付费下载文档后,您只拥有了使用权限,并不意味着购买了版权,文档只能用于自身使用,不得用于其他商业用途(如 [转卖]进行直接盈利或[编辑后售卖]进行间接盈利)。
2、本站所有内容均由合作方或网友上传,本站不对文档的完整性、权威性及其观点立场正确性做任何保证或承诺!文档内容仅供研究参考,付费前请自行鉴别。
3、如文档内容存在违规,或者侵犯商业秘密、侵犯著作权等,请点击“违规举报”。

碎片内容

D-1200D双排高电压型9-1827862-TE泰科脚间距2

爱的疯狂+ 关注
实名认证
内容提供者

该用户很懒,什么也没介绍

相关文档

确认删除?
VIP
微信客服
  • 扫码咨询
会员Q群
  • 会员专属群点击这里加入QQ群
客服邮箱
回到顶部