电脑桌面
添加小米粒文库到电脑桌面
安装后可以在桌面快捷访问

高分子自粘卷材预铺反粘技术交底VIP免费

高分子自粘卷材预铺反粘技术交底_第1页
1/7
高分子自粘卷材预铺反粘技术交底_第2页
2/7
高分子自粘卷材预铺反粘技术交底_第3页
3/7
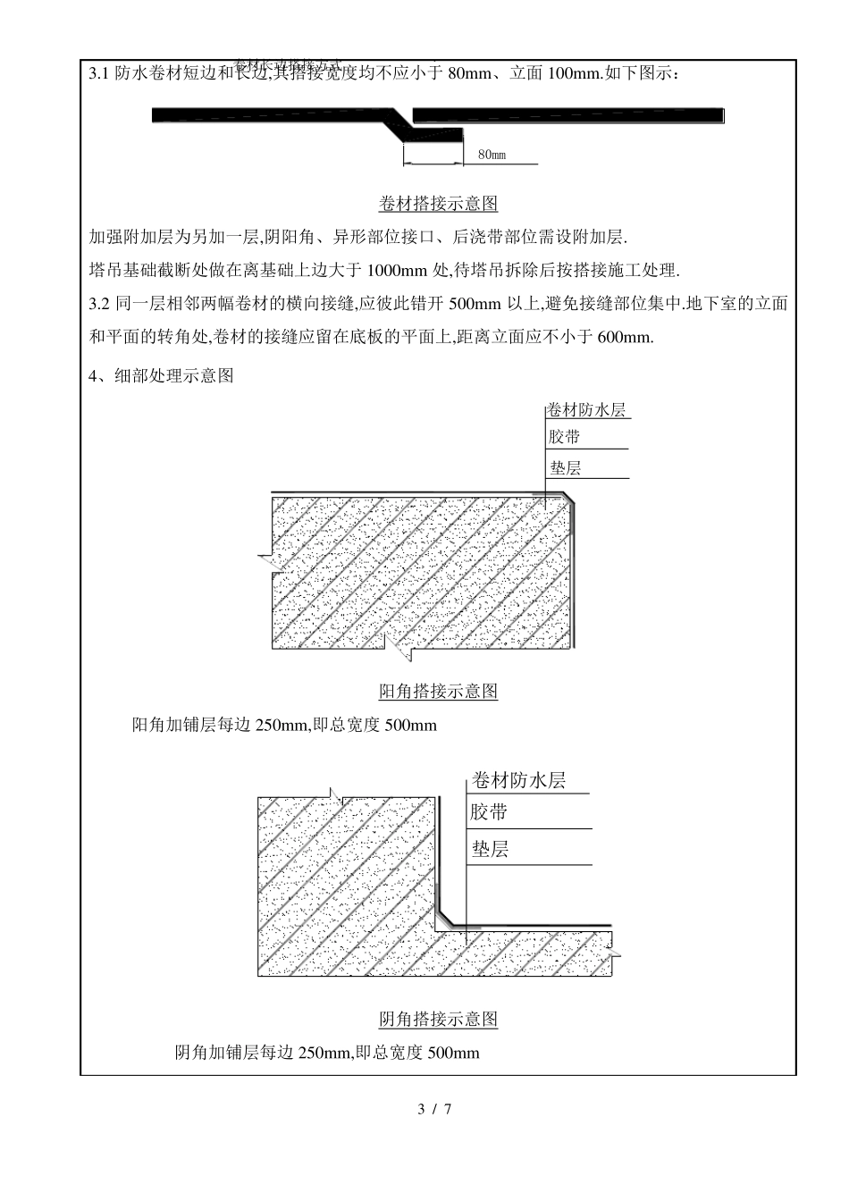
.技术交底记录工程名称分项工程交底内容:##市中心医院东区医院1#病房楼〔内科楼〕、门急诊楼与医技楼防水工程交底部位日期基础2015年5月1日一、施工准备:1、防水卷材材料进场前均应带有出厂合格证、防伪标识和质量检验报告.根据施工计划结合现.场施工进度编制材料进场计划并采购材料,材料进场后应统一堆放在仓库内,不得交叉叠放.材料进场后由业主、监理、施工方三方共同抽样,首先进行外观检查,检查内容包括:卷材是否断裂、皱折、孔洞、剥离、边缘不整齐,胎体露白、未浸透,撒布材料粒度、颜色,每卷卷材的接头等.外观检查合格的卷材抽样送至实验室做复试,检验合格后由试验室出具抽样试验报告,方可使用,以保证材料符合要求.2.主要机具铁锹、扫帚、墩布、手锤、钢凿、油开刀、吹尘器、剪刀、弹线盒、卷尺、刮板、滚刷、毛刷、压辊、铁抹子等.3.作业条件防水层应在基面基本稳定并经验收合格后进行施工,其基面应满足下列要求:3.1、基面应相对平整,无酥松、空鼓、无裂缝、无大量渗漏水现象.3.2、对穿出基面的金属构件,应切除并用水泥砂浆抹平;不能切除的金属构件,如螺栓等,应用水泥砂浆将其覆盖,且覆盖处的圆弧半径应大于100mm.3.3、潮湿基层可以施工,但基面平整坚固、无明显积水,并清理干净.3.4、阴角部位均用1:2.5水泥砂浆做成50×50mm的钝角,阳角应凿出30×30mm的钝角并用1:2.5水泥砂浆抹平;3.5、穿墙管件周边采用1:2.5水泥砂浆做30×30mm的钝角;3.6、降水井钢管管头应高出底〔筏板〕板表面至少50mm.降水井封堵详见后附图2.3.7、基层细部处理1/7.二、施工工艺1、施工流程基面清理→确定基准位→异形部位处理→铺装卷材→接头处理→锚杆处理、封头→检查→修复→验收2、材料铺装2.1、根据现场实际情况,在基层上宜弹设基准线,以确定卷材铺设位置.2.2、对阴阳角进行加强处理,并机械固定在基面上.2.3、对应异形部位裁剪卷材,铺装在异形部位上.2.4、沿基准线大面铺装卷材,卷材长短边进行错位搭接.确实搭接边对齐,清理搭接部位的HDPE表面的水渍、灰尘,揭去下层卷材搭接边隔离膜,同时压实搭接边,平面卷材搭接缝宽度不小于80mm,立面卷材搭接缝宽度不小100mm.2.5搭接缝上下卷材应平顺,防水卷材搭接密贴,不得出现空鼓、翘边、皱褶.2.6对于立面防水卷材采用上幅压下幅的铺设方法,用固定件固定,固定点设置在卷材边缘50mm处,固定间距30~40cm;2.7相邻短边搭接缝应错开至少50cm,即避免出现防水卷材重叠部位;2.8、卷材铺装完成后,应检查:卷材表面;卷材搭接处;阴阳角、异形部位接口.发现有孔洞、封口不严实的情况应立即处理.3、卷材的搭接2/73.1防水卷材短边和长边,其搭接宽度均不应小于80mm、立面100mm.如下图示:卷材长边搭接方式80mm.卷材搭接示意图加强附加层为另加一层,阴阳角、异形部位接口、后浇带部位需设附加层.塔吊基础截断处做在离基础上边大于1000mm处,待塔吊拆除后按搭接施工处理.3.2同一层相邻两幅卷材的横向接缝,应彼此错开500mm以上,避免接缝部位集中.地下室的立面和平面的转角处,卷材的接缝应留在底板的平面上,距离立面应不小于600mm.4、细部处理示意图卷材防水层胶带垫层阳角搭接示意图阳角加铺层每边250mm,即总宽度500mm卷材防水层胶带垫层阴角搭接示意图阴角加铺层每边250mm,即总宽度500mm3/7.5、阳角转角处施工做法第一步:第二步:第三步:6、阴角转角处施工做法第一步:第二步:4/7.第三步:四、质量验收标准1、验收标准参照GB50208-2011《地下防水工程质量验收规X》4.3要求.2、所用材料必须符合设计要求和规X规定.3、卷材防水层与其变形缝、预埋管件等细部做法必须符合设计要求和规X规定.4、基层坚固、平整,不得有空鼓、松动、起砂和脱皮现象.5、铺设方法和搭接、收头符合设计要求、规X和防水构造图.两幅卷材短边和长边的搭接宽度不应小于100mm和80mm,且接缝粘结严密.6、卷材的铺贴方向正确,搭接宽度允许偏差为±10mm.五、成品保护1、防水施工原则上不准进行交叉作业.防水工程竣工后,应避免在防水层上凿孔、打洞或其它破坏防水层作业.2、大风或大雨天气,为保证施工安全和施工质量,应停止施工.3、进行钢筋垂直、水平运输时,遵守轻放的原则,钢筋吊放点采用木板等...

1、当您付费下载文档后,您只拥有了使用权限,并不意味着购买了版权,文档只能用于自身使用,不得用于其他商业用途(如 [转卖]进行直接盈利或[编辑后售卖]进行间接盈利)。
2、本站所有内容均由合作方或网友上传,本站不对文档的完整性、权威性及其观点立场正确性做任何保证或承诺!文档内容仅供研究参考,付费前请自行鉴别。
3、如文档内容存在违规,或者侵犯商业秘密、侵犯著作权等,请点击“违规举报”。

碎片内容

高分子自粘卷材预铺反粘技术交底

您可能关注的文档

确认删除?
VIP
微信客服
  • 扫码咨询
会员Q群
  • 会员专属群点击这里加入QQ群
客服邮箱
回到顶部