电脑桌面
添加小米粒文库到电脑桌面
安装后可以在桌面快捷访问

完整木结构计算VIP免费

完整木结构计算_第1页
1/11
完整木结构计算_第2页
2/11
完整木结构计算_第3页
3/11
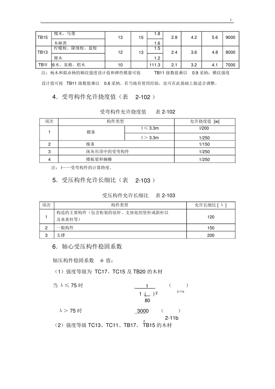
!-最全2-6木构造计算12-6-1木构造计算用表1.承重构造构件材质等级(表2-97)表2-97材质等级IIIIII承重构造构件材质等级项次123受拉或拉弯构件受弯或压弯构件受压构件及次要受弯构件(如吊顶小龙骨等)构件种类注:1.屋面板、挂瓦条等次要构件可依据各地习惯选材,不一致规定其材质等级。2.本表中的材质等级系按承重构造的受力要求分级,其选材应切合《木构造设计规范》GBJ5-88材质标准的规定,不得用一般商品材等级标准取代。2.常用树种木材的强度设计值和弹性模量(表常用树种木材的强度设计值和弹性模量2-98)(N/mm2)表2-98顺纹抗剪顺纹抗抗弯mf强度等级组别合用树种压及承压顺纹抗拉横纹承压fc,90全表面局部表面及齿拉力螺栓垫板下边4.6弹性模量fc17161513121213ftfv1.71.61.61.51.5面3.5ETC17ABABA柏木东北落叶松铁衫、油杉鱼鳞云杉、西南云杉油松、新疆落叶松、云南松、马尾松红皮云松、丽江云杉、红松、樟子松西北云杉、新疆云杉杉木、冷杉栎木、青冈、稠木水曲柳109.5998.52.310000TC15152.13.14.21000010000TC131.91.42.93.8BAB--108.09000TC11112017101018167.57.012111.41.32.82.41.82.73.690001200011000TB204.23.86.35.78.47.6TB171因新的木构造设计规范还没有第一版,此处仍按“木构造设计规范”(GBJ5-88)编写。!-TB15-锥栗(拷木)、桦木15146.210000注:1.对位于木构件端部(如接头处)的拉力螺栓垫板,其计算中所取用的木材横纹承压强度设计值,应按“局部表面及齿面”一栏的数值采纳。木材树种归类说明见《木构造设计规范》附录五。2.当采纳原木时,若验算部位未经切削,其顺纹抗压和抗弯强度设计值和弹性模量可提升15%。3.当构件矩形截面短边尺寸不小于150mm时,其抗弯强度设计值可提升10%。4.当采纳湿材时,各样木材横纹承压强度设计值和弹性模量,以及落叶松木材的抗弯强度设计值宜降低10%。5.在表2-99所列的使用条件下,木材的强度设计值及弹性模量应乘以该表中给出的调整系数。木材强度设计值和弹性模量的调整系数项次使用条件表2-99强度设计值0.900.800.800.90调整系数弹性模量1234露天构造0.850.800.801.00在生产性高温影响下,木材表面温度达40~50℃恒荷载验算(注1)木修建物施工荷载51.30注:1.仅有恒荷载或恒荷载所产生的内力超出所有荷载所产生的内力的恒荷载进行验算。1.0080%时,应独自以2.当若干条件同时出现,表列各系数应连乘。木材强度查验标准见表2-100。木材强度查验标准木材种类强度等级查验结果的最低强度值(N/mm)不得低于2表2-100针叶材TC1144TC1351阔叶材TB1368TC1558TC1772TB1158TB15TB17TB20788898注:1.查验时,应从每批木材的总根数中随机抽取3根为试材,在每根试材髓心之外面分切取3个试件为一组,依据各组均匀值中最低的一个值确立该批木材的强度等级。2.试验应按现行国家标准《木材物理力学性能试验方法》进行。并应将试验结果换算到含水率为12%的数值。3.按查验结果确立的木材强度等级,不得高于表树名不详的木材,应按查验结果确立的等级,采纳表2-98中同树种木材的强度等级。关于2-98中该等级B的设计指标。3.新利用树种木材的强度设计值和弹性模量(表2-101)新利用树种木材的强度设计值和弹性模量(N/mm)表2-101横纹承压fc,90全表2强度等级顺纹抗压树种名称及承压fc抗弯mf顺纹抗剪局部表面及齿面拉力螺栓垫板下边弹性模量v面E!-TB15槐木、乌墨木麻黄柠檬桉、隆缘桉、蓝桉擦木131215131.81.61.51.22.84.25.690008000TB132.43.64.84.1TB1l榆木、臭椿、桤木10111.32.13.27000注:杨木和拟赤杨的顺纹强度设计值和弹性模量可按TB11级数值乘以0.9采纳;横纹强度设计值可按TB11级数值乘以0.6采纳。若当地有使用经验,也可在此基础上做适合调整。4.受弯构件允许挠度值(表2-102)表2-102受弯构件允许挠度值项次1檩条椽条抹灰吊顶中的受弯构件楼板梁和搁栅构件类型允许挠度值[w]l≤3.3ml/2001/2501/1501/2501/250l>3.3m234注:l——受弯构件的计算跨度。5.受压构件允许长细比(表2-103)表2-103受压构件允许长细比构件类型及承重柱等)一般构件支撑项次1允许长细比[λ]构造的主要构件(包含桁架的弦杆、支座...

1、当您付费下载文档后,您只拥有了使用权限,并不意味着购买了版权,文档只能用于自身使用,不得用于其他商业用途(如 [转卖]进行直接盈利或[编辑后售卖]进行间接盈利)。
2、本站所有内容均由合作方或网友上传,本站不对文档的完整性、权威性及其观点立场正确性做任何保证或承诺!文档内容仅供研究参考,付费前请自行鉴别。
3、如文档内容存在违规,或者侵犯商业秘密、侵犯著作权等,请点击“违规举报”。

碎片内容

完整木结构计算

爱的疯狂+ 关注
实名认证
内容提供者

该用户很懒,什么也没介绍

确认删除?
VIP
微信客服
  • 扫码咨询
会员Q群
  • 会员专属群点击这里加入QQ群
客服邮箱
回到顶部