电脑桌面
添加小米粒文库到电脑桌面
安装后可以在桌面快捷访问

齿轮材料设计VIP免费

齿轮材料设计_第1页
1/6
齿轮材料设计_第2页
2/6
齿轮材料设计_第3页
3/6
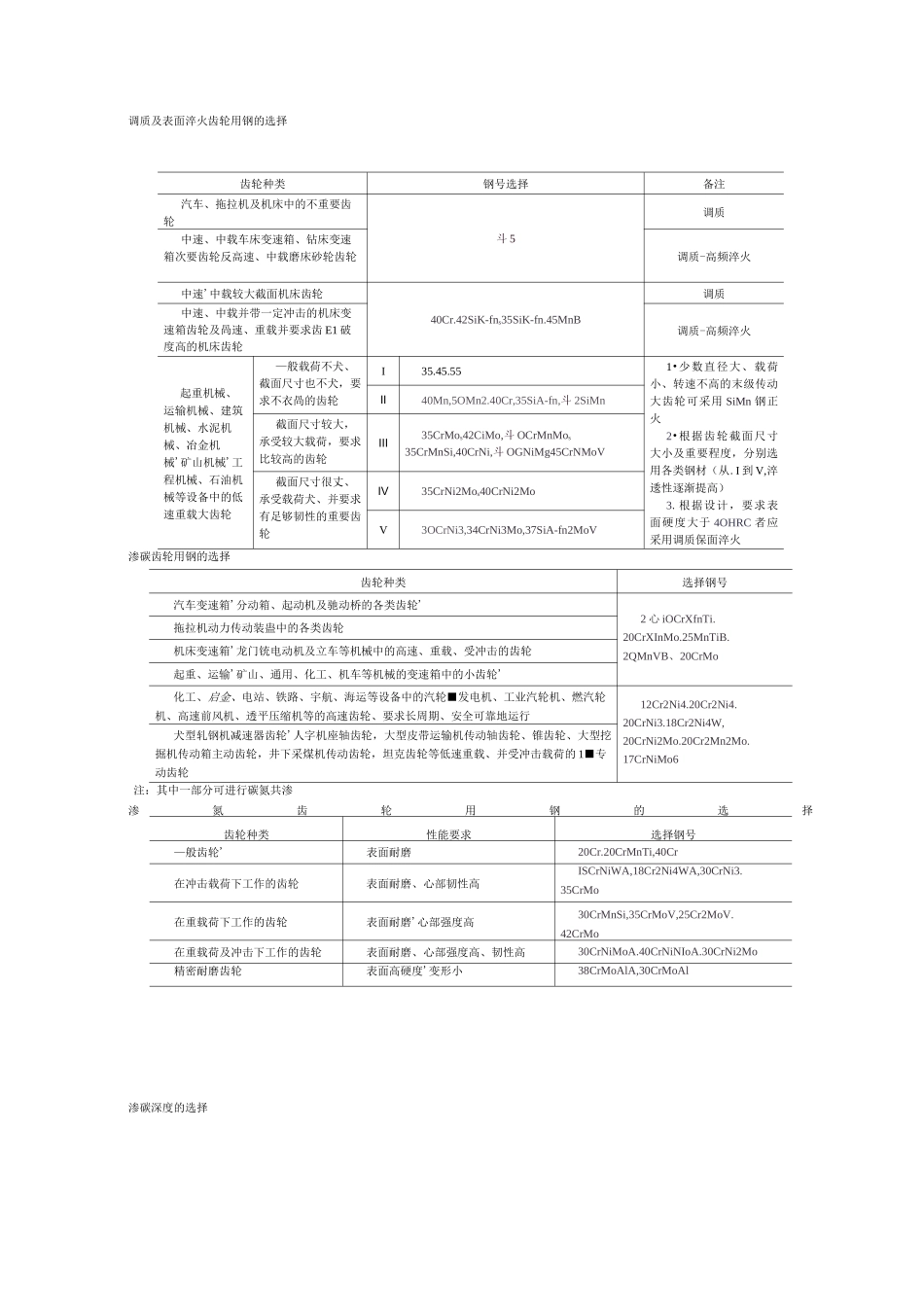
齿轮材料齿轮材料及其热处理是影响齿轮承载能力和使用寿命的关键因素,也是影响齿轮生产质量和成本的主要环节。选择齿轮材料及其热处理时,要综合考虑轮齿的工作条件(如载荷性质和大小、工作环境等)、加工工艺、材料来源及经济性等因素,以使齿轮在满足性能要求的同时,生产成本也最低。齿轮用材料主要有钢、铸铁、铜合金各类材料和热处理的特点及适用条件材料热坯理特点适用条件调质钢调质或正火1.经调质后具有较好的强度和韧性,常在220-300HB的范围内使用2•当受刀具的限制而不能提高调质小齿轮的硬度时,为保持犬小齿轮之间的谨度差,可使用正火的大齿轮,但强度较调质者差3.齿面的精切可在熱处理后进行,以,消除熱处理变形,保持轮齿精度4.不需要专门的热处理设备和齿面精加工设备,制造成本低5•齿面硬度较低,易于跑合,但是不能充分发挥材料的承载能力广沒用于对强度和精度要求不衣咼的一般中低速齿轮传动,以.及熱处理和齿面精加工比较困难的大型齿轮高频淬火1.齿面谨度高,具有较强的抗点蚀和耐磨损性能;心部具有较好的韧性,表面经硬化后产生残余压缩应力,犬大提高了齿根强度;通常的齿面硬度范围是:合金钢45-55HRC,碳素钢4O-50HRC2•为进一歩提高心部强度,往往在高频淬火前先调质3.高频淬火时间短斗•为消除热处理变形,需要磨齿,増加了加工时间和成本,但是可以茯得高精度的齿轮5•当缺乏高频设备时,可用火焰淬火来代替,但淬火质量不易保证6.表面硬化层深度和硬度沿齿面不等7•由于急速加熱和冷却,容易淬裂广泛用于要求承载能力高、体积小的齿轮渗碳钢渗碳淬火1•齿面谨度很高,具有很强的抗点蚀和耐磨损性能;心部具有很好的韧性,表面经硬化后产生残余压缩应尢U大大提高了齿根强度;一般齿面硬度范围是5&-62HRC2.切削性能较好3.热处理变形较大,热处理后应磨齿,増加了加工时间和成本,但是可以茯得高精度的齿轮4.渗碳深度可参考表逢磯深度的诜怪选择广泛用于要求承载能力高、耐冲击性能好、精度高、体积小的中型以■下的齿轮氮化钢氮化1•可以.茯得很高的齿面硬度,具有较强的抗点蚀和耐磨损性能;心部具有较好的韧性,为提高心部强度,对中碳钢往往先调质2•由于加熱温度低,所以.变形很小,氮化后不需要磨齿3.硬化层很蒲,因此承载能力不及渗碳淬火齿轮,不宜用于冲击载荷的条件下斗.成本较咼适用于较犬且较平稳的载荷下工作的齿轮,以.及没有齿面精加工设备而乂需要硬齿面的条件下铸钢正火或调质,以及高频淬火1•可以,制造复杂形状的犬型齿轮2.其强度低于同种牌号和熱处理的调质钢3.容易产生铸造缺陷用于不能锻造的大型齿轮铸铁1.价钱便宜2.耐磨性好3.可法制造复杂形状的大型齿轮斗•有较好的铸造和切削工艺性5•承载能力低灰铸铁和可锻铸铁用于低速、轻载、无冲击的齿轮;球墨铸铁可用于载荷和冲击较大的齿轮调质及表面淬火齿轮用钢的选择齿轮种类钢号选择备注汽车、拖拉机及机床中的不重要齿轮斗5调质中速、中载车床变速箱、钻床变速箱次要齿轮反高速、中载磨床砂轮齿轮调质-高频淬火中速'中载较大截面机床齿轮40Cr.42SiK-fns35SiK-fn.45MnB调质中速、中载并带一定冲击的机床变速箱齿轮及咼速、重载并要求齿E1破度高的机床齿轮调质-高频淬火起重机械、运输机械、建筑机械、水泥机械、冶金机械'矿山机械'工程机械、石油机械等设备中的低速重载大齿轮—般载荷不犬、截面尺寸也不犬,要求不衣咼的齿轮I35.45.551•少数直径大、载荷小、转速不高的末级传动大齿轮可采用SiMn钢正火2•根据齿轮截面尺寸大小及重要程度,分别选用各类钢材(从.I到V,淬逶性逐渐提高)3.根据设计,要求表面硬度大于4OHRC者应采用调质保面淬火II40Mn,5OMn2.40Cr,35SiA-fn,斗2SiMn截面尺寸较大,承受较大载荷,要求比较高的齿轮III35CrMos42CiMo,斗OCrMnMos35CrMnSi,40CrNi,斗OGNiMg45CrNMoV截面尺寸很丈、承受载荷犬、并要求有足够韧性的重要齿轮IV35CrNi2Mos40CrNi2MoV3OCrNi3,34CrNi3Mo,37SiA-fn2MoV渗碳齿轮用钢的选择齿轮种类选择钢号汽车变速箱'分动箱、起动机及驰动桥的各类齿轮'2心iOCrXfnTi.20CrXInMo.25MnTiB.2QMnVB、20CrMo拖拉机动力传动装蛊中的各类齿轮机床变...

1、当您付费下载文档后,您只拥有了使用权限,并不意味着购买了版权,文档只能用于自身使用,不得用于其他商业用途(如 [转卖]进行直接盈利或[编辑后售卖]进行间接盈利)。
2、本站所有内容均由合作方或网友上传,本站不对文档的完整性、权威性及其观点立场正确性做任何保证或承诺!文档内容仅供研究参考,付费前请自行鉴别。
3、如文档内容存在违规,或者侵犯商业秘密、侵犯著作权等,请点击“违规举报”。

碎片内容

齿轮材料设计

您可能关注的文档

确认删除?
VIP
微信客服
  • 扫码咨询
会员Q群
  • 会员专属群点击这里加入QQ群
客服邮箱
回到顶部