电脑桌面
添加小米粒文库到电脑桌面
安装后可以在桌面快捷访问

【精品】高中化学(大纲版)第一册 第六章 氧族元素 环境保护 第二节二氧化硫(第一课时)VIP免费

【精品】高中化学(大纲版)第一册 第六章  氧族元素  环境保护 第二节二氧化硫(第一课时)_第1页
1/7
【精品】高中化学(大纲版)第一册 第六章  氧族元素  环境保护 第二节二氧化硫(第一课时)_第2页
2/7
【精品】高中化学(大纲版)第一册 第六章  氧族元素  环境保护 第二节二氧化硫(第一课时)_第3页
3/7
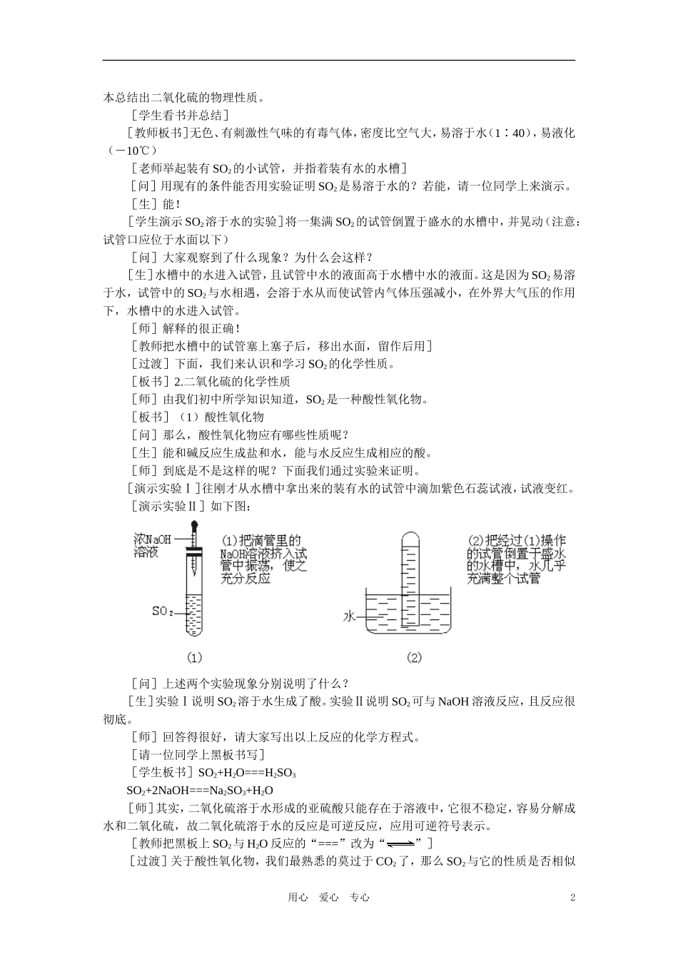
第二节二氧化硫●教学目标1.使学生了解二氧化硫的物理性质和用途。2.使学生掌握二氧化硫的化学性质。3.使学生了解二氧化硫对空气的污染和防止污染。●教学重点SO2的化学性质●教学难点SO2的化学性质●课时安排1课时●教学方法实验、讨论、启发、阅读、对比、归纳等●教学用具投影仪、铁架台(带铁夹)、分液漏斗、烧瓶、酒精灯、带导管的橡皮塞(双孔)、洗气瓶(可用大试管代替,5个)、烧杯、普通漏斗、石棉网、大烧杯、小试管、试管夹、水槽;浓H2SO4、Na2SO3固体、品红试液、石蕊试液、氢硫酸、溴水、KMnO4溶液、浓NaOH液、水;两试管预先收集好的SO2气体,其中一支的活塞上带有装浓NaOH液的胶头滴管。●教学过程[引言]人类赖以生存的环境是我们可爱的地球,然而,从二十世纪八十年代开始,酸雨、臭氧层的破坏和气候变暖这三大全球环境问题,却使人类面临着新的严峻挑战,并严重威胁着人类的生存。首先,我们来看一下“酸雨”是怎样危害地球的,请大家看以下资料。[投影展示]“空中死神”——酸雨猖獗的酸雨严重地威胁着地球。据资料记载,仅在1980年一年内,美国和加拿大就有5万余人成了酸雨的猎物。比利时是西欧酸雨污染最为严重的国家,它的环境酸化程度已超过正常标准的16倍。在意大利北部,5%的森林死于酸雨。瑞典有15000个湖泊酸化。挪威有许多马哈鱼生活的河流已被酸雨污染。世界古迹、桥梁受酸雨腐蚀越来越快。号称世界最大露天博物馆智利复活岛上的石雕人像,正面临着解体和倒塌的威胁,美国每年花在修理受损古迹方面的费用超过了50亿美元。闻名世界,代表我国古建筑精华的北京汉白玉石雕,近年来也遭到意想不到的损害,故宫太和殿台阶的栏杆上雕刻着各式各样的浮雕花纹,50多年前图案清晰可辨,如今却大多模糊不清,甚至成光板。我国江苏、安徽、湖北、福建、江西、浙江七省的大豆田曾经受酸雨影响造成经济损失一年达1380多万元。[师]那么,形成酸雨的罪魁祸首又是谁呢?它就是我们本节课所要认识的物质——二氧化硫。[板书]第二节二氧化硫[师]请大家回忆初中所学知识,并回答你所知道的二氧化硫的性质。[生]二氧化硫是一种大气污染物,有刺激性气味,是酸性氧化物。[师]很好!下面就让我们在以前学习的基础上来进一步认识二氧化硫的性质。[板书]一、二氧化硫的性质1.二氧化硫的物理性质[展示一试管收集好的二氧化硫][师]大家看!这支试管里收集的就是二氧化硫气体。请大家根据自己的观察并结合课用心爱心专心1本总结出二氧化硫的物理性质。[学生看书并总结][教师板书]无色、有刺激性气味的有毒气体,密度比空气大,易溶于水(1∶40),易液化(-10℃)[老师举起装有SO2的小试管,并指着装有水的水槽][问]用现有的条件能否用实验证明SO2是易溶于水的?若能,请一位同学上来演示。[生]能![学生演示SO2溶于水的实验]将一集满SO2的试管倒置于盛水的水槽中,并晃动(注意:试管口应位于水面以下)[问]大家观察到了什么现象?为什么会这样?[生]水槽中的水进入试管,且试管中水的液面高于水槽中水的液面。这是因为SO2易溶于水,试管中的SO2与水相遇,会溶于水从而使试管内气体压强减小,在外界大气压的作用下,水槽中的水进入试管。[师]解释的很正确![教师把水槽中的试管塞上塞子后,移出水面,留作后用][过渡]下面,我们来认识和学习SO2的化学性质。[板书]2.二氧化硫的化学性质[师]由我们初中所学知识知道,SO2是一种酸性氧化物。[板书](1)酸性氧化物[问]那么,酸性氧化物应有哪些性质呢?[生]能和碱反应生成盐和水,能与水反应生成相应的酸。[师]到底是不是这样的呢?下面我们通过实验来证明。[演示实验Ⅰ]往刚才从水槽中拿出来的装有水的试管中滴加紫色石蕊试液,试液变红。[演示实验Ⅱ]如下图:[问]上述两个实验现象分别说明了什么?[生]实验Ⅰ说明SO2溶于水生成了酸。实验Ⅱ说明SO2可与NaOH溶液反应,且反应很彻底。[师]回答得很好,请大家写出以上反应的化学方程式。[请一位同学上黑板书写][学生板书]SO2+H2O===H2SO3SO2+2NaOH===Na2SO3+H2O[师]其实,二氧化硫溶于水形成的亚硫酸只能...

1、当您付费下载文档后,您只拥有了使用权限,并不意味着购买了版权,文档只能用于自身使用,不得用于其他商业用途(如 [转卖]进行直接盈利或[编辑后售卖]进行间接盈利)。
2、本站所有内容均由合作方或网友上传,本站不对文档的完整性、权威性及其观点立场正确性做任何保证或承诺!文档内容仅供研究参考,付费前请自行鉴别。
3、如文档内容存在违规,或者侵犯商业秘密、侵犯著作权等,请点击“违规举报”。

碎片内容

【精品】高中化学(大纲版)第一册 第六章 氧族元素 环境保护 第二节二氧化硫(第一课时)

您可能关注的文档

;绿洲书城+ 关注
实名认证
内容提供者

从事历史教学,热爱教育,高度负责。

确认删除?
VIP
微信客服
  • 扫码咨询
会员Q群
  • 会员专属群点击这里加入QQ群
客服邮箱
回到顶部