电脑桌面
添加小米粒文库到电脑桌面
安装后可以在桌面快捷访问

地铁车站结构设计基本参数VIP免费

地铁车站结构设计基本参数_第1页
1/7
地铁车站结构设计基本参数_第2页
2/7
地铁车站结构设计基本参数_第3页
3/7
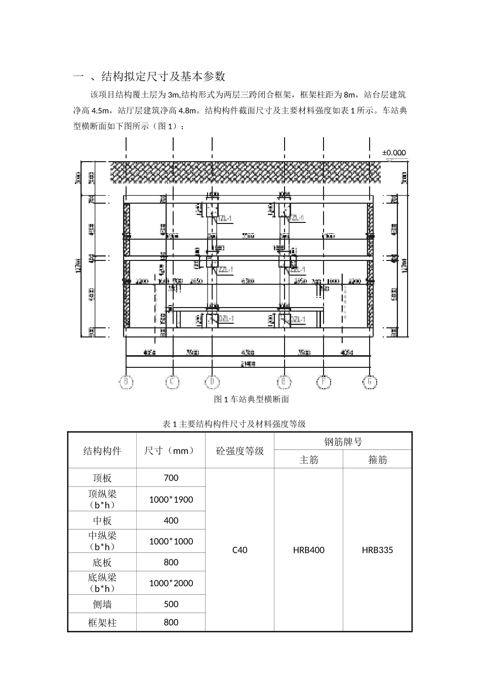
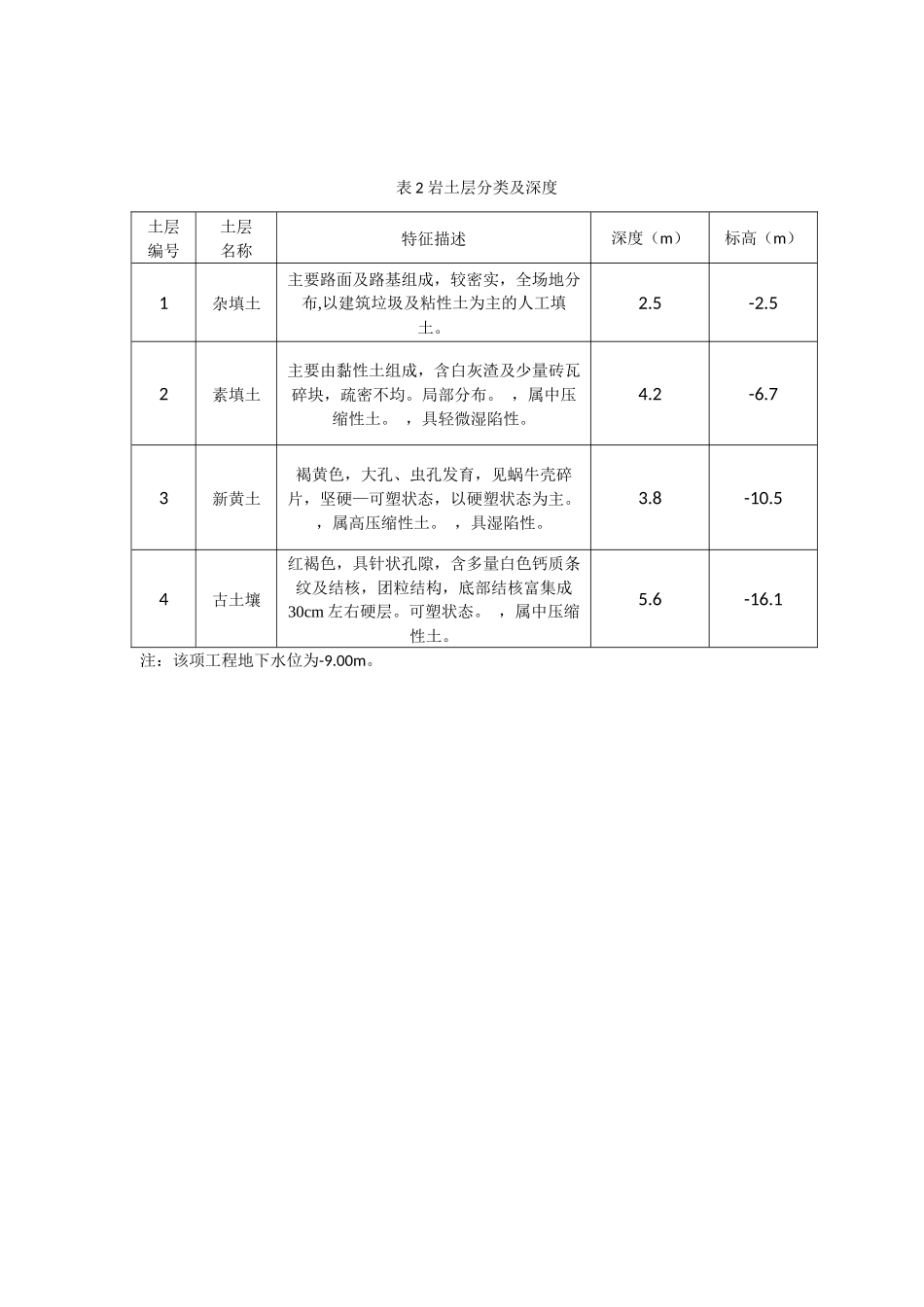
一、结构拟定尺寸及基本参数该项目结构覆土层为3m,结构形式为两层三跨闭合框架,框架柱距为8m,站台层建筑净高4.5m,站厅层建筑净高4.8m。结构构件截面尺寸及主要材料强度如表1所示。车站典型横断面如下图所示(图1):图1车站典型横断面±0.000表1主要结构构件尺寸及材料强度等级结构构件尺寸(mm)砼强度等级钢筋牌号主筋箍筋顶板700C40HRB400HRB335顶纵梁(b*h)1000*1900中板400中纵梁(b*h)1000*1000底板800底纵梁(b*h)1000*2000侧墙500框架柱800二、简化解析计算方法取轴线方向1m长度闭合框架作为计算简图,柱作为只承受压力的二力杆,不考虑支护结构影响,竖向地基反力按照竖向静力平衡条件计算确定,不考虑周围土层介质的抗力按荷载—结构法进行计算;柱截面设计时按照柱距设计和计算轴力综合确定。工程地质岩土分层及特性图2主体结构计算图式土层编号土层名称特征描述深度(m)标高(m)1杂填土主要路面及路基组成,较密实,全场地分布,以建筑垃圾及粘性土为主的人工填土。2.5-2.52素填土主要由黏性土组成,含白灰渣及少量砖瓦碎块,疏密不均。局部分布。,属中压缩性土。,具轻微湿陷性。4.2-6.73新黄土褐黄色,大孔、虫孔发育,见蜗牛壳碎片,坚硬—可塑状态,以硬塑状态为主。,属高压缩性土。,具湿陷性。3.8-10.54古土壤红褐色,具针状孔隙,含多量白色钙质条纹及结核,团粒结构,底部结核富集成30cm左右硬层。可塑状态。,属中压缩性土。5.6-16.1注:该项工程地下水位为-9.00m。表2岩土层分类及深度土层物理、力学参数表岩土分层岩土名称天然重度天然含水量饱和密度孔隙比液限塑限液性指数塑性指数压缩系数压缩模量变形模量湿陷系数湿陷起始压力直剪三轴剪切排水)快剪固快饱和快剪总应力γwρsrеWLWPILIpa1-2Es1-2Es2-3Es3-4Es4-5Es5-6E0PshC黏聚力Φ内摩擦角C黏聚力Φ内摩擦角C黏聚力Φ内摩擦角ccu黏聚力φ内摩擦角kN/m3%g/cm3%%%MPa-1MPaMPaMPaMPaMPaMPakPakPa°kPa°kPa°kPa1杂填土16.4516.01016.52素填土17.822.11.940.82730.918.50.2812.40.238.50.002~0.0172517.03018.03新黄土15.520.21.831.06531.018.60.1712.40.564.94.00.008~0.07415~1892519.53021.02016.035204古土壤18.926.00.77832.219.30.5312.90.345.57.84.53019.03020.05519表2各岩土层力学、物理参数表3各岩土层力学、物理参数岩土分层岩土名称土承载力特征值土承载力基本值土层地基基床系数渗透系数静止侧压力系数土体与挡土墙基地摩擦系数波速土的泊松比土的可挖性分级水平垂直剪切波速压缩波速fakσ0kxkyKK0fVsVpνkPakPaMpa/mMpa/mm/dm/sm/s1杂填土1050.75155.4559.7Ⅱ2素填土15200.65186.8575.5Ⅱ3新黄土150150354580.40.3203.4654.10.29Ⅱ饱和软黄土9090253580.50.27273.2723.80.33Ⅱ4古土壤150170405070.450.27273.2723.80.31Ⅱ表4荷载计算表荷载类型荷载名称荷载取值(KN/m2)说明永久荷载结构自重站台:站厅:覆土重49.916.4*2.5+17.8*0.5土压力施工阶段:主动土压力被动土压力使用阶段静止土压力:水压力水浮力设备重量站台:8站厅:8中板铺装层荷载5折算荷载<正常使用工况计>吊顶及设备管线荷载2折算荷载(0.6KPa+1.4KPa)<正常使用工况计>可变荷载基本可变荷载地面车辆荷载及其动力作用20地面车辆荷载引起的侧向土压力20ξkP(ξ静止侧压力系数)人群荷载站台:4站台、楼板和楼梯等部位人群均布荷载取4.0KPa站厅:4地铁车辆荷载及其动力作用5按轴重20t考虑其他可变荷载施工荷载一般施工荷载取5Kpa,盾构施工荷载按70Kpa计,其余按相关规定考虑偶然荷载地震荷载设防烈度8度、基本地震加速度0.20g,特征周期0.35s。人防荷载按6级人防考虑荷载及荷载效应组合表5荷载组合参数表

1、当您付费下载文档后,您只拥有了使用权限,并不意味着购买了版权,文档只能用于自身使用,不得用于其他商业用途(如 [转卖]进行直接盈利或[编辑后售卖]进行间接盈利)。
2、本站所有内容均由合作方或网友上传,本站不对文档的完整性、权威性及其观点立场正确性做任何保证或承诺!文档内容仅供研究参考,付费前请自行鉴别。
3、如文档内容存在违规,或者侵犯商业秘密、侵犯著作权等,请点击“违规举报”。

碎片内容

地铁车站结构设计基本参数

您可能关注的文档

确认删除?
VIP
微信客服
  • 扫码咨询
会员Q群
  • 会员专属群点击这里加入QQ群
客服邮箱
回到顶部