电脑桌面
添加小米粒文库到电脑桌面
安装后可以在桌面快捷访问

2016年5月高二物理期中考试VIP免费

2016年5月高二物理期中考试_第1页
1/5
2016年5月高二物理期中考试_第2页
2/5
2016年5月高二物理期中考试_第3页
3/5
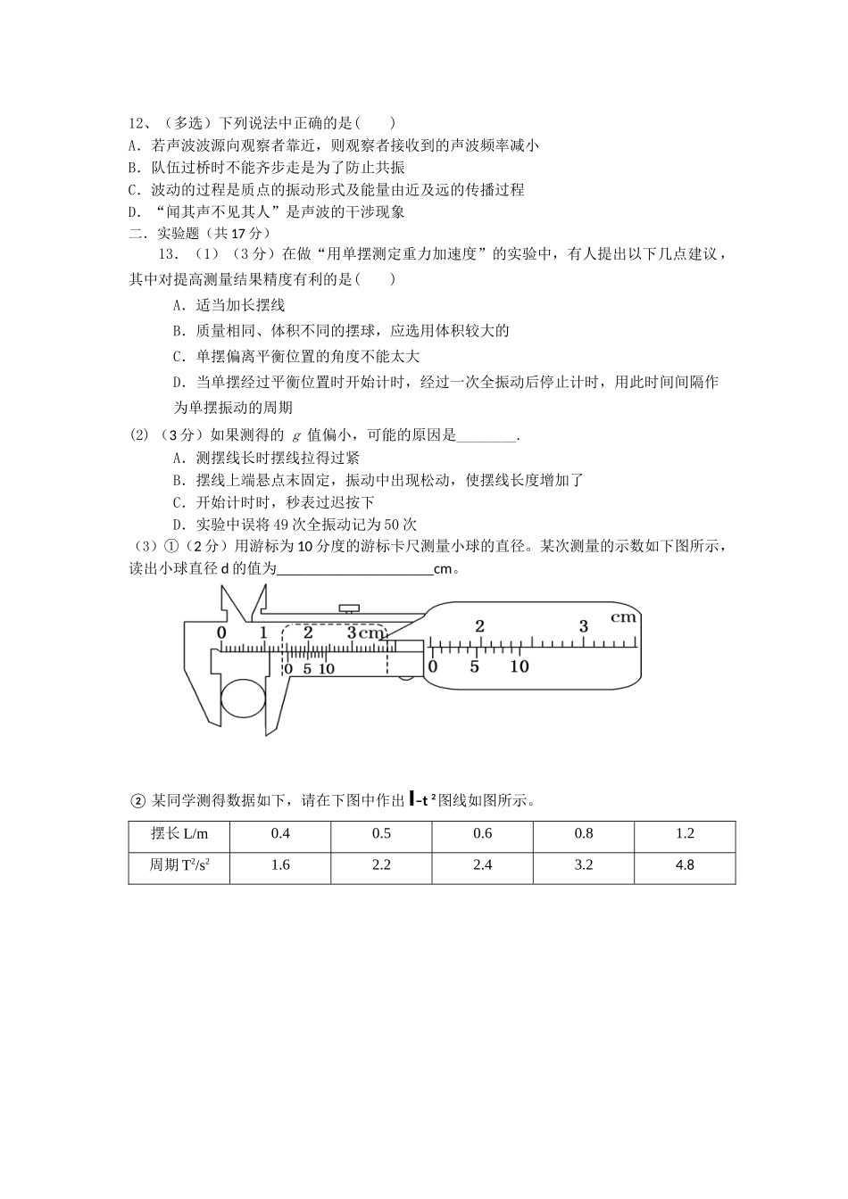
2016年5月高二物理期中试卷(总分100分,时间90分钟)一.选择题(每题4分,共48分,答案填在答题卡上)1、某交流电的图象如图3所示,则该交流电()A.周期B.频率f=100HzC.电压有效值VD.用交流电压表测量时读数为220V2.如图所示,一理想变压器的原线圈匝数为匝,副线圈匝数为匝,电阻,原线圈接入一电压的交流电源,电压表和电流表对电路的影响可忽略不计,则()A.副线圈交变电流的频率是100HzB.的时刻,电压表的示数为0C.变压器的输入电功率为22WD.电流表的示数为2.5A3、如图所示,弹簧振子在a、b两点间做简谐振动,当振子从平衡位置O向a运动过程中A.加速度和速度均不断减小B.加速度和速度均不断增大C.加速度不断增大,速度不断减小D.加速度不断减小,速度不断增大4、一个弹簧振子做简谐运动,O为平衡位置,以某时刻作为计时零点.经过1/2个周期振子具有正方向的最大速度,则下图中正确反映振子振动情况的是()5、甲、乙两弹簧振子,振动图象如图所示,则可知()A.两弹簧振子频率相同B.两弹簧振子所受回复力最大值之比F甲:F乙=2:1C.振子甲速度为零时,振子乙速度最大D.振子甲的质量是振子乙的两倍6、某质点做简谐运动,其位移随时间变化的关系式为x=10sin(t)(cm),则下列关于质点运动的说法中正确的是()A.质点做简谐运动的振幅为5cmB.质点做简谐运动的周期为4sC.在t=4s时质点的速度最大D.在t=4s时质点的位移最大7、关于机械振动和机械波,以下说法正确的是()A、有机械波一定存在机械振动,有机械振动就一定能够产生机械波B、机械振动在介质中传播形成机械波C、参与振动的质点的振动频率与介质的性质有关D、波源振动的越快,波在介质中的传播速度就越大8、如图所示为一简谐横波在某一时刻的波形图,已知此时质点A正向上运动,如图中箭头所示,由此可判定此横波()A.向右传播,且此时质点B正向上运动B.向右传播,且此时质点C正向下运动C.向左传播,且此时质点D正向上运动D.向左传播,且此时质点E正向下运动9、(多选)如图所示,沿x轴正方向传播的一列简谐横波在某时刻的波形图为一正弦曲线,若波速为200m/s,则下列说法中正确的是()A.从图示时刻开始,质点b的加速度将增大B.图示时刻,质点b的振动方向沿y轴正方向C.若此波遇到另一列波并发生稳定干涉现象,则另一列波的频率为50HzD.质点A在任意的1s内所通过的路程都是0.8m10.(多选)一列横波沿x轴正方向传播,图(甲)为t=0.5s时的波动图像,图(乙)为介质中某质点的振动图像。对该波的说法正确的是()A.这列机械波的频率为0.25HzB.这列机械波的波速为4m/sC.质点N的振幅为0D.(乙)图描述的是(甲)图中N点的振动情况11、(多选)在LC振荡电路中,某时刻电路中的电流方向如图所示,且电流正在减小,则该时刻()A.电容器上极板带正电,下极板带负电B.电容器上极板带负电,下极板带正电C.电场能正在向磁场能转化D.磁场能正在向电场能转化12、(多选)下列说法中正确的是()A.若声波波源向观察者靠近,则观察者接收到的声波频率减小B.队伍过桥时不能齐步走是为了防止共振C.波动的过程是质点的振动形式及能量由近及远的传播过程D.“闻其声不见其人”是声波的干涉现象二.实验题(共17分)13.(1)(3分)在做“用单摆测定重力加速度”的实验中,有人提出以下几点建议,其中对提高测量结果精度有利的是()A.适当加长摆线B.质量相同、体积不同的摆球,应选用体积较大的C.单摆偏离平衡位置的角度不能太大D.当单摆经过平衡位置时开始计时,经过一次全振动后停止计时,用此时间间隔作为单摆振动的周期(2)(3分)如果测得的g值偏小,可能的原因是________.A.测摆线长时摆线拉得过紧B.摆线上端悬点末固定,振动中出现松动,使摆线长度增加了C.开始计时时,秒表过迟按下D.实验中误将49次全振动记为50次(3)①(2分)用游标为10分度的游标卡尺测量小球的直径。某次测量的示数如下图所示,读出小球直径d的值为cm。②某同学测得数据如下,请在下图中作出l–t2图线如图所示。摆长L/m0.40.50.60.81.2周期T2/s21.62.22.43.24.8作图(2分)由图像可得重力加速度g=m/s2。(4分)③(3分)某同...

1、当您付费下载文档后,您只拥有了使用权限,并不意味着购买了版权,文档只能用于自身使用,不得用于其他商业用途(如 [转卖]进行直接盈利或[编辑后售卖]进行间接盈利)。
2、本站所有内容均由合作方或网友上传,本站不对文档的完整性、权威性及其观点立场正确性做任何保证或承诺!文档内容仅供研究参考,付费前请自行鉴别。
3、如文档内容存在违规,或者侵犯商业秘密、侵犯著作权等,请点击“违规举报”。

碎片内容

2016年5月高二物理期中考试

您可能关注的文档

精品文库+ 关注
实名认证
内容提供者

中小学课件教案大全

确认删除?
VIP
微信客服
  • 扫码咨询
会员Q群
  • 会员专属群点击这里加入QQ群
客服邮箱
回到顶部