电脑桌面
添加小米粒文库到电脑桌面
安装后可以在桌面快捷访问

露天矿山开采设计VIP免费

露天矿山开采设计_第1页
1/33
露天矿山开采设计_第2页
2/33
露天矿山开采设计_第3页
3/33
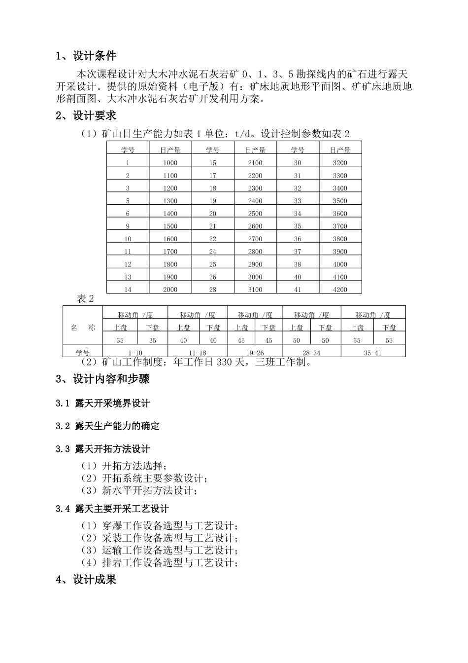
《金属矿床露天开采课程设计》课程设计题目大木冲水泥石灰岩矿露天开采设计学院名称核资源与核燃料工程学院指导教师杨仕教曾晟班级矿物资源工程071班学号20074520121学生姓名李昌武南华大学矿物资源工程系2010年10月1、设计条件本次课程设计对大木冲水泥石灰岩矿0、1、3、5勘探线内的矿石进行露天开采设计。提供的原始资料(电子版)有:矿床地质地形平面图、矿矿床地质地形剖面图、大木冲水泥石灰岩矿开发利用方案。2、设计要求(1)矿山日生产能力如表1单位:t/d。设计控制参数如表2学号1235691011121314日产量10001100120013001400150016001700180019002000学号1517181920212224252628日产量21002200230024002500260027002800290030003100学号3031323334353637384041日产量32003300340035003600370038003900400041004200表2移动角/度名称上盘35学号1-10下盘35移动角/度上盘40下盘40移动角/度上盘45下盘45移动角/度上盘50下盘50移动角/度上盘5535-41下盘5511-1819-2628-34(2)矿山工作制度:年工作日330天,三班工作制。3、设计内容和步骤3.1露天开采境界设计3.2露天生产能力的确定3.3露天开拓方法设计(1)开拓方法选择;(2)开拓系统主要参数设计;(3)新水平开拓方法设计;3.4露天主要开采工艺设计(1)穿爆工作设备选型与工艺设计;(2)采装工作设备选型与工艺设计;(3)运输工作设备选型与工艺设计;(4)排岩工作设备选型与工艺设计;4、设计成果(1)课程设计说明书:按毕业设计格式要求打印,按时提交课程设计成果。(2)开采境界最终平面图,A2图纸1张。5、设计要求①严格按科研论文的排版格式;②页面设置:页边距:上2厘米,下2厘米,左2.5厘米,右2厘米,页眉1.5厘米,页脚1.75厘米间距:段前0行,段后0行行距:固定值,15.6磅(题目行、公式行采用单倍行距);③字体和字号一级标题:四号,宋体和TimesNewRoman字体,加粗,靠左顶格;二级或三级标题:小四号,宋体和TimesNewRoman字体,加粗,靠左顶格;正文部分:五号,宋体和TimesNewRoman字体;希腊字母用Symbol字体;图题、表题:小五号,加粗,宋体和TimesNewRoman字体;图、表中文字用小;五号TimesNewRoman字体,量与单位之间用“/”间隔;图注与说明、表注与说明:小五号TimesNewRoman字体。④图用CAD出图,所有的图纸都要图签,图签格式统一。1工程概况......................................................-1-1.1矿产资源................................................-1-1.2矿区交通、自然地理和区域经济概况........................-2-1.2.1矿区位置与交通....................................-2-1.2.2自然地理与经济状况................................-2-1.2.3矿山规模及矿区范围................................-2-1.3矿山现状、特点及存在的主要问题.........................-4-1.4主要编制依据............................................-4-2.该设计工程的资源概况.........................................-5-2.1矿床地质及构造特征......................................-5-2.1.1区域地质背景.....................................-5-2.1.2矿区地层特征.....................................-5-2.1.3构造..............................................-5-2.1.4覆盖层特征........................................-6-2.1.5岩溶特征..........................................-6-2.2矿层特征................................................-6-2.3矿石质量特征...........................................-7-2.4矿山开采技术条件及水文地质条件..........................-8-2.4.1水文地质条件现状评价..............................-8-2.4.2水文地质条件预测评价.............................-11-2.4.3工程地质条件现状评价.............................-11-2.4.4工程地质条件预测评价.............................-12-3.露天开采境界设计............................................-13-3.1确定露天矿最小底宽.....................................-13...

1、当您付费下载文档后,您只拥有了使用权限,并不意味着购买了版权,文档只能用于自身使用,不得用于其他商业用途(如 [转卖]进行直接盈利或[编辑后售卖]进行间接盈利)。
2、本站所有内容均由合作方或网友上传,本站不对文档的完整性、权威性及其观点立场正确性做任何保证或承诺!文档内容仅供研究参考,付费前请自行鉴别。
3、如文档内容存在违规,或者侵犯商业秘密、侵犯著作权等,请点击“违规举报”。

碎片内容

露天矿山开采设计

您可能关注的文档

确认删除?
VIP
微信客服
  • 扫码咨询
会员Q群
  • 会员专属群点击这里加入QQ群
客服邮箱
回到顶部